Optic
Create rich
Down
 Other
 

 

   Current position: JUNTRY>>Hoster page >>                                                              Today is :

 

 ICTI         POF Receiver Optical Module


        NO。268,Gushu 1 Road Gu Shu Cun Xixiao Baoan Area ShenZhen (China)

 

      Tel & Fax:0755-27481436

 

文本框: ■ Applications
 
* DVD, CD, MD player
 
* Sound card
 
* Audio Equipment
 
* PC, notebook

■ Feature

 

* TTL interface compatible

 

* High transfer rate: 6-25Mbps (NRZ Signal)

 

* Build-in constant current LED driver

 

* Low power consumption

 

 

 

 

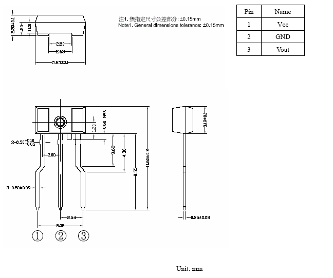
 A type Package Dimension                                                            ■ Pin Assign

 

 

 

 

F type Package Dimension                                                            ■ Pin Assign

 

 

 

 

 

 

 

 

Part No. Package Type Data Rate Supply Voltage, Vcc Dissipation Current, Icc Pulse Width Distortion, Δtw Propagation Delay Time
Mbps, NRZ V mA, max ns tPLH (ns,max) tPHL (ns,max)
  RX3010-A13 0.1 to 13.2 2.7 ~ 5.5 12 ±20 180 180
  RX3010-E13 0.1 to 13.2 2.7 ~ 5.5 12 ±20 180 180
  RX3012-A25 0.1 to 25 2.7 ~ 5.5 16 ±12 60 60
  RX3012-E25 0.1 to 25 2.7 ~ 5.5 16 ±12 60 60

 

                           

 

   GuanDong ICP No 05140852 copyright© JuntryOpticMechatronics

copyright© 2005-2008 all rights reserved www.JUNTRY(.IK8).com   

juntry@126.com      JuntrySales@126.com   JuntrySuper@126.com

JuntryElec@126.com     JuntryOptic@126.com     JuntryMechtronics@126.com      JuntryCountr@126.com

There is partial contents reshipment in on internet above, like have involve go copyright problem,

please that be announcement oneself delete !