光学  

   你现在的位置:JUNTRY>>主 页>>              今天是:

 

常用CMOS模拟开关功能和原理(4066,4051-53)

 

开关在电路中起接通信号或断开信号的作用。最常见的可控开关是继电器,当给驱动继电器的驱动电路加高电平或低电平时,继电器就吸合或释放,其触点接通或断开电路。CMOS模拟开关是一种可控开关,它不象继电器那样可以用在大电流、高电压场合,只适于处理幅度不超过其工作电压、电流较小的模拟或数字信号。

一、常用CMOS模拟开关引脚功能和工作原理
  1.四双向模拟开关CD4066
  
CD4066的引脚功能如图1所示。每个封装内部有4个独立的模拟开关,每个模拟开关有输入、输出、控制三个端子,其中输入端和输出端可互换。当控制端加高电平时,开关导通;当控制端加低电平时开关截止。模拟开关导通时,导通电阻为几十欧姆;模拟开关截止时,呈现很高的阻抗,可以看成为开路。模拟开关可传输数字信号和模拟信号,可传输的模拟信号的上限频率为40MHz。各开关间的串扰很小,典型值为-50dB。

0491.gif (1778 bytes)

  2.单八路模拟开关CD4051
  
CD4051引脚功能见图2。CD4051相当于一个单刀八掷开关,开关接通哪一通道,由输入的3位地址码ABC来决定。其真值表见表1。“INH”是禁止端,当“INH”=1时,各通道均不接通。此外,CD4051还设有另外一个电源端VEE,以作为电平位移时使用,从而使得通常在单组电源供电条件下工作的CMOS电路所提供的数字信号能直接控制这种多路开关,并使这种多路开关可传输峰-峰值达15V的交流信号。例如,若模拟开关的供电电源VDD=+5V,VSS=0V,当VEE=-5V时,只要对此模拟开关施加0~5V的数字控制信号,就可控制幅度范围为-5V~+5V的模拟信号。

0492.gif (1609 bytes)

表1

 

输入状态

接通通道

INH

C

B

A

0

0

0

0

“0”

0

0

0

1

“1”

0

0

1

0

“2”

0

0

1

1

“3”

0

1

0

0

“4”

0

1

0

1

“5”

0

1

1

0

“6”

0

1

1

1

“7”

1

g1.gif (920 bytes)

g1.gif (920 bytes)

g1.gif (920 bytes)

均不接通


  3.双四路模拟开关CD4052
  
CD4052的引脚功能见图3。CD4052相当于一个双刀四掷开关,具体接通哪一通道,由输入地址码AB来决定。其真值表见表2。

0493.gif (1744 bytes)

表2

输入状态

接通通道

INH

B

A

0

0

0

“0”X、“0”Y

0

0

1

“1”X、“1”Y

0

1

0

“2”X、“2”Y

0

1

1

“3”X、“3”Y

1

g1.gif (920 bytes)

g1.gif (920 bytes)

均不接通


  4.三组二路模拟开关CD4053
  
CD4053的引脚功能见图4。CD4053内部含有3组单刀双掷开关,3组开关具体接通哪一通道,由输入地址码ABC来决定。其真值表见表3。

表3

输入状态

接通通道

INH

C

B

A

0

0

0

0

cX、bX、aX

0

0

0

1

cX、bX、aY

0

0

1

0

cX、bY、aX

0

0

1

1

cX、bY、aY

0

1

0

0

cY、bX、aX

0

1

0

1

cY、bX、aY

0

1

1

0

cY、bY、aX

0

1

1

1

cY、bY、aY

1

g1.gif (920 bytes)

g1.gif (920 bytes)

g1.gif (920 bytes)

均不接通


  5.十六路模拟开关CD4067
  
CD4067的引脚功能见图5。CD4067相当于一个单刀十六掷开关,具体接通哪一通道,由输入地址码ABCD来决定。其真值表见表4。

0501.gif (2342 bytes)

表4

D

C

B

A

INH

接通通道

0

0

0

0

0

“0”

0

0

0

1

0

“1”

0

0

1

0

0

“2”

0

0

1

1

0

“3”

0

1

0

0

0

“4”

0

1

0

1

0

“5”

0

1

1

0

0

“6”

0

1

1

1

0

“7”

1

0

0

0

0

“8”

1

0

0

1

0

“9”

1

0

1

0

0

“10”

1

0

1

1

0

“11”

1

1

0

0

0

“12”

1

1

0

1

0

“13”

1

1

1

0

0

“14”

1

1

1

1

0

“15”

g1.gif (920 bytes)

g1.gif (920 bytes)

g1.gif (920 bytes)

1

均不接通


二、典型应用举例
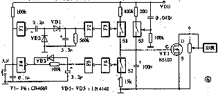
  1.单按钮音量控制器
  
单按钮音量控制器电路见图6。VMOS管VT1作为一个可变电阻并接在音响装置的音量电位器输出端与地之间。VT1的D极和S极之间的电阻随VGS成反比变化,因此控制VGS就可实现对音量大小的控制。VT1的G极接有3个模拟开关S1~S3和一个100μF的电容,其中100μF电容起电压保持作用。由于VMOS管的G极和S极之间的电阻极高,故100μF电容上的电压可长时间基本保持不变。模拟开关S1为电容提供充电回路,当S1导通时,电源通过S1给电容充电,电容上电压不断增高,使VT1导通电阻越来越小,使音量也越来越小。模拟开关S2为电容提供放电回路,当S2导通时,电容通过S2放电,电容上电压不断下降,使音量越来越大。模拟开关S3起开机音量复位作用,开机时,电源在S3控制端产生一短暂的正脉冲,使S3导通,由于与S3连接的电阻较小,故使电容很快充到一定的电压,使起始音量处于较小的状态。F1~F6及其外围元件组成长短脉冲识别电路。静态时,F1、F2输入为高电平,当较长时间按压按钮开关AN时,F4输出变高,经100k电阻给3.3μF电容充电,当充电电压超过CMOS门转换电压时,F5输出由高变低,F6输出由低变高,模拟开关S2导通,100μF电容放电,音量变大。与此同时,F1输出也变高,也给电容充电,但F1输出的一次正跳变不足以使电容上电压超过转换电压,故F2输出仍为高电平,F3输出低电平,模拟开关S1保持截止。当连续按动按钮开关AN时,F4输出也不断变化,输出为高时,给电容充电,而输出变低时,电容又很快通过二极管VD3放电,故电容上电压总是达不到转换电压,因此F6输出一直为低。而此时F1输出连续高低变化,经二极管整流不断给电容充电,使3.3μF电容上电压迅速达到转换电压,F2输出变低,F3输出变高,模拟开关S1导通,给电容充电,音量变小。由此,利用一只按钮开关,实现了对音量的大小控制。

0502.gif (3510 bytes)

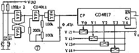
  2.四路视频信号切换器
  
四路视频信号切换器电路见图7。“与非”门YF3、YF4组成脉冲振荡器,振荡频率由100k电位器调节。若嫌调节范围不够,可适当更换0.47μF电容和100k电阻。脉冲振荡器受YF1、YF2组成的双稳态电路的控制,按S1时,YF1输出低电平,脉冲振荡器停振;按S2时,YF1输出高电平,脉冲振荡器开始振荡。脉冲振荡器的输出作为CD4017十进制计数器的时钟,使Y0~Y3依次出现高电平,相应的四个模拟开关依次导通,由Vi1~Vi4输入的视频信号被依次切换至输出端,完成了四路视频信号的切换。显然,增加一片CD4066可做成八路视频信号切换器,相应地,由Y0~Y7进行模拟开关控制,Y8连至Cr。依此类推,可做成更多路数的视频信号切换器。而且,输入、输出也可以是其它形式的信号。如要求视频、音频信号同传,则并接上相应数量的模拟开关即可。

0503.gif (2687 bytes)

  3.数控电阻网络
  
图8示出数字控制电阻网络电阻值大小的电路。在图8中,CD4066的四个独立开关分别并接在四个串接电阻上,电阻的值是按二进制位权关系选择的。当某个开关接通时,并接在该开关上的电阻被短路,此处假设该电阻阻值RRON(RON为模拟开关的导通电阻);当某个开关断开时,电阻两端阻值仍保持原阻值不变,此处假设该电阻阻值RROFF(ROFF为模拟开关断开时的电阻)。四个开关的控制端由四位二进制数A、B、C、D控制,因此,在A、B、C、D端输入不同的四位二进制数,可控制电阻网络的电阻变化,并从其上获得2~16种不同的电阻值。按图8所给的电阻值,该电阻网络所对应的16种阻值列于表5中。

0511.gif (1564 bytes)

表5

输入二进制数

电阻值(MΩ)

D

C

B

A

0

0

0

0

3.75

0

0

0

1

3.50

0

0

1

0

3.25

0

0

1

1

3.00

0

1

0

0

2.75

0

1

0

1

2.50

0

1

1

0

2.25

0

1

1

1

2.00

0

0

0

0

1.75

1

0

0

1

1.50

1

0

1

0

1.25

1

0

1

1

1.00

1

1

0

0

0.75

1

1

0

1

0.50

1

1

1

0

0.25

1

1

1

1

4×RON≈2kΩ


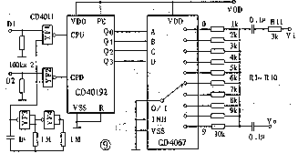
  4.音量调节电路
  
音量调节电路见图9。音频信号由Vi端输入,经分压电阻R11和隔直电容加到由R1~R10构成的加/减电阻网络。CD40192为十进制加/减计数器,“与非”门YF3、YF4构成低频振荡器,“与非”门YF1、YF2分别为加计数端CPU和减计数端CPD的计数闸门。

0512.gif (3097 bytes)

  当D1端为高电平时,闸门YF1开通,低频脉冲经YF1加到CD40192的CPU端,使其作加法计数,输出端Q0~Q3数据增大,使16路模拟开关的刀向低端转换,顺序接通R1~R10,接通的电阻增大,经与R11分压后,使输出音频信号Vo增大;当D2端为高电平时,闸门YF2开通,低频脉冲经YF2加到CD40192的CPD端,使其作减法计数,输出端Q0~Q3数据减小,使16路模拟开关的刀向高端转换,顺序接通R10~R1,接通的电阻减小,经与R11分压后,使输出音频信号Vo减小。

 

以上部分内容转载于网上,如有涉及到版权问题,请即通知本人删除

juntry@126.com