光学  

   你现在的位置:JUNTRY>>主 页>>              今天是:

浅谈PLC梯形图的设计方法

一、引言

可编程控制器是将继电器控制的概念和设计思想与计算机技术及微电子技术相结合而形成的 专门从事逻辑控制的微机系统。在PC系统应用中,梯形图的设计往往是最主要的问题。梯形图不但沿用和发展了电气控制技术,而且其功能和控制指令已远远超过电气控制范畴。它不仅可实现逻辑运算,还具有算术运算、数据处理、联网通信等功能,是具有工业控制指令的微机系统。由于梯形图的设计是计算机程序设计与电气控制设计思想结合的产物,因此,在设计方法上与计算机程序设计和电气控制设计既有着相同点,也有着不同点。本文对开关量控制系统梯形图的设计,提出了四种常用方法。

二、替代设计法

所谓替代设计法,就是用PC机的程序,替代原有的继电器逻辑控制电路。它的基本思想是: 将原有电气控制系统输入信号及输出信号做为PC的I/O点,原来由继电器—接触器硬件完成的逻辑控制功能由PC机的软件—梯形图及程序替代完成。

例如,电动机正反转控制电路,原电气控制线路图如图1所示。由PC控制替代后,其I/O接线 图和梯形图分别如图2、3所示。

37-1.gif (2147 bytes)

1 继电器控制线路图

37-2.gif (2717 bytes)

2 PC I/O接线图

37-3.gif (2044 bytes)

3 PC梯形图

这种方法,其优点是程序设计方法简单,有现成的电气控制线路作依据,设计周期短。一般 在旧设备电气控制系统改造中,对于不太复杂的控制系统常采用。

三、逻辑代数设计法

由于电气控制线路与逻辑代数有一一对应的关系,因此对开关量的控制过程可用逻辑代数式 表示、分析和设计。

基本设计步骤如下:

1、根据控制要求列出逻辑代数表达式。

2、对逻辑代数式进行化简。

3、根据化简后的逻辑代数表达式画梯形图。

下面举一简单例子来具体说明。

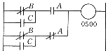
某一电动机只有在三个按钮中任何一个或任何两个动作时,才能运转,而在其他任何情况下 都不运转,试设计其梯形图。

将电动机运行情况由PC输出点0500来控制,三个按钮分别对应PC输入地址为ABC。根据题意,三个按钮中任何一个动作,PC的输出点0500就有输出。其逻辑代数表达式为

37-4.gif (552 bytes)

  当三个按钮中有任何两个动作时,输出点0500的逻辑代数表达式为

38-1.gif (556 bytes)

  因两个条件是“或”关系,所以电动机运行条件应该为

38-2.gif (1295 bytes)

简化该式得 38-3.gif (598 bytes)

  根据逻辑代数表达式,画梯形图,如图4所示。

38-4.gif (1125 bytes)

图 4

  利用这种方法设计,最大的特点是可以把很多的逻辑关系最简化。
  当然出于可靠和安全性角度考虑的冗余设计是另外一个问题。

四、程序流程图设计法

  PC采用计算机控制技术,其程序设计同样可遵循软件工程设计方法,程序工作过程可用流程 图表示。由于PC的程序执行为循环扫描工作方式,因而与计算机程序框图不同点是,PC程序框图在进行输出刷新后,再重新开始输入扫描,循环执行。
  下面以全自动洗衣机控制为例,说明这种设计方法的应用。
  首先画出洗衣机工艺流程图,如图5所示。

38-5.gif (6613 bytes)

5 洗衣机工艺流程图

  第二步选择PC机型,设置I/O点编号。其I/O点编号分配如下:
  I/O点分配    计时/计数器分配
  00起动开关    T600正转计时
  01停止开关    T601暂停计时
  02手动排水开关  T602反转计时
  03高水位开关   T603暂停计时
  04低水位开关   T604脱水计时
  20起动洗衣机   T605报警计时
  21进水      C606洗涤次数
  22正转洗涤    C607脱水次数
  23反转洗涤
  25排水
  26脱水
  27停止、报警
  第三步,根据流程图,设计梯形图,如图6所示

38-6.gif (11583 bytes)

6 洗衣机梯形图

五、功能模块设计法

  根据模块化设计思想,可对系统按控制功能进行模块划分,依次对各控制的功能模块设计梯 形图。
  例如,在PC电梯控制系统中,对电梯控制按功能可分为:厅门开关控制模块,选层控制模块,电梯运行控制模块,呼梯显示控制模块等。按电梯功能进 行梯形图设计,可使电梯相同功能的程序集中在一起,程序结构清晰,便于调试,还可以根 据需要灵活增加其他控制功能。
  当然,在设计中要注意模块之间的互相影响时、时序关系,以及联锁指令的使用条件。同一 种控制功能可有不同的软件实现方法,应根据具体情况采用简单实用的方案,并应充分利用 不同机型所提供的编程指令,使程序尽量简洁。

六、结束语

  本文介绍了PC梯形图的四种设计方法,除此之外,还有其他一些方法,如经验法。在系统设 计中对不同的环节,可根据具体情况,采用不同的设计方法。通常在全局上采用程序框图及功能模块方法设计;在旧设备改造中,采用替代法设计;在局部或具体功能的程序设计上,采用逻辑代数法和经验法。

 

以上部分内容转载于网上,如有涉及到版权问题,请即通知本人删除

juntry@126.com