|
AT89C2051在多功能窗中的应用
本多功能窗有以下5种功能:
1.防有害气体泄漏:自动检测室内煤气、烟雾、酒精等有害气体浓度,达到设定阈值后自动开窗,并启动排风扇或空调等通风;
2.防盗报警:由热释电人体红外探头检测从窗外靠近的人体,及时关窗上锁并发出报警讯号;
3.防潮湿:当下雨或浓雾,空气湿度大时自动关窗;
4.天色黑暗时自动关窗(可设置为ON或OFF);
5.定时开关:按设定时间打开或关闭窗子。
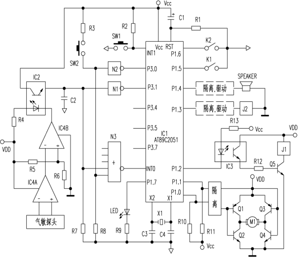
工作原理:多功能窗电路见附图。

单片机采用中断查询工作方式。气敏传感器的信号经IC4A放大,使IC4B翻转,经光耦隔离向N3和N1输入的高电平,反相后N3触发中断0,单片机查到P31为低电平后,向P10、P11输出开窗指令,经隔离后,Q1~Q4驱动电机M1打开窗子;P2口由高转低,Q5导通,J1常开触点吸合,启动排风扇或空调等。C2可消除一定的干扰,以免误触发。为简化电路,图中只画出了一路传感器输入。P34、P35、P37分别接受来自热释电、湿敏、光敏探头的信号。SW2为多功能按钮,不按SW1时,SW2为手动开/关窗键;按一下SW1,触发中断1,进入设定时间方式,每按一下SW2设定时间增加半小时,停止按键30秒后设置结束,定时器开始工作;防盗报警被触发后,按一下SW2,可终止讯响器SPEAKER的鸣叫。K1、K2为窗子开闭到位检测开关,J2为窗锁电磁铁线圈,关窗到位后为窗子上锁。LED作多功能指示:上电后LED亮,指示处于初始延时(由于传感器的初始不稳定性,必须有较长时间的延时);设定时间时,每按一下SW2,LED闪烁一次,确认键输入有效;当气体检测动作后LED也点亮,其余时间均熄灭。
图中N1等都为三极管,N3为五只二极管和1只三极管构成的或非门,4只传感器信号的放大比较由两块四运放完成。为了工作稳定,单片机与外围电路完全隔离,单独供电。整个电路安装在铝合金窗框内,在窗框外侧为传感器开检测孔,气敏探头另一根线引出安装在需检测的位置。M1连同机械传动机构安装在活动窗叶上,通过特殊方式与驱动电路连接(整个机械传动部分已申报专利)。为了防止M1因机械部分的阻滞而烧毁,程序需对开、关窗过程进行检测,当活动窗叶发生卡阻时可自动回退并再次尝试。三次尝试仍不能正常开关时,停止动作并发出报警信号。在RST端加有强制复位键。
|