光学  

   你现在的位置:JUNTRY>>主 页>>              今天是:

   

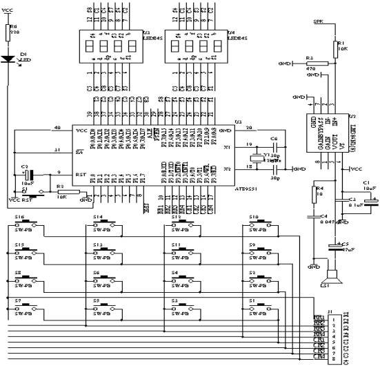
4×4键盘及8位数码管显示构成的电子密码锁

 

1. 实验任务

用 4 × 4 组成 0 - 9 数字键及确认键。

用 8 位数码管组成显示电路提示信息,当输入密码时,只显示“ 8 . ”,当密码位数输入完毕按下确认键时,对输入的密码与设定的密码进行比较,若密码正确,则门开,此处用 LED 发光二极管亮一秒钟做为提示,同时发出“叮咚”声;若密码不正确,禁止按键输入 3 秒,同时发出“嘀、嘀”报警声;若在 3 秒之内仍有按键按下,则禁止按键输入 3 秒被重新禁止。

2. 电路原理图

3. 系统板上硬件连线

(1). 把“单片机系统”区域中的 P0.0 - P0.7 用 8 芯排线连接到“动态数码显示”区域中的 ABCDEFGH 端子上。

(2). 把“单片机系统“区域中的 P2.0 - P2.7 用 8 芯排线连接到“动态数码显示”区域中的 S1S2S3S4S5S6S7S8 端子上。

(3). 把“单片机系统”区域中的 P3.0 - P3.7 用 8 芯排线连接到“ 4 × 4 行列式键盘”区域中的 R1R2R3R4C1C2C3C4 端子上。

(4). 把“单片机系统”区域中的 P1.0 用导线连接到“八路发光二极管模块”区域中的 L2 端子上。

(5). 把“单片机系统”区域中的 P1.7 用导线连接到“音频放大模块”区域中的 SPK IN 端子上。

(6). 把“音频放大模块”区域中的 SPK OUT 接到喇叭上。

4. 程序设计内容

(1). 4 × 4 行列式键盘识别技术:有关这方面内容前面已经讨论过,这里不再重复。

(2). 8 位数码显示,初始化时,显示“ P    ”,接着输入最大 6 位数的密码,当密码输入完后,按下确认键,进行密码比较,然后给出相应的信息。在输入密码过程中,显示器只显示“ 8 . ”。当数字输入超过 6 个时,给出报警信息。在密码输入过程中,若输入错误,可以利用“ DEL ”键删除刚才输入的错误的数字。

(3). 4 × 4 行列式键盘的按键功能分布图如图 所示:

5. C语言源程序

#include <AT89X52.H>

unsigned char ps[]={1,2,3,4,5};

unsigned char code dispbit[]={0xfe,0xfd,0xfb,0xf7,

0xef,0xdf,0xbf,0x7f};

unsigned char code dispcode[]={0x3f,0x06,0x5b,0x4f,0x66,

0x6d,0x7d,0x07,0x7f,0x6f,

0x77,0x7c,0x39,0x5e,0x79,0x71,

0x00,0x40,0x73,0xff};

unsigned char dispbuf[8]={18,16,16,16,16,16,16,16};

unsigned char dispcount;

unsigned char flashcount;

unsigned char temp;

unsigned char key;

unsigned char keycount;

unsigned char pslen=5;

unsigned char getps[6];

bit keyoverflag;

bit errorflag;

bit rightflag;

unsigned int second3;

unsigned int aa,bb;

unsigned int cc;

bit okflag;

bit alarmflag;

bit hibitflag;

unsigned char oka,okb;

void main(void)

{

unsigned char i,j;

TMOD=0x01;

TH0=(65536-500)/256;

TL0=(65536-500)%256;

TR0=1;

ET0=1;

EA=1;

while(1)

{

P3=0xff;

P3_4=0;

temp=P3;

temp=temp & 0x0f;

if (temp!=0x0f)

{

for(i=10;i>0;i--)

for(j=248;j>0;j--);

temp=P3;

temp=temp & 0x0f;

if (temp!=0x0f)

{

temp=P3;

temp=temp & 0x0f;

switch(temp)

{

case 0x0e:

key=7;

break;

case 0x0d:

key=8;

break;

case 0x0b:

key=9;

break;

case 0x07:

key=10;

break;

}

temp=P3;

P1_1=~P1_1;

if((key>=0) && (key<10))

{

if(keycount<6)

{

getps[keycount]=key;

dispbuf[keycount+2]=19;

}

keycount++;

if(keycount==6)

{

keycount=6;

}

else if(keycount>6)

{

keycount=6;

keyoverflag=1;//key overflow

}

}

else if(key==12)//delete key

{

if(keycount>0)

{

keycount--;

getps[keycount]=0;

dispbuf[keycount+2]=16;

}

else

{

keyoverflag=1;

}

}

else if(key==15)//enter key

{

if(keycount!=pslen)

{

errorflag=1;

rightflag=0;

second3=0;

}

else

{

for(i=0;i<keycount;i++)

{

if(getps[i]!=ps[i])

{

i=keycount;

errorflag=1;

rightflag=0;

second3=0;

goto a;

}

}

errorflag=0;

rightflag=1;

a: i=keycount;

}

}

temp=temp & 0x0f;

while(temp!=0x0f)

{

temp=P3;

temp=temp & 0x0f;

}

keyoverflag=0;//?????????

}

}

P3=0xff;

P3_5=0;

temp=P3;

temp=temp & 0x0f;

if (temp!=0x0f)

{

for(i=10;i>0;i--)

for(j=248;j>0;j--);

temp=P3;

temp=temp & 0x0f;

if (temp!=0x0f)

{

temp=P3;

temp=temp & 0x0f;

switch(temp)

{

case 0x0e:

key=4;

break;

case 0x0d:

key=5;

break;

case 0x0b:

key=6;

break;

case 0x07:

key=11;

break;

}

temp=P3;

P1_1=~P1_1;

if((key>=0) && (key<10))

{

if(keycount<6)

{

getps[keycount]=key;

dispbuf[keycount+2]=19;

}

keycount++;

if(keycount==6)

{

keycount=6;

}

else if(keycount>6)

{

keycount=6;

keyoverflag=1;//key overflow

}

}

else if(key==12)//delete key

{

if(keycount>0)

{

keycount--;

getps[keycount]=0;

dispbuf[keycount+2]=16;

}

else

{

keyoverflag=1;

}

}

else if(key==15)//enter key

{

if(keycount!=pslen)

{

errorflag=1;

rightflag=0;

second3=0;

}

else

{

for(i=0;i<keycount;i++)

{

if(getps[i]!=ps[i])

{

i=keycount;

errorflag=1;

rightflag=0;

second3=0;

goto a4;

}

}

errorflag=0;

rightflag=1;

a4: i=keycount;

}

}

temp=temp & 0x0f;

while(temp!=0x0f)

{

temp=P3;

temp=temp & 0x0f;

}

keyoverflag=0;//?????????

}

}

P3=0xff;

P3_6=0;

temp=P3;

temp=temp & 0x0f;

if (temp!=0x0f)

{

for(i=10;i>0;i--)

for(j=248;j>0;j--);

temp=P3;

temp=temp & 0x0f;

if (temp!=0x0f)

{

temp=P3;

temp=temp & 0x0f;

switch(temp)

{

case 0x0e:

key=1;

break;

case 0x0d:

key=2;

break;

case 0x0b:

key=3;

break;

case 0x07:

key=12;

break;

}

temp=P3;

P1_1=~P1_1;

if((key>=0) && (key<10))

{

if(keycount<6)

{

getps[keycount]=key;

dispbuf[keycount+2]=19;

}

keycount++;

if(keycount==6)

{

keycount=6;

}

else if(keycount>6)

{

keycount=6;

keyoverflag=1;//key overflow

}

}

else if(key==12)//delete key

{

if(keycount>0)

{

keycount--;

getps[keycount]=0;

dispbuf[keycount+2]=16;

}

else

{

keyoverflag=1;

}

}

else if(key==15)//enter key

{

if(keycount!=pslen)

{

errorflag=1;

rightflag=0;

second3=0;

}

else

{

for(i=0;i<keycount;i++)

{

if(getps[i]!=ps[i])

{

i=keycount;

errorflag=1;

rightflag=0;

second3=0;

goto a3;

}

}

errorflag=0;

rightflag=1;

a3: i=keycount;

}

}

temp=temp & 0x0f;

while(temp!=0x0f)

{

temp=P3;

temp=temp & 0x0f;

}

keyoverflag=0;//?????????

}

}

P3=0xff;

P3_7=0;

temp=P3;

temp=temp & 0x0f;

if (temp!=0x0f)

{

for(i=10;i>0;i--)

for(j=248;j>0;j--);

temp=P3;

temp=temp & 0x0f;

if (temp!=0x0f)

{

temp=P3;

temp=temp & 0x0f;

switch(temp)

{

case 0x0e:

key=0;

break;

case 0x0d:

key=13;

break;

case 0x0b:

key=14;

break;

case 0x07:

key=15;

break;

}

temp=P3;

P1_1=~P1_1;

if((key>=0) && (key<10))

{

if(keycount<6)

{

getps[keycount]=key;

dispbuf[keycount+2]=19;

}

keycount++;

if(keycount==6)

{

keycount=6;

}

else if(keycount>6)

{

keycount=6;

keyoverflag=1;//key overflow

}

}

else if(key==12)//delete key

{

if(keycount>0)

{

keycount--;

getps[keycount]=0;

dispbuf[keycount+2]=16;

}

else

{

keyoverflag=1;

}

}

else if(key==15)//enter key

{

if(keycount!=pslen)

{

errorflag=1;

rightflag=0;

second3=0;

}

else

{

for(i=0;i<keycount;i++)

{

if(getps[i]!=ps[i])

{

i=keycount;

errorflag=1;

rightflag=0;

second3=0;

goto a2;

}

}

errorflag=0;

rightflag=1;

a2: i=keycount;

}

}

temp=temp & 0x0f;

while(temp!=0x0f)

{

temp=P3;

temp=temp & 0x0f;

}

keyoverflag=0;//?????????

}

}

}

}

void t0(void) interrupt 1 using 0

{

TH0=(65536-500)/256;

TL0=(65536-500)%256;

flashcount++;

if(flashcount==8)

{

flashcount=0;

P0=dispcode[dispbuf[dispcount]];

P2=dispbit[dispcount];

dispcount++;

if(dispcount==8)

{

dispcount=0;

}

}

if((errorflag==1) && (rightflag==0))

{

bb++;

if(bb==800)

{

bb=0;

alarmflag=~alarmflag;

}

if(alarmflag==1)//sound alarm signal

{

P1_7=~P1_7;

}

aa++;

if(aa==800)//light alarm signal

{

aa=0;

P1_0=~P1_0;

}

second3++;

if(second3==6400)

{

second3=0;

errorflag=0;

rightflag=0;

alarmflag=0;

bb=0;

aa=0;

}

}

else if((errorflag==0) && (rightflag==1))

{

P1_0=0;

cc++;

if(cc<1000)

{

okflag=1;

}

else if(cc<2000)

{

okflag=0;

}

else

{

errorflag=0;

rightflag=0;

P1_7=1;

cc=0;

oka=0;

okb=0;

okflag=0;

P1_0=1;

}

if(okflag==1)

{

oka++;

if(oka==2)

{

oka=0;

P1_7=~P1_7;

}

}

else

{

okb++;

if(okb==3)

{

okb=0;

P1_7=~P1_7;

}

}

}

if(keyoverflag==1)

{

P1_7=~P1_7;

}

}

 

  · AT89S51单片机试验以及教程 01 闪烁灯

 · AT89S51单片机试验以及教程 02 模拟开关灯

 · AT89S51单片机试验以及教程 03 多路开关状态指示

  · AT89S51单片机试验以及教程 04 广告灯的左移右移

 · AT89S51单片机试验以及教程 05 广告灯(利用取表方式)

  · AT89S51单片机试验以及教程 06 报警产生器

 · AT89S51单片机试验以及教程 07 I/O并行口直接驱动LED显示

 · AT89S51单片机试验以及教程 08 按键识别方法之一

 · AT89S51单片机试验以及教程 09 一键多功能按键识别技术

 · AT89S51单片机试验以及教程 10 00-99计数器

 · AT89S51单片机试验以及教程 11 00-59秒计时器(利用软件延时)

 · AT89S51单片机试验以及教程 12 可预置可逆4位计数器

 · AT89S51单片机试验以及教程 13 动态数码显示技术

  · AT89S51单片机试验以及教程 14 4×4矩阵式键盘识别技术

  · AT89S51单片机试验以及教程 15 定时计数器T0作定时应用技术(一)

  · AT89S51单片机试验以及教程 16 定时计数器T0作定时应用技术(二)

 · AT89S51单片机试验以及教程 17 99秒马表设计

  · AT89S51单片机试验以及教程 18 “嘀、嘀、……”报警声

 · AT89S51单片机试验以及教程 19 “叮咚”门铃

 · AT89S51单片机试验以及教程 20 数字钟

 · AT89S51单片机试验以及教程 21 拉幕式数码显示技术

 · AT89S51单片机试验以及教程 22 电子琴

 · AT89S51单片机试验以及教程 23 模拟计算器数字输入及显示

  · AT89S51单片机试验以及教程 24 8X8 LED点阵显示技术

 · AT89S51单片机试验以及教程 25 点阵式LED“0-9”数字显示技术

 · AT89S51单片机试验以及教程 26 点阵式LED简单图形显示技术

 · AT89S51单片机试验以及教程 27 ADC0809A/D 转换器基本应用技术

 · AT89S51单片机试验以及教程 28 数字电压表

 · AT89S51单片机试验以及教程 29 两点间温度控制

 · AT89S51单片机试验以及教程 30 四位数数字温度计

 · AT89S51单片机试验以及教程 31 6位数显频率计数器

 · AT89S51单片机试验以及教程 32 电子密码锁设计

 · AT89S51单片机试验以及教程 33 4×4键盘及8位数码管显示构成的电子密码锁

 · AT89S51单片机试验以及教程 34 有存储器功能的数字温度计-DS1624技术应用

 · AT89S51单片机试验以及教程 35 DS18B20数字温度计使用

 

 

 

 

 

 

以上部分内容转载于网上,如有涉及到版权问题,请即通知本人删除

copyright© 2004-2005 all rights reserved www.JUNTRY(.IK8).com

juntry@126.com