光学  

   你现在的位置:JUNTRY>>主 页>>              今天是:

   

DS18B20数字温度计使用

 

1.DS18B20基本知识

DS18B20 数字温度计是 DALLAS 公司生产的 1 - Wire ,即单总线器件,具有线路简单,体积小的特点。因此用它来组成一个测温系统,具有线路简单,在一根通信线,可以挂很多这样的数字温度计,十分方便。

1 、 DS18B20 产品的特点

  ( 1 )、只要求一个端口即可实现通信。

  ( 2 )、在 DS18B20 中的每个器件上都有独一无二的序列号。

  ( 3 )、实际应用中不需要外部任何元器件即可实现测温。

  ( 4 )、测量温度范围在- 55 。 C 到+ 125 。 C 之间。

  ( 5 )、数字温度计的分辨率用户可以从 9 位到 12 位选择。

  ( 6 )、内部有温度上、下限告警设置。

2、DS18B20的引脚介绍

(底视图)

TO - 92 封装的 DS18B20 的引脚排列见图 1 ,其引脚功能描述见表 1 。

表 1 DS18B20 详细引脚功能描述

序号

名称

引脚功能描述

1 GND 地信号
2 DQ 数据输入 / 输出引脚。开漏单总线接口引脚。当被用着在寄生电源下,也可以向器件提供电源。
3 VDD 可选择的 VDD 引脚。当工作于寄生电源时,此引脚必须接地。

 

3. DS18B20的使用方法

由于 DS18B20 采用的是 1 - Wire 总线协议方式,即在一根数据线实现数据的双向传输,而对 AT89S51 单片机来说,硬件上并不支持单总线协议,因此,我们必须采用软件的方法来模拟单总线的协议时序来完成对 DS18B20 芯片的访问。

由于 DS18B20是在一根I/O线上读写数据,因此,对读写的数据位有着严格的时序要求。DS18B20有严格的通信协议来保证各位数据传输的正确性和完整性。该协议定义了几种信号的时序:初始化时序、读时序、写时序。所有时序都是将主机作为主设备,单总线器件作为从设备。而每一次命令和数据的传输都是从主机主动启动写时序开始,如果要求单总线器件回送数据,在进行写命令后,主机需启动读时序完成数据接收。数据和命令的传输都是低位在先。

DS18B20的复位时序

DS18B20 的读时序

对于 DS18B20 的读时序分为读 0 时序和读 1 时序两个过程。

对于 DS18B20 的读时隙是从主机把单总线拉低之后,在 15 秒之内就得释放单总线,以让 DS18B20 把数据传输到单总线上。 DS18B20 在完成一个读时序过程,至少需要 60us 才能完成。

DS18B20 的写时序

对于 DS18B20 的写时序仍然分为写 0 时序和写 1 时序两个过程。

对于 DS18B20 写 0 时序和写 1 时序的要求不同,当要写 0 时序时,单总线要被拉低至少 60us ,保证 DS18B20 能够在 15us 到 45us 之间能够正确地采样 IO 总线上的“ 0 ”电平,当要写 1 时序时,单总线被拉低之后,在 15us 之内就得释放单总线。

4. 实验任务

用一片 DS18B20 构成测温系统,测量的温度精度达到 0.1 度,测量的温度的范围在- 20 度到+ 100 度之间,用 8 位数码管显示出来。

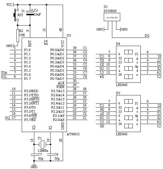
5. 电路原理图

6. 系统板上硬件连线

(1). 把“单片机系统”区域中的 P0.0 - P0.7 用 8 芯排线连接到“动态数码显示”区域中的 ABCDEFGH 端子上。

(2). 把“单片机系统”区域中的 P2.0 - P2.7 用 8 芯排线连接到“动态数码显示”区域中的 S1S2S3S4S5S6S7S8 端子上。

(3). 把 DS18B20 芯片插入“四路单总线”区域中的任一个插座中,注意电源与地信号不要接反。

(4). 把“四路单总线”区域中的对应的 DQ 端子连接到“单片机系统”区域中的 P3.7/RD 端子上。

7. C语言源程序

#include <AT89X52.H>

#include <INTRINS.h>

unsigned char code displaybit[]={0xfe,0xfd,0xfb,0xf7,

0xef,0xdf,0xbf,0x7f};

unsigned char code displaycode[]={0x3f,0x06,0x5b,0x4f,

0x66,0x6d,0x7d,0x07,

0x7f,0x6f,0x77,0x7c,

0x39,0x5e,0x79,0x71,0x00,0x40};

unsigned char code dotcode[32]={0,3,6,9,12,16,19,22,

25,28,31,34,38,41,44,48,

50,53,56,59,63,66,69,72,

75,78,81,84,88,91,94,97};

unsigned char displaycount;

unsigned char displaybuf[8]={16,16,16,16,16,16,16,16};

unsigned char timecount;

unsigned char readdata[8];

sbit DQ=P3^7;

bit sflag;

bit resetpulse(void)

{

unsigned char i;

DQ=0;

for(i=255;i>0;i--);

DQ=1;

for(i=60;i>0;i--);

return(DQ);

for(i=200;i>0;i--);

}

void writecommandtods18b20(unsigned char command)

{

unsigned char i;

unsigned char j;

for(i=0;i<8;i++)

{

if((command & 0x01)==0)

{

DQ=0;

for(j=35;j>0;j--);

DQ=1;

}

else

{

DQ=0;

for(j=2;j>0;j--);

DQ=1;

for(j=33;j>0;j--);

}

command=_cror_(command,1);

}

}

unsigned char readdatafromds18b20(void)

{

unsigned char i;

unsigned char j;

unsigned char temp;

temp=0;

for(i=0;i<8;i++)

{

temp=_cror_(temp,1);

DQ=0;

_nop_();

_nop_();

DQ=1;

for(j=10;j>0;j--);

if(DQ==1)

{

temp=temp | 0x80;

}

else

{

temp=temp | 0x00;

}

for(j=200;j>0;j--);

}

return(temp);

}

void main(void)

{

TMOD=0x01;

TH0=(65536-4000)/256;

TL0=(65536-4000)%256;

ET0=1;

EA=1;

while(resetpulse());

writecommandtods18b20(0xcc);

writecommandtods18b20(0x44);

TR0=1;

while(1)

{

;

}

}

void t0(void) interrupt 1 using 0

{

unsigned char x;

unsigned int result;

TH0=(65536-4000)/256;

TL0=(65536-4000)%256;

if(displaycount==2)

{

P0=displaycode[displaybuf[displaycount]] | 0x80;

}

else

{

P0=displaycode[displaybuf[displaycount]];

}

P2=displaybit[displaycount];

displaycount++;

if(displaycount==8)

{

displaycount=0;

}

timecount++;

if(timecount==150)

{

timecount=0;

while(resetpulse());

writecommandtods18b20(0xcc);

writecommandtods18b20(0xbe);

readdata[0]=readdatafromds18b20();

readdata[1]=readdatafromds18b20();

for(x=0;x<8;x++)

{

displaybuf[x]=16;

}

sflag=0;

if((readdata[1] & 0xf8)!=0x00)

{

sflag=1;

readdata[1]=~readdata[1];

readdata[0]=~readdata[0];

result=readdata[0]+1;

readdata[0]=result;

if(result>255)

{

readdata[1]++;

}

}

readdata[1]=readdata[1]<<4;

readdata[1]=readdata[1] & 0x70;

x=readdata[0];

x=x>>4;

x=x & 0x0f;

readdata[1]=readdata[1] | x;

x=2;

result=readdata[1];

while(result/10)

{

displaybuf[x]=result%10;

result=result/10;

x++;

}

displaybuf[x]=result;

if(sflag==1)

{

displaybuf[x+1]=17;

}

x=readdata[0] & 0x0f;

x=x<<1;

displaybuf[0]=(dotcode[x])%10;

displaybuf[1]=(dotcode[x])/10;

while(resetpulse());

writecommandtods18b20(0xcc);

writecommandtods18b20(0x44);

}

}

 

 

  · AT89S51单片机试验以及教程 01 闪烁灯

 · AT89S51单片机试验以及教程 02 模拟开关灯

 · AT89S51单片机试验以及教程 03 多路开关状态指示

  · AT89S51单片机试验以及教程 04 广告灯的左移右移

 · AT89S51单片机试验以及教程 05 广告灯(利用取表方式)

  · AT89S51单片机试验以及教程 06 报警产生器

 · AT89S51单片机试验以及教程 07 I/O并行口直接驱动LED显示

 · AT89S51单片机试验以及教程 08 按键识别方法之一

 · AT89S51单片机试验以及教程 09 一键多功能按键识别技术

 · AT89S51单片机试验以及教程 10 00-99计数器

 · AT89S51单片机试验以及教程 11 00-59秒计时器(利用软件延时)

 · AT89S51单片机试验以及教程 12 可预置可逆4位计数器

 · AT89S51单片机试验以及教程 13 动态数码显示技术

  · AT89S51单片机试验以及教程 14 4×4矩阵式键盘识别技术

  · AT89S51单片机试验以及教程 15 定时计数器T0作定时应用技术(一)

  · AT89S51单片机试验以及教程 16 定时计数器T0作定时应用技术(二)

 · AT89S51单片机试验以及教程 17 99秒马表设计

  · AT89S51单片机试验以及教程 18 “嘀、嘀、……”报警声

 · AT89S51单片机试验以及教程 19 “叮咚”门铃

 · AT89S51单片机试验以及教程 20 数字钟

 · AT89S51单片机试验以及教程 21 拉幕式数码显示技术

 · AT89S51单片机试验以及教程 22 电子琴

 · AT89S51单片机试验以及教程 23 模拟计算器数字输入及显示

  · AT89S51单片机试验以及教程 24 8X8 LED点阵显示技术

 · AT89S51单片机试验以及教程 25 点阵式LED“0-9”数字显示技术

 · AT89S51单片机试验以及教程 26 点阵式LED简单图形显示技术

 · AT89S51单片机试验以及教程 27 ADC0809A/D 转换器基本应用技术

 · AT89S51单片机试验以及教程 28 数字电压表

 · AT89S51单片机试验以及教程 29 两点间温度控制

 · AT89S51单片机试验以及教程 30 四位数数字温度计

 · AT89S51单片机试验以及教程 31 6位数显频率计数器

 · AT89S51单片机试验以及教程 32 电子密码锁设计

 · AT89S51单片机试验以及教程 33 4×4键盘及8位数码管显示构成的电子密码锁

 · AT89S51单片机试验以及教程 34 有存储器功能的数字温度计-DS1624技术应用

 · AT89S51单片机试验以及教程 35 DS18B20数字温度计使用

 

 

 

以上部分内容转载于网上,如有涉及到版权问题,请即通知本人删除

copyright© 2004-2005 all rights reserved www.JUNTRY(.IK8).com

juntry@126.com