|
称重传感器制作的便携式电子手提秤
这里介绍的便携式电子手提秤具有称重精度高、简单实用、携带方便、成本低等特点,很适合家庭购物使用。
工作原理
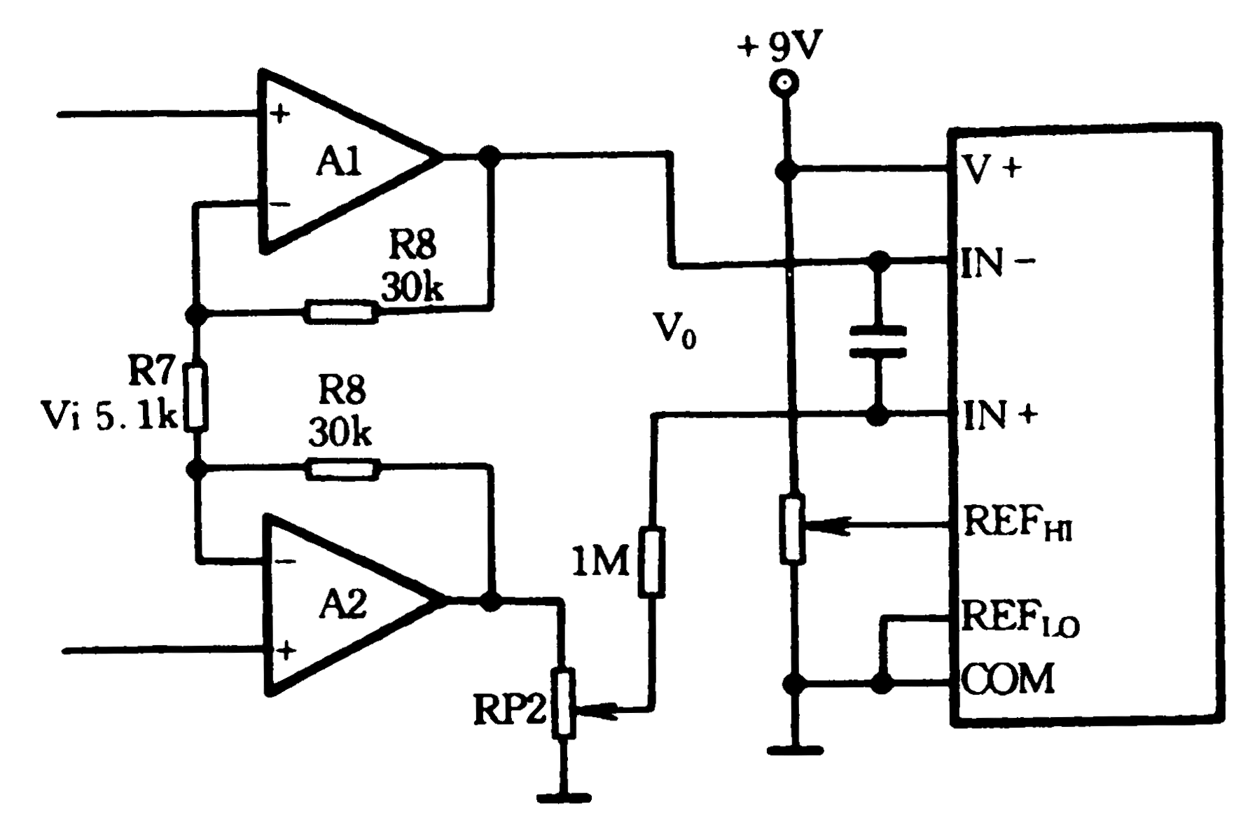
本装置由称重传感器、放大电路、A/D转换和液晶显示电路四部分组成,电路如图所示。图中E为9V叠层电池,R1~R4为称重传感器的4片电阻应变片,R5、R6与RPI组成零件调整电路,当载荷为零时,调节RPI使液晶显示屏显示零。IC1、IC2为双运放集成电路LM358中的两个单元电路。A1、A2组成了一个对称的同相放大器,A/D转换器采用了7106双积分型A/D转换器。液晶显示屏采用3-1/2液晶显示片。根据手提秤的特点,传感器应该选用S型称重传感器,但是S型称重传感器成品的价格较高,为了降低成本,可用半成品CHBL3型双孔悬臂梁称重传感器进行改制。CHBL3型传感器以双孔悬臂梁作为弹性体,弹性体上贴四片箔式电阻应变片R1~R4。小量程称重传感器常采用双孔悬臂梁传感器,它的结构和接线如图所示。

如果载荷P安放在秤盘上,载荷P简化为作用在弹性元件端部的一个力偶M,如图所示。这种传感器的特点是载荷P准S型传感器安放在任何位置都不影响输出值。根据这一特点,我们只要稍作修改就可以制成一个准S型传感器,修改后的结构如图所示。从图中可以看出,重力P的中心在中线上,这样S型传感器安放在手提秤的外壳中,重力P的中心也在外壳的铅垂中心线上。改装后的准S型传感器的电桥输出电压为V0。放大电路与7106的连接图如图所示,A1和A2组成对称型同相放大电路,输入电阻很高。由于结构对称,在输出端它们的温度漂移被相互抵消。

A/ D转换器7106是一个双积分型的A/D转换器。该转换器精度高,它带有输出译码器,可直接驱动液晶显示器。7106与液晶显示器被设计成一个量程为200mV的电压表。便携式电子手提秤的量程为skg,称重传感器在5kg时的输出约为4.6mV。图为A/D转换与液晶显示驱动的原理图。
|