光学  

   你现在的位置:JUNTRY>>主 页>>              今天是:

 

 

 

用PIC单片机制作电扇自然风发生器

 

李东星 陈小牧

我们使用美国Microchip公司的单片机制作了一种电扇自然风发生器,它能有规律地控制风扇送风的强弱。传统的电扇通过它可产生自然风,亦可将它直接做在电扇里,即是自然风电扇。

一 PIC单片机简介

PIC系列单片机是美国Microchip公司推出的8位单片机。其中PIC16C5X是低价商用单片机,内部有程序存储器(0.5~~2K),工作寄存器(32~~80个),33条精简指令,具有内部看门狗 (WDT),时钟/脉冲计数器 RTCC,双向可编程 I/O口(12~~20个),PIC的OTP(一次性可编程)型芯片特别适合商品化的开发生产。

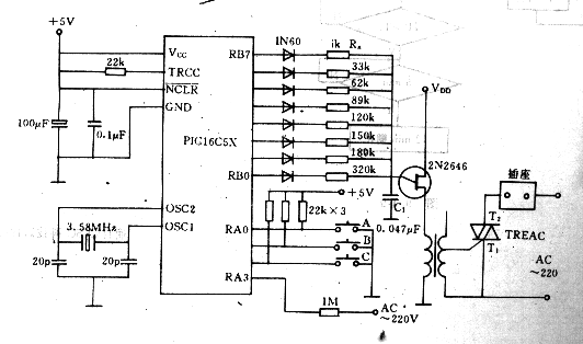
二 自然风发生器的硬件结构及原理

要让电风扇产生自然风,即改变电风扇送风的强弱,只有改变电机端的电压和电流。如图1所示,改变晶闸管控制角α,即控制晶闸管开始导通的时间,就能使电机负载上的电压和电流发生变化。图2展示了α角和电机负载电压的关系。

 

图1

图2

α角的变化又可通过电容C1的放电时间的改变来实现。PIC16C54有规律地选择电阻Rx,即可改变电容C1的充放电时间,从而达到改变电风扇送风的强弱的目的。控制角α和强弱风的关系如下所示。

正半周 α= 0。 30。 60。 90。 120。 150。 180。

负半周 α= 180。 210。 240。 270。 300。 330。 360。

超强风 强风 凉风 常风 微风 超微风 停止

 

交流电频率f=50Hz,则可得下式:

(1)

而根据RxC1充电回路:则有:

(Vp-Vv)=(VBB-Vv)(1-e),其中,Vv为充电初值;Vp为充电后值;VBB为充电电源电压,t为充电时间。整理可得:

t=RxC1

(2)其中

 

由式(1)和式(2)即可得出

(3)

 

一般取η=0.63,三极管特性最好。电容C1取值0.047μF。根据(3)式,对应不同α的设定值,求得Rx值表:

R0=1K, R1=33K, R2=62K, R3=89K, R4=120K, R5=150K, R6=180K, R7=220K

Rx接于PIC16C54的RB0~~RB7口。

RA0口为启动信号输入口,当A键按下时,则自然风发生器开始工作。

RA1口为停止信号输入口,当B键按下时,则自然风发生器停止工作。

RA2口为定时信号输入口,当C键按下时,则自然风发生器以定时方式工作。

RA3口为交流电相位检测口,用于确定交流电的起始相位。

读者可再加上显示,定时值输入等电路,构成更完整的装置。

三 软件框图及程序清单

程序框图如图3所示。

程序清单如下:

 

;Routine for nature wind fan

图3

RTCC EQU 1

RA EQU 5

RB EQU 6

F8 EQU 8

F9 EQU 9

ORG 1FFH ;复位地址

GOTO MAIN

ORG 0

 

MAIN:

CLRW

TRIS RB

MOVWF RB ;置RB口为输出口,且初值为0

MOVLW 0FH

TRIS RA ;置RA口为输入口

 

KEY-A:

BTFSC RA, 0

GOTO KEY-A ;A键是否按下

 

START:

MOVLW 80H

MOVWF F8 ;80H->F8

BTFSS RA, 1

GOTO MAIN ;B键按下

 

PHASE

BTFSC RA, 3

GOTO PHASE ;等待交流电0相位

MOVWF F8, W

MOVWF RB ;F8->RB口

CALL DELAY ;延时10秒

CLRC ;清C

RRF F8 ;F8左移

SKPC

GOTO PHASE

GOTO START

 

;Subroutine

DELAY:

MOVLW 150

MOVWF F9

MOVLW 7 ;给RTCC 预设倍数1:256

OPTION

 

LOOP:

MOVLW 255

SUBWF RTCC

DECFSZ F9

SKPZ

GOTO LOOP

RETLW 0

END;结束

 

四 小结

上面是一个用PIC16C54控制家用电器的例子。现在微电脑(单片机)控制的智能家电日益受到欢迎,是家电的必然发展趋势。PIC系列是一种面向商用的机种,特别适合于商品开发,其低价,小巧,具备保密位等特点正是开发厂家所需要的。读者潜心思考,必能用PIC自己开发出一系列精巧的产品。

 

             

 

 

以上部分内容转载于网上,如有涉及到版权问题,请即通知本人删除

juntry@126.com