红外线无线耳机
本文介绍的这款无线耳机借助红外线来实现音频信号的近距离传递,其发射与接收部分均由数字电路构成,制作成本低廉,调试起来也比较容易,适合广大电子爱好者自行仿制。
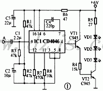
发射电路如图1所示,它包含脉冲调制、电流放大及红外线发射等部分电路。由锁相环CD4O46构成的压控振荡器(VCO)是发射器的核心;当伴音信号加在图1中的A点时,VCO的输出端会产生一组振荡频率随音频信号的幅度大小同步改变的调频信号,经红外发光管转变为红外调频信号发送出去。
图1中的三极管VT1与VT2用来驱动红外发光管,如果没有相同型号,也可用常见的C1815或9014代替,但管子的β值最好取得偏大一点。
接收器由光电转换、脉冲放大、频率解调及音频放大四部分组成,接收器电路如图2所示。经调制的红外信号首先被红外光敏管接收并转换为调频电信号,经过场效应管2SK117预放大,μPC1373H选频、放大后再由CD4046构成的鉴相电路解调并还原为音频信号。
接收与发射电路中两只CD4046的中心频率均为45kHz,故R7与R17、R8与R18、C4与C24的参数必须严格对应相等。驱动红外发光管的三极管VT1与VT2均工作在放大状态,其Vbe约0.6V;VT1与VT2也可用9013替换,但管子的β应大于100。发射电路的电源在图中没有标出,制作时可用LM7806稳压后获得。
每只红外发光管的正向压降均为1.15V,发射功率都小于100mW,将三只红外管进行串联的目的在于提高红外线的发射功率。此外,由于红外发光管的辐射角度有限,因此在设计电路板时需将三只管子错开45°排列。
红外光敏管只有被加上合适的反向电压才能正常工作,因此在电路安装时必须注意检查红外光敏管在电路中是否反接。接收电路采用电池供电,对功放TDA2822M进行桥接正是为了降低整机功耗。电感L10可在工字形中周骨架上用φ0.06的漆包线密绕150匝后装上磁帽及屏蔽罩制得。
红外发光管与红外光敏管容易损坏,它们的具体参数如附表所示。
红外无线耳机的发射器不需要调整即可正常工作。在对接收器进行调节时,我们可先把彩电遥控板对准接收器并随意按下任一键,监听耳机中是否有响亮的“嘟嘟”声;然后再把接收器对准发射器,用无感螺丝刀反复调节电感L10中磁帽的位置,直到伴音信号清晰宏亮而噪声最小时用高频蜡将磁帽固定,调试即告完成。如果感觉耳机中的伴音干涩、音质不佳时,可适当调整阻尼电阻R16的阻值;如果接收器的频带过窄,可以将R7与R17分别开路试试。