光学  

   你现在的位置:JUNTRY>>主 页>>              今天是:

 

 

串口通讯—RS-232-C详解(一)

 

 

串行通信接口标准经过使用和发展,目前已经有几种。但都是在RS-232标准的基础上经过改进而形成的。所以,以RS-232C为主来讨论。RS-323C标准是美国EIA(电子工业联合会)与BELL等公司一起开发的1969年公布的通信协议。它适合于数据传输速率在0~20000b/s范围内的通信。这个标准对串行通信接口的有关问题,如信号线功能、电器特性都作了明确规定。由于通行设备厂商都生产与RS-232C制式兼容的通信设备,因此,它作为一种标准,目前已在微机通信接口中广泛采用。

在讨论RS-232C接口标准的内容之前,先说明两点:

首先,RS-232-C标准最初是远程通信连接数据终端设备DTE(Data Terminal Equipment)与数据通信设备DCE(Data Communication Equipment)而制定的。因此这个标准的制定,并未考虑计算机系统的应用要求。但目前它又广泛地被借来用于计算机(更准确的说,是计算机接口)与终端或外设之间的近端连接标准。显然,这个标准的有些规定及和计算机系统是不一致的,甚至是相矛盾的。有了对这种背景的了解,我们对RS-232C标准与计算机不兼容的地方就不难理解了。

其次,RS-232C标准中所提到的“发送”和“接收”,都是站在DTE立场上,而不是站在DCE的立场来定义的。由于在计算机系统中,往往是CPU和I/O设备之间传送信息,两者都是DTE,因此双方都能发送和接收。

一、RS-232-C

RS-232C标准(协议)的全称是EIA-RS-232C标准,其中EIA(Electronic Industry Association)代表美国电子工业协会,RS(ecommeded standard)代表推荐标准,232是标识号,C代表RS232的最新一次修改(1969),在这之前,有RS232B、RS232A。。它规定连接电缆和机械、电气特性、信号功能及传送过程。常用物理标准还有有EIA�RS-232-C、EIA�RS-422-A、EIA�RS-423A、EIA�RS-485。 这里只介绍EIA�RS-232-C(简称232,RS232)。 例如,目前在IBM PC机上的COM1、COM2接口,就是RS-232C接口。

1.电气特性

EIA-RS-232C对电器特性、逻辑电平和各种信号线功能都作了规定。

在TxD和RxD上:逻辑1(MARK)=-3V~-15V

              逻辑0(SPACE)=+3~+15V

在RTS、CTS、DSR、DTR和DCD等控制线上:

信号有效(接通,ON状态,正电压)=+3V~+15V

信号无效(断开,OFF状态,负电压)=-3V~-15V

图1

以上规定说明了RS-323C标准对逻辑电平的定义。对于数据(信息码):逻辑“1”(传号)的电平低于-3V,逻辑“0”(空号)的电平告语+3V;对于控制信号;接通状态(ON)即信号有效的电平高于+3V,断开状态(OFF)即信号无效的电平低于-3V,也就是当传输电平的绝对值大于3V时,电路可以有效地检查出来,介于-3~+3V之间的电压无意义,低于-15V或高于+15V的电压也认为无意义,因此,实际工作时,应保证电平在±(3~15)V之间。

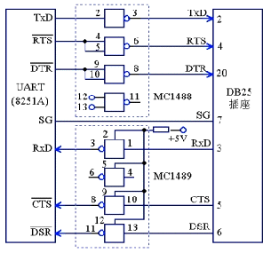
EIA-RS-232C与TTL转换:EIA-RS-232C是用正负电压来表示逻辑状态,与TTL以高低电平表示逻辑状态的规定不同。因此,为了能够同计算机接口或终端的TTL器件连接,必须在EIA-RS-232C与TTL电路之间进行电平和逻辑关系的变换。实现这种变换的方法可用分立元件,也可用集成电路芯片。目前较为广泛地使用集成电路转换器件,如MC1488、SN75150芯片可完成TTL电平到EIA电平的转换,而MC1489、SN75154可实现EIA电平到TTL电平的转换。MAX232芯片可完成TTL←→EIA双向电平转换,图1显示了1488和1489的内部结构和引脚。MC1488的引脚(2)、(4,5)、(9,10)和(12,13)接TTL输入。引脚3、6、8、11输出端接EIA-RS-232C。MC1498的14的1、4、10、13脚接EIA输入,而3、6、8、11脚接TTL输出。具体连接方法如图2所示。图中的左边是微机串行接口电路中的主芯片UART,它是TTL器件,右边是EIA-RS-232C连接器,要求EIA高电压。因此,RS-232C所有的输出、输入信号都要分别经过MC1488和MC1498转换器,进行电平转换后才能送到连接器上去或从连接器上送进来。

图2

2、、连接器的机械特性:

连接器:由于RS-232C并未定义连接器的物理特性,因此,出现了DB-25、DB-15和DB-9各种类型的连接器,其引脚的定义也各不相同。下面分别介绍两种连接器。

(1)DB-25: PC和XT机采用DB-25型连接器。DB-25连接器定义了25根信号线,分为4组:

①异步通信的9个电压信号(含信号地SG)2,3,4,5,6,7,8,20,22

②20mA电流环信号 9个(12,13,14,15,16,17,19,23,24)

③空6个(9,10,11,18,21,25)

④保护地(PE)1个,作为设备接地端(1脚)

DB-25型连接器的外形及信号线分配如图3所示。注意,20mA电流环信号仅IBM PC和IBM PC/XT机提供,至AT机及以后,已不支持。

图3

(2)DB-9连接器

在AT机及以后,不支持20mA电流环接口,使用DB-9连接器,作为提供多功能I/O卡或主板上COM1和COM2两个串行接口的连接器。它只提供异步通信的9个信号。DB-25型连接器的引脚分配与DB-25型引脚信号完全不同。因此,若与配接DB-25型连接器的DCE设备连接,必须使用专门的电缆线。

电缆长度:在通信速率低于20kb/s时,RS-232C所直接连接的最大物理距离为15m(50英尺)。

最大直接传输距离说明:RS-232C标准规定,若不使用MODEM,在码元畸变小于4%的情况下,DTE和DCE之间最大传输距离为15m(50英尺)。可见这个最大的距离是在码元畸变小于4%的前提下给出的。为了保证码元畸变小于4%的要求,接口标准在电气特性中规定,驱动器的负载电容应小于2500pF。

3、RS-232C的接口信号

RS-232C规标准接口有25条线,4条数据线、11条控制线、3条定时线、7条备用和未定义线,常用的只有9根,它们是:

(1)联络控制信号线

数据装置准备好(Data set ready-DSR)——有效时(ON)状态,表明MODEM处于可以使用的状态。

数据终端准备好(Data set ready-DTR)——有效时(ON)状态,表明数据终端可以使用。

这两个信号有时连到电源上,一上电就立即有效。这两个设备状态信号有效,只表示设备本身可用,并不说明通信链路可以开始进行通信了,能否开始进行通信要由下面的控制信号决定。

请求发送(Request to send-RTS)——用来表示DTE请求DCE发送数据,即当终端要发送数据时,使该信号有效(ON状态),向MODEM请求发送。它用来控制MODEM是否要进入发送状态。

允许发送(Clear to send-CTS)——用来表示DCE准备好接收DTE发来的数据,是对请求发送信号RTS的响应信号。当MODEM已准备好接收终端传来的数据,并向前发送时,使该信号有效,通知终端开始沿发送数据线TxD发送数据。

这对RTS/CTS请求应答联络信号是用于半双工MODEM系统中发送方式和接收方式之间的切换。在全双工系统中作发送方式和接收方式之间的切换。在全双工系统中,因配置双向通道,故不需要RTS/CTS联络信号,使其变高。

接收线信号检出(Received Line detection-RLSD)——用来表示DCE已接通通信链路,告知DTE准备接收数据。当本地的MODEM收到由通信链路另一端(远地)的MODEM送来的载波信号时,使RLSD信号有效,通知终端准备接收,并且由MODEM将接收下来的载波信号解调成数字两数据后,沿接收数据线RxD送到终端。此线也叫做数据载波检出(Data Carrier dectection-DCD)线。

振铃指示(Ringing-RI)——当MODEM收到交换台送来的振铃呼叫信号时,使该信号有效(ON状态),通知终端,已被呼叫。

(2)数据发送与接收线:

发送数据(Transmitted data-TxD)——通过TxD终端将串行数据发送到MODEM,(DTE→DCE)。

接收数据(Received data-RxD)——通过RxD线终端接收从MODEM发来的串行数据,(DCE→DTE)。

(3)地线

有两根线SG、PG——信号地和保护地信号线,无方向。

上述控制信号线何时有效,何时无效的顺序表示了接口信号的传送过程。例如,只有当DSR和DTR都处于有效(ON)状态时,才能在DTE和DCE之间进行传送操作。若DTE要发送数据,则预先将DTR线置成有效(ON)状态,等CTS线上收到有效(ON)状态的回答后,才能在TxD线上发送串行数据。这种顺序的规定对半双工的通信线路特别有用,因为半双工的通信才能确定DCE已由接收方向改为发送方向,这时线路才能开始发送。

2个数据信号:发送TXD;接收RXD。

1个信号地线:SG。

6个控制信号:

DSR��数传机(即modem)准备好,Data Set Ready.

DTR��数据终端(DTE,即微机接口电路,如Intel8250/8251,16550)准备好,Data Terminal Ready。

RTS��DTE请求DCE发送(Request To Send)。

CTS��DCE允许DTE发送(Clear To Send),该信号是对RTS信号的回答。

DCD��数据载波检出,Data Carrier Detection当本地DCE设备(Modem)收到对方的DCE设备送来的载波信号时,使DCD有效,通知DTE准备接收, 并且由DCE将接收到的载波信号解调为数字信号, 经RXD线送给DTE。

RI��振铃信号 Ringing当DCE收到交换机送来的振铃呼叫信号时,使该信号有效,通知DTE已被呼叫。

 

232引脚

CCITT

Modem

名称

说明

用途

异步

同步

1

101

AA

保护地

设备外壳接地

PE

PE√

2

103

BA

发送数据

数据送Modem

TXD

 

3

104

BB

接收数据

从Modem接收数据

RXD

 

4

105

CA

请求发送

在半双工时控制发送器的开和关

RTS

 

5

106

CB

允许发送

Modem允许发送

CTS

 

6

107

CC

数据终端准备好

Modem准备好

DSR

 

7

102

AB

信号地

信号公共地

SG

SG√

8

109

CF

载波信号检测

Modem正在接收另一端送来的信号

DCD

  

9

  

  

   

  

   

10

  

  

  

  

  

11

  

  

  

  

  

12

 

 

接收信号检测(2)

在第二通道检测到信号

  

13

 

 

允许发送(2)

第二通道允许发送

  

14

118

  

发送数据(2)

第二通道发送数据

  

15

113

DA

发送器定时

为Modem提供发送器定时信号

  

16

119

 

接收数据(2)

第二通道接收数据

  

17

115

DD

接收器定时

为接口和终端提供定时

  

18

 

 

 

  

  

19

 

 

请求发送(2)

连接第二通道的发送器

  

20

108

CD

数据终端准备好

数据终端准备好

DTR

 

21

 

 

 

 

  

22

125

 

振铃

振铃指示

RI

  

23

111

CH

数据率选择

选择两个同步数据率

  

24

114

DB

发送器定时

为接口和终端提供定时

  

25

 

 

  

  

  

 

以上部分内容转载于网上,如有涉及到版权问题,请即通知本人删除

juntry@126.com