光学  

   你现在的位置:JUNTRY>>主 页>>              今天是:

 

D/A转换器接口

D/A转换器:数/模转换器,它把数字量转换成电模拟量。即把二进制数字量转换为与其数值成正比的电模拟量。

1. D/A转换器的性能指标

1)分辨率:是指D/A能转换的二进制位数,位数越多,分辨率越高;

例:转换8位,若电压满量程为5V,则能分辨的最小电压为:5V/256≈20mV;

    转换10位,若电压满量程为5V,则能分辨的最小电压为:5V/1024≈5Mv。

2)转换时间:指数字量输入到转换输出稳定为止所需的时间;

3)精度:指D/A实际输出与理论值之间的误差,一般采用数字量的最低有效位作为衡量单位;

例:±1/2LSB,若是8位转换,则精度是±(1/2)×(1/256)满度=±1/512满度。

4)线性度:当数字量变化时,D/A输出的电模拟量按比例关系变化的程度。

   模拟量输出偏离理想输出的最大值称为线性误差。

2. /A和微机接口技术的关键 是数据锁存问题。

    有些D/A芯片本身不带数据锁存器,而CPU向D/A芯片输出一个数据只在DB上持续很短时间,所以必须用外部芯片,如用74LS273或8255A作为D/A转换的数据锁存器。

三、8位 D/A转换芯片0832及其接口

0832芯片采用CMOS工艺,电流输出型D/A,8位,转换时间约1us。

1)主要性能

    输入的数字量为8位;

    采用CMOS工艺,所有引脚的逻辑电平与TTL兼容;

    数字了输入可以采用双缓冲,单缓冲或直通方式;

    转换时间:1us;

    精度:±1LSB;

    分辨率:8位;

    单一电源,5V~15V,功耗20mW;

    参考电压:+10V~-10V。

2)内部结构及引脚功能

DAC0832的内部结构框图和外部引脚参见图11.1。

    内部结构

a.  8位输入寄存器:可作为输入数据第一级缓冲;

b.  8位DAC寄存器:可作为输入数据第二级缓冲;

c.  8位D/A转换器:将DAC寄存器中的数据转换成具有一定比例的直流电流。

d.  逻辑控制部分:0832芯片内部有两个数据缓冲器,分别由两组控制信号控制,当ILE=1∩ =0∩ =0时,D7~D0上的数据锁存到输入寄存器中。

    当 =0∩ =0时,输入寄存器中的数据被锁存到DAC寄存器中。

    引脚功能

D7~D0:8位数据量输入;

ILE:数据输入锁存允许,高电平有效;

* :片选;

:输入寄存器写信号,当ILE、 同时有效,数据装入输入寄存器,实现输入数据的第一级缓冲;

:数据传送控制信号,控制从输入寄存器到DAC寄存器的内部数据传送;

a) 结构框图                                     (b)引脚排列

                               图11. 1  DAC0832结构框图及引脚排列

 

  :DAC寄存器写信号,当 均有效时,将输入寄存器中的数据装入DAC寄存器并开始D/A转换,实现输入数据的第二级缓冲;

VREF:参考电压源,电压范围为-10V~+10V。

Rfb:内部反馈电阻接线端;

IOUT1:DAC电流输出1。其值随输入数字量线性变化;

IOUT2:DAC电流输出2。

    当DAC寄存器内容全为1时,IOUT1最大,IOUT2=0;

    当DAC寄存器内容全为0时,IOUT1=0,IOUT2=最大;

    当DAC寄存器内容为N时,IOUT1=VREF×N/(256×Rfb),IOUT2= VREF/Rfb- IOUT1

        无论N值多大:IOUT1+IOUT2= VREF/Rfb(1-28)=常数≌VREF/Rfb

Vcc:工作电源,其值范围为+5V~15V,典型值为+15V;

AGND:模拟信号地线;

DGND:数字信号地线。

    工作方式

DAC0832有双缓冲、单缓冲和直通三种方式。

双缓冲工作方式:进行两级缓冲;

单缓冲工作方式:只进行一级缓冲;

直通工作方式:不进行缓冲。适用于比较简单的场合。

    接口电路

DAC0832为电流输出型D/A转换芯片,使用时,RfbIOUT1IOUT2 3个引脚外接运算放大器,以便将转换后的电流变换成电压输出。若外接一个运算放大器为单极性输出,如图11. 2VOUT1 输出;若使用了两个运算放大器为双极性输出,如图11. 2VOUT2输出。   

 图中,VOUT1-IOUT1×Rfb-VREF×N/(256×Rfb)×Rfb =-N/256×VREF,

    VOUT1模拟输出电压的极性总是与VREF极性相反,为单极性输出。

    VOUT2模拟输出电压可利用基尔霍夫节点电流定律列出方程:

    VOUT2/15+VREF/15+VOUT1/7.5=0

代入VOUT1-N/256×VREF,求解得:

     VOUT2(N-128)/128×VREF.

    当FFH≥N>80H时, VOUT2模拟输出电压的极性和VREF相同;

    当80H>N≥0时,VOUT2模拟输出电压的极性和VREF相反;

    当N=80H时,VOUT20V.

    VOUT2为双极性输出.可根据应用场合的需要,将D/A转换接口芯片接成单极性输出或双极性输出。当要监视的物理量有方向性时,例如角度的正向与反向,速度的增大与减小等,与此相适应,要求D/A转换的输出必须是双极性的。

DAC0832对执行时序也有一定要求:第一, 选通脉冲应有一定宽度,通常要求≥500ns,当取VCC+15V典型值时, 宽度只要≥100ns就可以了。此时器件处于最佳工作状态。第二,数据输入保持时间应不小于90ns。在满足这两个条件下,转换电流建立时间为1.0μs。当VCC偏移典型值时,也要注意满足转换时序要求,否则将不能保证转换数据正确。

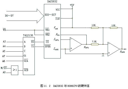
11. 2是DAC0832与8086CPU的硬件连接图。CPU通过低8位数据线与DAC0832通信,DAC00832接成双缓冲工作方式,口地址为80H~86H中的偶地址和88H~8EH中的偶地址。

    在图11. 2中,若将 不接地址译码器 输出,改为接 或直接接地,则DAC0832为单缓冲方式,此时口地址仅为80H~86H中的偶地址。

    利用D/A转换器可以产生各种波形,如方波、三角波、锯齿波等,以及它们组合产生的复合波形和不规则波形。这些复合波形利用标准的测试设备是很难产生的。

    下面是利用DAC0832在VOUT2产生三角波的程序段:

         MOV  AL, 00H      ;置三角波最小值

    L1: OUT  80H,AL       ;形成三角波上升波形

         OUT  88H,AL

         CALL DELAY         ;调延时子程序,决定三角波的频率

         INC  AL

         JNZ  L1            ;AL是否加满?未满,继续

         DEC  AL            ;已满,置三角波最大值

         DEC  AL

    L2: OUT  80H,AL       ;形成三角波下降波形

         OUT  88H,AL

         CALL DELAY

         DEC  AL

         JNZ  L2

         INC  AL

         JMP  L1            ;转下一个三角波周期

VOUT2产生梯形波的程序段:

         MOV   AL, 0

    L1: OUT  80H,AL       ;产生梯形波上升部分波形

        OUT  88H,AL

         CALL DELAY1

         INC  AL

         CMP  AL,FFH

         JNZ  L1

         OUT  80H,AL       ;产生梯形波水平部分波形

         OUT  88H,AL

         CALL DELAY2

    L2: DEC  AL            ;产生梯形波下降部分波形

         OUT  80H,AL

         OUT  88H,AL

         CALL DELAY1

         CMP  AL 00H

         JNZ  L2

 

    通过改变输入0832数字量的上限值和下限值,可改变输出波形的上限电平和下限电平。

D/A转换器可以视为微机的一种外围设备,实现D/A转换器和微机接口技术的关键是数据锁存问题。当CPU向D/A转换器输出一个数据时,这个数据在数据总线上只持续很短的时间,必须有数据锁存器锁住这个数据,才能得到持续稳定的模拟量输出。有些D/A转换器芯

片本身带有锁存器,但也有些D/A转换器芯片本身不带锁存器,此时74LS273芯片以及可编程的并行I/O接口芯片8255A均可作为D/A转换的数据锁存器。

    以上所述D/A转换为电压型输出,还有另一种输出形式,即电流型输出。电流型输出有利于信号的长距离传送,还能够非常方便地与一些常规仪表相配接。例如DDZ-Ⅱ型仪表的标准配接电流是0~10mA,DDZ-Ⅲ型仪表的标准配接电流是4~20mA。

    图11. 3给出了两种典型的电压/电流转换基本电路。图中A为运算放大器。Q和Q2为中功率三极管,RF为反馈电阻,RL为负载电阻,VIN为转换输入电压,IOUT为输出电流。

    这两个电路都是电流负反馈电路。经D/A转换输出的模拟电压VIN经运算放大器后直接驱动电流放大电路,在负载RL上可以获得一定的电流输出。该电路具有良好的恒流特性和驱动能力,能直接与常规仪表配接。当运算放大器输入阻抗为108Ω~1012Ω,R1R2100kΩ,R3R4100Ω,RL1kΩ,RF100Ω,VIN0~+5V时,IOUT0~10mA。

    图11. 3(a)适用于负载接地的情况,图(b)适用于负载不接地的情况。

 

以上部分内容转载于网上,如有涉及到版权问题,请即通知本人删除

juntry@126.com