光学  

   你现在的位置:JUNTRY>>主 页>>              今天是:

  A/D转换实验

一、实验目的

了解模/数的转换的基本原理,掌握ADC0809的使用方法。

二、实验设备

    1) DICE-8086B教学机一台,DICE-EX组合实验板一块。

    2) ADC0809芯片一片,74LS02、74LS74各一片,4.7K电位器一个,导线5根。

三、实验内容及步骤

  

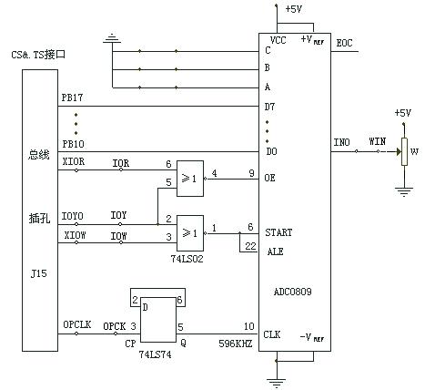
          图3. 16 ADC0809应用实验线路  

按图3. 16 所示实验线路,编写实验程序,从IN0号通道采样模拟信号并转换成数字量在液晶上显示,即显示“INO XX”。

实验步骤

    (1) 画出程序流程图,并按图3. 16在教学机实验区上连接实验线路,其中PB17PB108255B口PB7PB0   

    (2) 输入程序并检查无误。

    (3) 调节W电位器,显示屏上会显示INO XX。

    (4) 用万用表,测出W输出电压,并记录显示屏上的相应数据。作出转换图,即V…D。

    (5) 求0809芯片的整量化误差。

四、思考题:

若改用EOC信号来申请中断读A/D值、程序如何设计?    

 

以上部分内容转载于网上,如有涉及到版权问题,请即通知本人删除

juntry@126.com