光学  

   你现在的位置:JUNTRY>>主 页>>电气>>单片机>>         今天是:

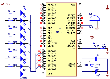
Lab2 蜂鸣电路


   看下面的程序在P3.3口输出100mS/Hz的数字信号(晶掁12MHz),在P3.3上接一蜂鸣器即可发出声音。

 

如果是一个LED的话呢可有同频率的闪烁。

 

LOOP: SETB P3.3 ;       设置接口3第3位 1

LCALL DELAY ;         长调用 DELAY

CLR P3.3 ;          清0 接口3第3位

LCALL DELAY ;        长调用 DELAY

AJMP LOOP ;         绝对转移 LOOP

DELAY: MOV R7,#100 ;   传送 通用寄存器7,立即数150

D1:MOV R6,#100 ;      传送 通用寄存器6,立即数50

D2:DJNZ R6,D2 ;       减一不为0转移 通用寄存器6,D2

DJNZ R7,D1 ;         减一不为0转移 通用寄存器7,D1

RET ;            子程序返回  

END ;             END

 

                  

以上部分内容转载于网上,如有涉及到版权问题,请即通知本人删除

juntry@126.com