光学  

   你现在的位置:JUNTRY>>主 页>>              今天是:

 
PLD设计1 -设计输入 1.1 采用原理图输入

减小字体 增大字体

 

10分钟学会PLD设计

1 设计输入

 

1.1 采用原理图设计三人表决器

 

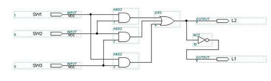
我们根据三人表决器的直值表,可以通过卡诺图化简可以得到:

L2=SW1SW2+SW1SW3+SW2SW3

L1=_L2

那么我们可以在MAX+plusII中用原理图实现上面的三人表决器

下面仅把和VHDL不同的详细写下,相同或基本相同的就一带而过:

1)打开MAX+plusII

2)新建一个图形文件:File菜单>new


新建文件时选择Graphic Editor file


 

 

点OK

 

3)输入设计文件


我们现在在图形文件中输入电路,我们这个电路需要AND2、OR3、NOT三个逻辑门电路和输入输出端,你可以
Symbol ->Enter Symbol(或者双击空白处)



弹出窗口:



在Symbol Name中输入and2,点OK
同样可以加入or3、input、output、not
对input、output,鼠标左键双击PIN_NAME,那么PIN_NAME被选中,并且变黑,然后输入你要改的名字,如SW1



 

把元件拖动到合适位置,将光标放到元件的引线出,可以发现光标变为十字星,此时摁住左键就可以进行连线。

最后的电路图如下图


4)保存文件:



保存为majority_voter.gdf,Automatic Extension选.gdf

把文件设为当前工程:FILE->PROJECT->SET PROJECT TO CURRENT FILE

 

 

MAX+PLUS II的标题条将显示新的项目名字


 

至此,程序输入就已经完成了

5)检查编译


指定下载的芯片型号
指定芯片的管脚


(参见10分钟学会PLD设计2 -设计的编译
 

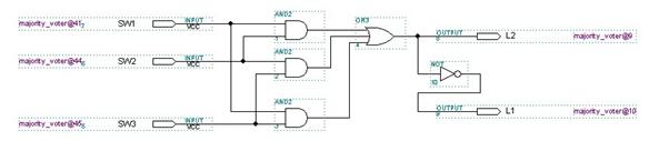
此时的图形为:


下图为SW1放大的图,其中majority_voter@41中前部分为设计的文件名,后面41为EPM7128SLC84-15的41脚,也就是说电路图中SW1被指定到EPM7128SLC84-15的41脚(而实验板上41脚被连接到指拨开关SW1上了,这样电路图上SW1就和实验板上的硬件SW1实现了连接)。


PLD设计1 -设计输入 1.1 采用原理图输入

PLD设计1 -设计输入 1.2 采用VHDL语言输入

PLD设计1 -设计输入 1.3 采用Verilog语言输入

学会PLD设计2 -设计的编译

PLD设计3 -设计的仿真

PLD设计4 -下载

 

 

 

 

以上部分内容转载于网上,如有涉及到版权问题,请即通知本人删除

juntry@126.com