光学  

   你现在的位置:JUNTRY>>主 页>>              今天是:

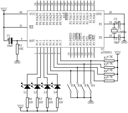
多路开关状态指示

 

1. 实验任务

如图所示, AT89S51 单片机的 P1.0 - P1.3 接四个发光二极管 L1 - L4 , P1.4 - P1.7 接了四个开关 K1 - K4 ,编程将开关的状态反映到发光二极管上。(开关闭合,对应的灯亮,开关断开,对应的灯灭)。

2. 电路原理图

3. 系统板上硬件连线

1. 把“单片机系统”区域中的 P1.0 - P1.3 用导线连接到“八路发光二极管指示模块”区域中的 L1 - L4 端口上;

2. 把“单片机系统”区域中的 P1.4 - P1.7 用导线连接到“四路拨动开关”区域中的 K1 - K4 端口上;

4. 程序设计内容

1. 开关状态检测

对于开关状态检测,相对单片机来说,是输入关系,我们可轮流检测每个开关状态,根据每个开关的状态让相应的发光二极管指示,可以采用 JB P1.X , REL 或 JNB P1.X , REL 指令来完成;也可以一次性检测四路开关状态,然后让其指示,可以采用 MOV A , P1 指令一次把 P1 端口的状态全部读入,然后取高 4 位的状态来指示。

2. 输出控制

根据开关的状态,由发光二极管 L1 - L4 来指示,我们可以用 SETB P1.X 和 CLR P1.X 指令来完成,也可以采用 MOV P1 ,# 1111XXXXB 方法一次指示。

5. 程序框图

6. 方法一(汇编源程序)

ORG 00H

START: MOV A,P1

ANL A,#0F0H

RR A

RR A

RR A

RR A

XOR A,#0F0H

MOV P1,A

SJMP START

END

7. 方法一( C语言源程序)

#include <AT89X51.H>

unsigned char temp;

void main(void)

{

while(1)

{

temp=P1>>4;

temp=temp | 0xf0;

P1=temp;

}

}

8. 方法二(汇编源程序)

ORG 00H

START: JB P1.4,NEXT1

CLR P1.0

SJMP NEX1

NEXT1: SETB P1.0

NEX1: JB P1.5,NEXT2

CLR P1.1

SJMP NEX2

NEXT2: SETB P1.1

NEX2: JB P1.6,NEXT3

CLR P1.2

SJMP NEX3

NEXT3: SETB P1.2

NEX3: JB P1.7,NEXT4

CLR P1.3

SJMP NEX4

NEXT4: SETB P1.3

NEX4: SJMP START

END

9. 方法二( C语言源程序)

#include <AT89X51.H>

void main(void)

{

while(1)

{

if(P1_4==0)

{

P1_0=0;

}

else

{

P1_0=1;

}

if(P1_5==0)

{

P1_1=0;

}

else

{

P1_1=1;

}

if(P1_6==0)

{

P1_2=0;

}

else

{

P1_2=1;

}

if(P1_7==0)

{

P1_3=0;

}

else

{

P1_3=1;

}

}

}

   

 

  · AT89S51单片机试验以及教程 01 闪烁灯

 · AT89S51单片机试验以及教程 02 模拟开关灯

 · AT89S51单片机试验以及教程 03 多路开关状态指示

  · AT89S51单片机试验以及教程 04 广告灯的左移右移

 · AT89S51单片机试验以及教程 05 广告灯(利用取表方式)

  · AT89S51单片机试验以及教程 06 报警产生器

 · AT89S51单片机试验以及教程 07 I/O并行口直接驱动LED显示

 · AT89S51单片机试验以及教程 08 按键识别方法之一

 · AT89S51单片机试验以及教程 09 一键多功能按键识别技术

 · AT89S51单片机试验以及教程 10 00-99计数器

 · AT89S51单片机试验以及教程 11 00-59秒计时器(利用软件延时)

 · AT89S51单片机试验以及教程 12 可预置可逆4位计数器

 · AT89S51单片机试验以及教程 13 动态数码显示技术

  · AT89S51单片机试验以及教程 14 4×4矩阵式键盘识别技术

  · AT89S51单片机试验以及教程 15 定时计数器T0作定时应用技术(一)

  · AT89S51单片机试验以及教程 16 定时计数器T0作定时应用技术(二)

 · AT89S51单片机试验以及教程 17 99秒马表设计

  · AT89S51单片机试验以及教程 18 “嘀、嘀、……”报警声

 · AT89S51单片机试验以及教程 19 “叮咚”门铃

 · AT89S51单片机试验以及教程 20 数字钟

 · AT89S51单片机试验以及教程 21 拉幕式数码显示技术

 · AT89S51单片机试验以及教程 22 电子琴

 · AT89S51单片机试验以及教程 23 模拟计算器数字输入及显示

  · AT89S51单片机试验以及教程 24 8X8 LED点阵显示技术

 · AT89S51单片机试验以及教程 25 点阵式LED“0-9”数字显示技术

 · AT89S51单片机试验以及教程 26 点阵式LED简单图形显示技术

 · AT89S51单片机试验以及教程 27 ADC0809A/D 转换器基本应用技术

 · AT89S51单片机试验以及教程 28 数字电压表

 · AT89S51单片机试验以及教程 29 两点间温度控制

 · AT89S51单片机试验以及教程 30 四位数数字温度计

 · AT89S51单片机试验以及教程 31 6位数显频率计数器

 · AT89S51单片机试验以及教程 32 电子密码锁设计

 · AT89S51单片机试验以及教程 33 4×4键盘及8位数码管显示构成的电子密码锁

 · AT89S51单片机试验以及教程 34 有存储器功能的数字温度计-DS1624技术应用

 · AT89S51单片机试验以及教程 35 DS18B20数字温度计使用

 

 

 

 

以上部分内容转载于网上,如有涉及到版权问题,请即通知本人删除

copyright© 2004-2005 all rights reserved www.JUNTRY(.IK8).com

juntry@126.com