光学  

   你现在的位置:JUNTRY>>主 页>>              今天是:

   

00-59秒计时器(利用软件延时)

 

1.  实验任务

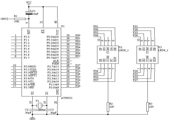
如下图所示,在 AT89S51 单片机的 P0 和 P2 端口分别接有两个共阴数码管, P0 口驱动显示秒时间的十位,而 P2 口驱动显示秒时间的个位。

2.  电路原理图

图 4.11.1

3. 系统板上硬件连线

•  把“单片机系统”区域中的 P0.0/AD0 - P0.7/AD7 端口用 8 芯排线连接到“四路静态数码显示模块”区域中的任一个 a - h 端口上;要求: P0.0/AD0 对应着 a , P0.1/AD1 对应着 b , …… , P0.7/AD7 对应着 h 。

•  把“单片机系统”区域中的 P2.0/A8 - P2.7/A15 端口用 8 芯排线连接到“四路静态数码显示模块”区域中的任一个 a - h 端口上;要求: P2.0/A8 对应着 a , P2.1/A9 对应着 b , …… , P2.7/A15 对应着 h 。

4.  程序设计内容

•  在设计过程中我们用一个存储单元作为秒计数单元,当一秒钟到来时,就让秒计数单元加 1 ,当秒计数达到 60 时,就自动返回到 0 ,从新秒计数。

•  对于秒计数单元中的数据要把它十位数和个数分开,方法仍采用对 10 整除和对 10 求余。

•  在数码上显示,仍通过查表的方式完成。

•  一秒时间的产生在这里我们采用软件精确延时的方法来完成,经过精确计算得到 1 秒时间为 1.002 秒。

DELY1S: MOV R5,#100

D2: MOV R6,#20

D1: MOV R7,#248

DJNZ R7,$

DJNZ R6,D1

DJNZ R5,D2

RET

5. 程序框图

图 4.11.2

6. 汇编源程序

Second EQU 30H

ORG 0

START: MOV Second,#00H

NEXT: MOV A,Second

MOV B,#10

DIV AB

MOV DPTR,#TABLE

MOVC A,@A+DPTR

MOV P0,A

MOV A,B

MOVC A,@A+DPTR

MOV P2,A

LCALL DELY1S

INC Second

MOV A,Second

CJNE A,#60,NEXT

LJMP START

DELY1S: MOV R5,#100

D2: MOV R6,#20

D1: MOV R7,#248

DJNZ R7,$

DJNZ R6,D1

DJNZ R5,D2

RET

TABLE: DB 3FH,06H,5BH,4FH,66H,6DH,7DH,07H,7FH,6FH

END

7. C语言源程序

#include <AT89X51.H>

unsigned char code table[]={0x3f,0x06,0x5b,0x4f,0x66,

0x6d,0x7d,0x07,0x7f,0x6f};

unsigned char Second;

void delay1s(void)

{

unsigned char i,j,k;

for(k=100;k>0;k--)

for(i=20;i>0;i--)

for(j=248;j>0;j--);

}

void main(void)

{

Second=0;

P0=table[Second/10];

P2=table[Second%10];

while(1)

{

delay1s();

Second++;

if(Second==60)

{

Second=0;

}

P0=table[Second/10];

P2=table[Second%10];

}

}

 

  · AT89S51单片机试验以及教程 01 闪烁灯

 · AT89S51单片机试验以及教程 02 模拟开关灯

 · AT89S51单片机试验以及教程 03 多路开关状态指示

  · AT89S51单片机试验以及教程 04 广告灯的左移右移

 · AT89S51单片机试验以及教程 05 广告灯(利用取表方式)

  · AT89S51单片机试验以及教程 06 报警产生器

 · AT89S51单片机试验以及教程 07 I/O并行口直接驱动LED显示

 · AT89S51单片机试验以及教程 08 按键识别方法之一

 · AT89S51单片机试验以及教程 09 一键多功能按键识别技术

 · AT89S51单片机试验以及教程 10 00-99计数器

 · AT89S51单片机试验以及教程 11 00-59秒计时器(利用软件延时)

 · AT89S51单片机试验以及教程 12 可预置可逆4位计数器

 · AT89S51单片机试验以及教程 13 动态数码显示技术

  · AT89S51单片机试验以及教程 14 4×4矩阵式键盘识别技术

  · AT89S51单片机试验以及教程 15 定时计数器T0作定时应用技术(一)

  · AT89S51单片机试验以及教程 16 定时计数器T0作定时应用技术(二)

 · AT89S51单片机试验以及教程 17 99秒马表设计

  · AT89S51单片机试验以及教程 18 “嘀、嘀、……”报警声

 · AT89S51单片机试验以及教程 19 “叮咚”门铃

 · AT89S51单片机试验以及教程 20 数字钟

 · AT89S51单片机试验以及教程 21 拉幕式数码显示技术

 · AT89S51单片机试验以及教程 22 电子琴

 · AT89S51单片机试验以及教程 23 模拟计算器数字输入及显示

  · AT89S51单片机试验以及教程 24 8X8 LED点阵显示技术

 · AT89S51单片机试验以及教程 25 点阵式LED“0-9”数字显示技术

 · AT89S51单片机试验以及教程 26 点阵式LED简单图形显示技术

 · AT89S51单片机试验以及教程 27 ADC0809A/D 转换器基本应用技术

 · AT89S51单片机试验以及教程 28 数字电压表

 · AT89S51单片机试验以及教程 29 两点间温度控制

 · AT89S51单片机试验以及教程 30 四位数数字温度计

 · AT89S51单片机试验以及教程 31 6位数显频率计数器

 · AT89S51单片机试验以及教程 32 电子密码锁设计

 · AT89S51单片机试验以及教程 33 4×4键盘及8位数码管显示构成的电子密码锁

 · AT89S51单片机试验以及教程 34 有存储器功能的数字温度计-DS1624技术应用

 · AT89S51单片机试验以及教程 35 DS18B20数字温度计使用

 

 

 

以上部分内容转载于网上,如有涉及到版权问题,请即通知本人删除

copyright© 2004-2005 all rights reserved www.JUNTRY(.IK8).com

juntry@126.com