光学  

   你现在的位置:JUNTRY>>主 页>>              今天是:

广告灯(利用取表方式)

 

1.  实验任务

利用取表的方法,使端口 P1 做单一灯的变化:左移 2 次,右移 2 次,闪烁 2 次(延时的时间 0.2 秒)。

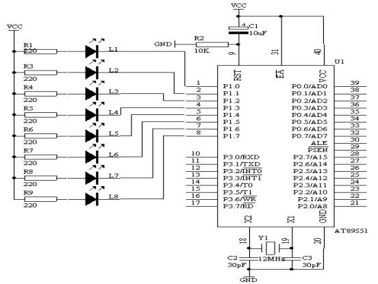
2.  电路原理图

图 4.5.1

3. 系统板上硬件连线

  把“单片机系统”区域中的 P1.0 - P1.7 用 8 芯排线连接到“八路发光二极管指示模块”区域中的 L1 - L8 端口上,要求: P1.0 对应着 L1 , P1.1 对应着 L2 , …… , P1.7 对应着 L8 。

4. 程序设计内容

在用表格进行程序设计的时候,要用以下的指令来完成

•  利用 MOV DPTR ,# DATA16 的指令来使数据指针寄存器指到表的开头。

•  利用 MOVC A ,@ A + DPTR 的指令,根据累加器的值再加上 DPTR 的值,就可以使程序计数器 PC 指到表格内所要取出的数据。

因此,只要把控制码建成一个表,而利用 MOVC  工,@ A + DPTR 做取码的操作,就可方便地处理一些复杂的控制动作,取表过程如下图所示:

5. 程序框图


 

图 4.5.2

6. 汇编源程序

ORG 0

START: MOV DPTR,#TABLE

LOOP: CLR A

MOVC A,@A+DPTR

CJNE A,#01H,LOOP1

JMP START

LOOP1: MOV P1,A

MOV R3,#20

LCALL DELAY

INC DPTR

JMP LOOP

DELAY: MOV R4,#20

D1: MOV R5,#248

DJNZ R5,$

DJNZ R4,D1

DJNZ R3,DELAY

RET

TABLE: DB 0FEH,0FDH,0FBH,0F7H

DB 0EFH,0DFH,0BFH,07FH

DB 0FEH,0FDH,0FBH,0F7H

DB 0EFH,0DFH,0BFH,07FH

DB 07FH,0BFH,0DFH,0EFH

DB 0F7H,0FBH,0FDH,0FEH

DB 07FH,0BFH,0DFH,0EFH

DB 0F7H,0FBH,0FDH,0FEH

DB 00H, 0FFH,00H, 0FFH

DB 01H

END

7.  C语言源程序

#include <AT89X51.H>

unsigned char code table[]={0xfe,0xfd,0xfb,0xf7,

0xef,0xdf,0xbf,0x7f,

0xfe,0xfd,0xfb,0xf7,

0xef,0xdf,0xbf,0x7f,

0x7f,0xbf,0xdf,0xef,

0xf7,0xfb,0xfd,0xfe,

0x7f,0xbf,0xdf,0xef,

0xf7,0xfb,0xfd,0xfe,

0x00,0xff,0x00,0xff,

0x01};

unsigned char i;

void delay(void)

{

unsigned char m,n,s;

for(m=20;m>0;m--)

for(n=20;n>0;n--)

for(s=248;s>0;s--);

}

void main(void)

{

while(1)

{

if(table[i]!=0x01)

{

P1=table[i];

i++;

delay();

}

else

{

i=0;

}

}

}

   

  · AT89S51单片机试验以及教程 01 闪烁灯

 · AT89S51单片机试验以及教程 02 模拟开关灯

 · AT89S51单片机试验以及教程 03 多路开关状态指示

  · AT89S51单片机试验以及教程 04 广告灯的左移右移

 · AT89S51单片机试验以及教程 05 广告灯(利用取表方式)

  · AT89S51单片机试验以及教程 06 报警产生器

 · AT89S51单片机试验以及教程 07 I/O并行口直接驱动LED显示

 · AT89S51单片机试验以及教程 08 按键识别方法之一

 · AT89S51单片机试验以及教程 09 一键多功能按键识别技术

 · AT89S51单片机试验以及教程 10 00-99计数器

 · AT89S51单片机试验以及教程 11 00-59秒计时器(利用软件延时)

 · AT89S51单片机试验以及教程 12 可预置可逆4位计数器

 · AT89S51单片机试验以及教程 13 动态数码显示技术

  · AT89S51单片机试验以及教程 14 4×4矩阵式键盘识别技术

  · AT89S51单片机试验以及教程 15 定时计数器T0作定时应用技术(一)

  · AT89S51单片机试验以及教程 16 定时计数器T0作定时应用技术(二)

 · AT89S51单片机试验以及教程 17 99秒马表设计

  · AT89S51单片机试验以及教程 18 “嘀、嘀、……”报警声

 · AT89S51单片机试验以及教程 19 “叮咚”门铃

 · AT89S51单片机试验以及教程 20 数字钟

 · AT89S51单片机试验以及教程 21 拉幕式数码显示技术

 · AT89S51单片机试验以及教程 22 电子琴

 · AT89S51单片机试验以及教程 23 模拟计算器数字输入及显示

  · AT89S51单片机试验以及教程 24 8X8 LED点阵显示技术

 · AT89S51单片机试验以及教程 25 点阵式LED“0-9”数字显示技术

 · AT89S51单片机试验以及教程 26 点阵式LED简单图形显示技术

 · AT89S51单片机试验以及教程 27 ADC0809A/D 转换器基本应用技术

 · AT89S51单片机试验以及教程 28 数字电压表

 · AT89S51单片机试验以及教程 29 两点间温度控制

 · AT89S51单片机试验以及教程 30 四位数数字温度计

 · AT89S51单片机试验以及教程 31 6位数显频率计数器

 · AT89S51单片机试验以及教程 32 电子密码锁设计

 · AT89S51单片机试验以及教程 33 4×4键盘及8位数码管显示构成的电子密码锁

 · AT89S51单片机试验以及教程 34 有存储器功能的数字温度计-DS1624技术应用

 · AT89S51单片机试验以及教程 35 DS18B20数字温度计使用

 

 

以上部分内容转载于网上,如有涉及到版权问题,请即通知本人删除

copyright© 2004-2005 all rights reserved www.JUNTRY(.IK8).com

juntry@126.com