光学  

   你现在的位置:JUNTRY>>主 页>>              今天是:

   

电子琴

 

1. 实验任务

 1. 由 4X4 组成 16 个按钮矩阵,设计成 16 个音。

 2. 可随意弹奏想要表达的音乐。

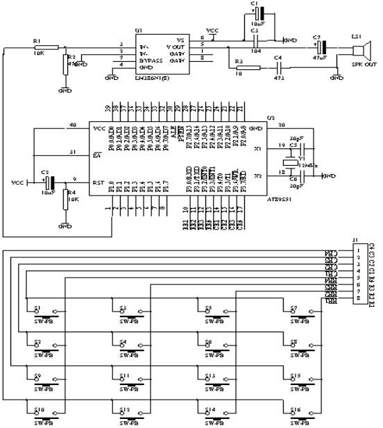
2. 电路原理图

 

3. 系统板硬件连线

 1. 把“单片机系统”区域中的 P1.0 端口用导线连接到“音频放大模块”区域中的 SPK IN 端口上;

 2. 把“单片机系统“区域中的 P3.0 - P3.7 端口用 8 芯排线连接到“ 4X4 行列式键盘”区域中的 C1 - C4 R1 - R4 端口上;

4. 相关程序内容

 1. 4X4 行列式键盘识别;

 2. 音乐产生的方法;

  一首音乐是许多不同的音阶组成的,而每个音阶对应着不同的频率,这样我们就可以利用不同的频率的组合,即可构成我们所想要的音乐了,当然对于单片机来产生不同的频率非常方便,我们可以利用单片机的定时 / 计数器 T0 来产生这样方波频率信号,因此,我们只要把一首歌曲的音阶对应频率关系弄正确即可。现在以单片机 12MHZ 晶振为例,例出高中低音符与单片机计数 T0 相关的计数值如下表所示

音符 频率( HZ ) 简谱码( T 值)   音符 频率( HZ ) 简谱码( T 值)
低 1 DO 262 63628 # 4 FA# 740 64860
#1 DO# 277 63731 中 5 SO 784 64898
低 2 RE 294 63835 # 5 SO# 831 64934
#2 RE# 311 63928 中 6 LA 880 64968
低 3 M 330 64021 # 6 932 64994
低 4 FA 349 64103 中 7 SI 988 65030
# 4 FA# 370 64185 高 1 DO 1046 65058
低 5 SO 392 64260 # 1 DO# 1109 65085
# 5 SO# 415 64331 高 2 RE 1175 65110
低 6 LA 440 64400   # 2 RE# 1245 65134
# 6 466 64463 高 3 M 1318 65157
低 7 SI 494 64524 高 4 FA 1397 65178
中 1 DO 523 64580 # 4 FA# 1480 65198
# 1 DO# 554 64633 高 5 SO 1568 65217
中 2 RE 587 64684 # 5 SO# 1661 65235
# 2 RE# 622 64732 高 6 LA 1760 65252
中 3 M 659 64777 # 6 1865 65268
中 4 FA 698 64820 高 7 SI 1967 65283

下面我们要为这个音符建立一个表格,有助于单片机通过查表的方式来获得相应的数据

低音 0 - 19 之间,中音在 20 - 39 之间,高音在 40 - 59 之间

TABLE: DW 0,63628,63835,64021,64103,64260,64400,64524,0,0

DW 0,63731,63928,0,64185,64331,64463,0,0,0

DW 0,64580,64684,64777,64820,64898,64968,65030,0,0

DW 0,64633,64732,0,64860,64934,64994,0,0,0

DW 0,65058,65110,65157,65178,65217,65252,65283,0,0

DW 0,65085,65134,0,65198,65235,65268,0,0,0

DW 0

2 、音乐的音拍,一个节拍为单位( C 调)

曲调值 DELAY   曲调值 DELAY
调 4/4 125ms   调 4/4 62ms
调 3/4 187ms   调 3/4 94ms
调 2/4 250ms   调 2/4 125ms

对于不同的曲调我们也可以用单片机的另外一个定时 / 计数器来完成。

下面就用 AT89S51 单片机产生一首“生日快乐”歌曲来说明单片机如何产生的。

在这个程序中用到了两个定时 / 计数器来完成的。其中 T0 用来产生音符频率, T1 用来产生音拍。

5. 程序框图

6. 汇编源程序

KEYBUF EQU 30H

STH0 EQU 31H

STL0 EQU 32H

TEMP EQU 33H

ORG 00H

LJMP START

ORG 0BH

LJMP INT_T0

START: MOV TMOD,#01H

SETB ET0

SETB EA

WAIT:

MOV P3,#0FFH

CLR P3.4

MOV A,P3

ANL A,#0FH

XRL A,#0FH

JZ NOKEY1

LCALL DELY10MS

MOV A,P3

ANL A,#0FH

XRL A,#0FH

JZ NOKEY1

MOV A,P3

ANL A,#0FH

CJNE A,#0EH,NK1

MOV KEYBUF,#0

LJMP DK1

NK1: CJNE A,#0DH,NK2

MOV KEYBUF,#1

LJMP DK1

NK2: CJNE A,#0BH,NK3

MOV KEYBUF,#2

LJMP DK1

NK3: CJNE A,#07H,NK4

MOV KEYBUF,#3

LJMP DK1

NK4: NOP

DK1:

MOV A,KEYBUF

MOV DPTR,#TABLE

MOVC A,@A+DPTR

MOV P0,A

MOV A,KEYBUF

MOV B,#2

MUL AB

MOV TEMP,A

MOV DPTR,#TABLE1

MOVC A,@A+DPTR

MOV STH0,A

MOV TH0,A

INC TEMP

MOV A,TEMP

MOVC A,@A+DPTR

MOV STL0,A

MOV TL0,A

SETB TR0

DK1A: MOV A,P3

ANL A,#0FH

XRL A,#0FH

JNZ DK1A

CLR TR0

NOKEY1:

MOV P3,#0FFH

CLR P3.5

MOV A,P3

ANL A,#0FH

XRL A,#0FH

JZ NOKEY2

LCALL DELY10MS

MOV A,P3

ANL A,#0FH

XRL A,#0FH

JZ NOKEY2

MOV A,P3

ANL A,#0FH

CJNE A,#0EH,NK5

MOV KEYBUF,#4

LJMP DK2

NK5: CJNE A,#0DH,NK6

MOV KEYBUF,#5

LJMP DK2

NK6: CJNE A,#0BH,NK7

MOV KEYBUF,#6

LJMP DK2

NK7: CJNE A,#07H,NK8

MOV KEYBUF,#7

LJMP DK2

NK8: NOP

DK2:

MOV A,KEYBUF

MOV DPTR,#TABLE

MOVC A,@A+DPTR

MOV P0,A

MOV A,KEYBUF

MOV B,#2

MUL AB

MOV TEMP,A

MOV DPTR,#TABLE1

MOVC A,@A+DPTR

MOV STH0,A

MOV TH0,A

INC TEMP

MOV A,TEMP

MOVC A,@A+DPTR

MOV STL0,A

MOV TL0,A

SETB TR0

DK2A: MOV A,P3

ANL A,#0FH

XRL A,#0FH

JNZ DK2A

CLR TR0

NOKEY2:

MOV P3,#0FFH

CLR P3.6

MOV A,P3

ANL A,#0FH

XRL A,#0FH

JZ NOKEY3

LCALL DELY10MS

MOV A,P3

ANL A,#0FH

XRL A,#0FH

JZ NOKEY3

MOV A,P3

ANL A,#0FH

CJNE A,#0EH,NK9

MOV KEYBUF,#8

LJMP DK3

NK9: CJNE A,#0DH,NK10

MOV KEYBUF,#9

LJMP DK3

NK10: CJNE A,#0BH,NK11

MOV KEYBUF,#10

LJMP DK3

NK11: CJNE A,#07H,NK12

MOV KEYBUF,#11

LJMP DK3

NK12: NOP

DK3:

MOV A,KEYBUF

MOV DPTR,#TABLE

MOVC A,@A+DPTR

MOV P0,A

MOV A,KEYBUF

MOV B,#2

MUL AB

MOV TEMP,A

MOV DPTR,#TABLE1

MOVC A,@A+DPTR

MOV STH0,A

MOV TH0,A

INC TEMP

MOV A,TEMP

MOVC A,@A+DPTR

MOV STL0,A

MOV TL0,A

SETB TR0

DK3A: MOV A,P3

ANL A,#0FH

XRL A,#0FH

JNZ DK3A

CLR TR0

NOKEY3:

MOV P3,#0FFH

CLR P3.7

MOV A,P3

ANL A,#0FH

XRL A,#0FH

JZ NOKEY4

LCALL DELY10MS

MOV A,P3

ANL A,#0FH

XRL A,#0FH

JZ NOKEY4

MOV A,P3

ANL A,#0FH

CJNE A,#0EH,NK13

MOV KEYBUF,#12

LJMP DK4

NK13: CJNE A,#0DH,NK14

MOV KEYBUF,#13

LJMP DK4

NK14: CJNE A,#0BH,NK15

MOV KEYBUF,#14

LJMP DK4

NK15: CJNE A,#07H,NK16

MOV KEYBUF,#15

LJMP DK4

NK16: NOP

DK4:

MOV A,KEYBUF

MOV DPTR,#TABLE

MOVC A,@A+DPTR

MOV P0,A

MOV A,KEYBUF

MOV B,#2

MUL AB

MOV TEMP,A

MOV DPTR,#TABLE1

MOVC A,@A+DPTR

MOV STH0,A

MOV TH0,A

INC TEMP

MOV A,TEMP

MOVC A,@A+DPTR

MOV STL0,A

MOV TL0,A

SETB TR0

DK4A: MOV A,P3

ANL A,#0FH

XRL A,#0FH

JNZ DK4A

CLR TR0

NOKEY4:

LJMP WAIT

DELY10MS:

MOV R6,#10

D1: MOV R7,#248

DJNZ R7,$

DJNZ R6,D1

RET

INT_T0:

MOV TH0,STH0

MOV TL0,STL0

CPL P1.0

RETI

TABLE: DB 3FH,06H,5BH,4FH,66H,6DH,7DH,07H

DB 7FH,6FH,77H,7CH,39H,5EH,79H,71H

TABLE1: DW 64021,64103,64260,64400

DW 64524,64580,64684,64777

DW 64820,64898,64968,65030

DW 65058,65110,65157,65178

END

7. C 语言源程序

#include <AT89X51.H>

unsigned char code table[]={0x3f,0x06,0x5b,0x4f,

0x66,0x6d,0x7d,0x07,

0x7f,0x6f,0x77,0x7c,

0x39,0x5e,0x79,0x71};

unsigned char temp;

unsigned char key;

unsigned char i,j;

unsigned char STH0;

unsigned char STL0;

unsigned int code tab[]={64021,64103,64260,64400,

64524,64580,64684,64777,

64820,64898,64968,65030,

65058,65110,65157,65178};

void main(void)

{

TMOD=0x01;

ET0=1;

EA=1;

while(1)

{

P3=0xff;

P3_4=0;

temp=P3;

temp=temp & 0x0f;

if (temp!=0x0f)

{

for(i=50;i>0;i--)

for(j=200;j>0;j--);

temp=P3;

temp=temp & 0x0f;

if (temp!=0x0f)

{

temp=P3;

temp=temp & 0x0f;

switch(temp)

{

case 0x0e:

key=0;

break;

case 0x0d:

key=1;

break;

case 0x0b:

key=2;

break;

case 0x07:

key=3;

break;

}

temp=P3;

P1_0=~P1_0;

P0=table[key];

STH0=tab[key]/256;

STL0=tab[key]%256;

TR0=1;

temp=temp & 0x0f;

while(temp!=0x0f)

{

temp=P3;

temp=temp & 0x0f;

}

TR0=0;

}

}

P3=0xff;

P3_5=0;

temp=P3;

temp=temp & 0x0f;

if (temp!=0x0f)

{

for(i=50;i>0;i--)

for(j=200;j>0;j--);

temp=P3;

temp=temp & 0x0f;

if (temp!=0x0f)

{

temp=P3;

temp=temp & 0x0f;

switch(temp)

{

case 0x0e:

key=4;

break;

case 0x0d:

key=5;

break;

case 0x0b:

key=6;

break;

case 0x07:

key=7;

break;

}

temp=P3;

P1_0=~P1_0;

P0=table[key];

STH0=tab[key]/256;

STL0=tab[key]%256;

TR0=1;

temp=temp & 0x0f;

while(temp!=0x0f)

{

temp=P3;

temp=temp & 0x0f;

}

TR0=0;

}

}

P3=0xff;

P3_6=0;

temp=P3;

temp=temp & 0x0f;

if (temp!=0x0f)

{

for(i=50;i>0;i--)

for(j=200;j>0;j--);

temp=P3;

temp=temp & 0x0f;

if (temp!=0x0f)

{

temp=P3;

temp=temp & 0x0f;

switch(temp)

{

case 0x0e:

key=8;

break;

case 0x0d:

key=9;

break;

case 0x0b:

key=10;

break;

case 0x07:

key=11;

break;

}

temp=P3;

P1_0=~P1_0;

P0=table[key];

STH0=tab[key]/256;

STL0=tab[key]%256;

TR0=1;

temp=temp & 0x0f;

while(temp!=0x0f)

{

temp=P3;

temp=temp & 0x0f;

}

TR0=0;

}

}

P3=0xff;

P3_7=0;

temp=P3;

temp=temp & 0x0f;

if (temp!=0x0f)

{

for(i=50;i>0;i--)

for(j=200;j>0;j--);

temp=P3;

temp=temp & 0x0f;

if (temp!=0x0f)

{

temp=P3;

temp=temp & 0x0f;

switch(temp)

{

case 0x0e:

key=12;

break;

case 0x0d:

key=13;

break;

case 0x0b:

key=14;

break;

case 0x07:

key=15;

break;

}

temp=P3;

P1_0=~P1_0;

P0=table[key];

STH0=tab[key]/256;

STL0=tab[key]%256;

TR0=1;

temp=temp & 0x0f;

while(temp!=0x0f)

{

temp=P3;

temp=temp & 0x0f;

}

TR0=0;

}

}

}

}

void t0(void) interrupt 1 using 0

{

TH0=STH0;

TL0=STL0;

P1_0=~P1_0;

}

 

  · AT89S51单片机试验以及教程 01 闪烁灯

 · AT89S51单片机试验以及教程 02 模拟开关灯

 · AT89S51单片机试验以及教程 03 多路开关状态指示

  · AT89S51单片机试验以及教程 04 广告灯的左移右移

 · AT89S51单片机试验以及教程 05 广告灯(利用取表方式)

  · AT89S51单片机试验以及教程 06 报警产生器

 · AT89S51单片机试验以及教程 07 I/O并行口直接驱动LED显示

 · AT89S51单片机试验以及教程 08 按键识别方法之一

 · AT89S51单片机试验以及教程 09 一键多功能按键识别技术

 · AT89S51单片机试验以及教程 10 00-99计数器

 · AT89S51单片机试验以及教程 11 00-59秒计时器(利用软件延时)

 · AT89S51单片机试验以及教程 12 可预置可逆4位计数器

 · AT89S51单片机试验以及教程 13 动态数码显示技术

  · AT89S51单片机试验以及教程 14 4×4矩阵式键盘识别技术

  · AT89S51单片机试验以及教程 15 定时计数器T0作定时应用技术(一)

  · AT89S51单片机试验以及教程 16 定时计数器T0作定时应用技术(二)

 · AT89S51单片机试验以及教程 17 99秒马表设计

  · AT89S51单片机试验以及教程 18 “嘀、嘀、……”报警声

 · AT89S51单片机试验以及教程 19 “叮咚”门铃

 · AT89S51单片机试验以及教程 20 数字钟

 · AT89S51单片机试验以及教程 21 拉幕式数码显示技术

 · AT89S51单片机试验以及教程 22 电子琴

 · AT89S51单片机试验以及教程 23 模拟计算器数字输入及显示

  · AT89S51单片机试验以及教程 24 8X8 LED点阵显示技术

 · AT89S51单片机试验以及教程 25 点阵式LED“0-9”数字显示技术

 · AT89S51单片机试验以及教程 26 点阵式LED简单图形显示技术

 · AT89S51单片机试验以及教程 27 ADC0809A/D 转换器基本应用技术

 · AT89S51单片机试验以及教程 28 数字电压表

 · AT89S51单片机试验以及教程 29 两点间温度控制

 · AT89S51单片机试验以及教程 30 四位数数字温度计

 · AT89S51单片机试验以及教程 31 6位数显频率计数器

 · AT89S51单片机试验以及教程 32 电子密码锁设计

 · AT89S51单片机试验以及教程 33 4×4键盘及8位数码管显示构成的电子密码锁

 · AT89S51单片机试验以及教程 34 有存储器功能的数字温度计-DS1624技术应用

 · AT89S51单片机试验以及教程 35 DS18B20数字温度计使用

 

 

 

 

以上部分内容转载于网上,如有涉及到版权问题,请即通知本人删除

copyright© 2004-2005 all rights reserved www.JUNTRY(.IK8).com

juntry@126.com