光学  

   你现在的位置:JUNTRY>>主 页>>              今天是:

   

点阵式LED简单图形显示技术

 

1. 实验任务

在 8X8 点阵式 LED 显示“ ★”、“●”和心形图,通过按键来选择要显示的图形。

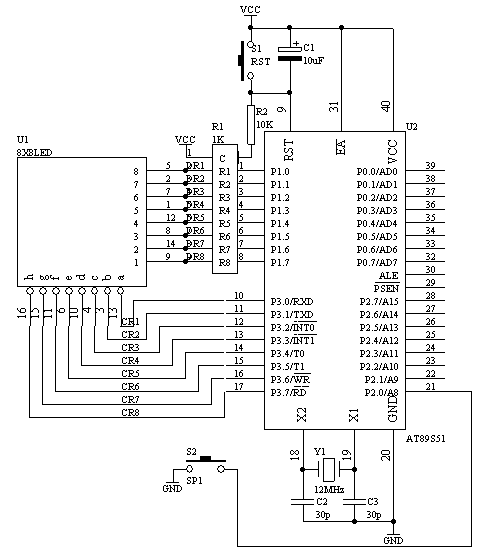
2. 电路原理图

3. 硬件系统连线

(1). 把“单片机系统”区域中的 P1 端口用 8 芯排芯连接到“点阵模块”区域中的“ DR1 - DR8 ”端口上;

(2). 把“单片机系统”区域中的 P3 端口用 8 芯排芯连接到“点阵模块”区域中的“ DC1 - DC8 ”端口上;

(3). 把“单片机系统”区域中的 P2.0/A8 端子用导线连接到“独立式键盘”区域中的 SP1 端子上;

4. 程序设计内容

(1). “ ★”在8X8LED点阵上显示图如下图所示

1 2 3 4 5 6 7 8

             
             
         
 
         
       
           
               

12H , 14H , 3CH , 48H , 3CH , 14H , 12H , 00H

(2). “ ●”在8X8LED点阵上显示图如下图所示

1 2 3 4 5 6 7 8

               
         
           
           
           
         
               
               

00H , 00H , 38H , 44H , 44H , 44H , 38H , 00H

(3). 心形图在 8X8LED点阵上显示图如下图所示

1 2 3 4 5 6 7 8

               
       
         
           
           
           
             
               

30H , 48H , 44H , 22H , 44H , 48H , 30H , 00H

5. 汇编源程序

CNTA EQU 30H

COUNT EQU 31H

ORG 00H

LJMP START

ORG 0BH

LJMP T0X

ORG 30H

START: MOV CNTA,#00H

MOV COUNT,#00H

MOV TMOD,#01H

MOV TH0,#(65536-4000) / 256

MOV TL0,#(65536-4000) MOD 256

SETB TR0

SETB ET0

SETB EA

WT: JB P2.0,WT

MOV R6,#5

MOV R7,#248

D1: DJNZ R7,$

DJNZ R6,D1

JB P2.0,WT

INC COUNT

MOV A,COUNT

CJNE A,#03H,NEXT

MOV COUNT,#00H

NEXT: JNB P2.0,$

SJMP WT

T0X: NOP

MOV TH0,#(65536-4000) / 256

MOV TL0,#(65536-4000) MOD 256

MOV DPTR,#TAB

MOV A,CNTA

MOVC A,@A+DPTR

MOV P3,A

MOV DPTR,#GRAPH

MOV A,COUNT

MOV B,#8

MUL AB

ADD A,CNTA

MOVC A,@A+DPTR

MOV P1,A

INC CNTA

MOV A,CNTA

CJNE A,#8,NEX

MOV CNTA,#00H

NEX: RETI

TAB: DB 0FEH,0FDH,0FBH,0F7H,0EFH,0DFH,0BFH,07FH

GRAPH: DB 12H,14H,3CH,48H,3CH,14H,12H,00H

DB 00H,00H,38H,44H,44H,44H,38H,00H

DB 30H,48H,44H,22H,44H,48H,30H,00H

END

6. C语言源程序

#include <AT89X52.H>

unsigned char code tab[]={0xfe,0xfd,0xfb,0xf7,0xef,0xdf,0xbf,0x7f};

unsigned char code graph[3][8]={{0x12,0x14,0x3c,0x48,0x3c,0x14,0x12,0x00},

{0x00,0x00,0x38,0x44,0x44,0x44,0x38,0x00},

{0x30,0x48,0x44,0x22,0x44,0x48,0x30,0x00}

};

unsigned char count;

unsigned char cnta;

void main(void)

{

unsigned char i,j;

TMOD=0x01;

TH0=(65536-4000)/256;

TL0=(65536-4000)%256;

TR0=1;

ET0=1;

EA=1;

while(1)

{

if(P2_0==0)

{

for(i=5;i>0;i--)

for(j=248;j>0;j--);

if(P2_0==0)

{

count++;

if(count==3)

{

count=0;

}

while(P2_0==0);

}

}

}

}

void t0(void) interrupt 1 using 0

{

TH0=(65536-4000)/256;

TL0=(65536-4000)%256;

P3=tab[cnta];

P1=graph[count][cnta];

cnta++;

if(cnta==8)

{

cnta=0;

}

}

 

  · AT89S51单片机试验以及教程 01 闪烁灯

 · AT89S51单片机试验以及教程 02 模拟开关灯

 · AT89S51单片机试验以及教程 03 多路开关状态指示

  · AT89S51单片机试验以及教程 04 广告灯的左移右移

 · AT89S51单片机试验以及教程 05 广告灯(利用取表方式)

  · AT89S51单片机试验以及教程 06 报警产生器

 · AT89S51单片机试验以及教程 07 I/O并行口直接驱动LED显示

 · AT89S51单片机试验以及教程 08 按键识别方法之一

 · AT89S51单片机试验以及教程 09 一键多功能按键识别技术

 · AT89S51单片机试验以及教程 10 00-99计数器

 · AT89S51单片机试验以及教程 11 00-59秒计时器(利用软件延时)

 · AT89S51单片机试验以及教程 12 可预置可逆4位计数器

 · AT89S51单片机试验以及教程 13 动态数码显示技术

  · AT89S51单片机试验以及教程 14 4×4矩阵式键盘识别技术

  · AT89S51单片机试验以及教程 15 定时计数器T0作定时应用技术(一)

  · AT89S51单片机试验以及教程 16 定时计数器T0作定时应用技术(二)

 · AT89S51单片机试验以及教程 17 99秒马表设计

  · AT89S51单片机试验以及教程 18 “嘀、嘀、……”报警声

 · AT89S51单片机试验以及教程 19 “叮咚”门铃

 · AT89S51单片机试验以及教程 20 数字钟

 · AT89S51单片机试验以及教程 21 拉幕式数码显示技术

 · AT89S51单片机试验以及教程 22 电子琴

 · AT89S51单片机试验以及教程 23 模拟计算器数字输入及显示

  · AT89S51单片机试验以及教程 24 8X8 LED点阵显示技术

 · AT89S51单片机试验以及教程 25 点阵式LED“0-9”数字显示技术

 · AT89S51单片机试验以及教程 26 点阵式LED简单图形显示技术

 · AT89S51单片机试验以及教程 27 ADC0809A/D 转换器基本应用技术

 · AT89S51单片机试验以及教程 28 数字电压表

 · AT89S51单片机试验以及教程 29 两点间温度控制

 · AT89S51单片机试验以及教程 30 四位数数字温度计

 · AT89S51单片机试验以及教程 31 6位数显频率计数器

 · AT89S51单片机试验以及教程 32 电子密码锁设计

 · AT89S51单片机试验以及教程 33 4×4键盘及8位数码管显示构成的电子密码锁

 · AT89S51单片机试验以及教程 34 有存储器功能的数字温度计-DS1624技术应用

 · AT89S51单片机试验以及教程 35 DS18B20数字温度计使用

 

 

 

 

 

以上部分内容转载于网上,如有涉及到版权问题,请即通知本人删除

copyright© 2004-2005 all rights reserved www.JUNTRY(.IK8).com

juntry@126.com