光学  

   你现在的位置:JUNTRY>>主 页>>              今天是:

   

“嘀、嘀、……”报警声

 

1. 实验任务

  用 AT89S51 单片机产生“嘀、嘀、 … ”报警声从 P1.0 端口输出,产生频率为 1KHz ,根据上面图可知: 1KHZ 方波从 P1.0 输出 0.2 秒,接着 0.2 秒从 P1.0 输出电平信号,如此循环下去,就形成我们所需的报警声了。

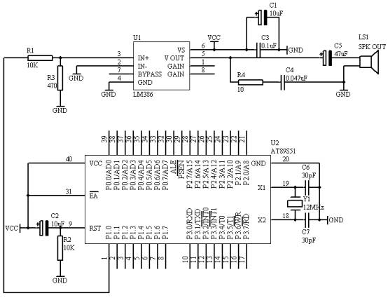
2. 电路原理图

3. 系统板硬件连线

 1. 把“单片机系统”区域中的 P1.0 端口用导线连接到“音频放大模块”区域中的 SPK IN 端口上,

 2. 在“音频放大模块”区域中的 SPK OUT 端口上接上一个 8 欧或者是 16 欧的喇叭;

4. 程序设计方法

   1 .生活中我们常常到各种各样的报警声,例如“嘀、嘀、 … ”就是常见的一种声音报警声,但对于这种报警声,嘀 0.2 秒钟,然后断 0.2 秒钟,如此循环下去,假设嘀声的频率为 1KHz ,则报警声时序图如下图所示:

上述波形信号如何用单片机来产生呢?

  2. 由于要产生上面的信号,我们把上面的信号分成两部分,一部分为 1KHZ 方波,占用时间为 0.2 秒;另一部分为电平,也是占用 0.2 秒;因此,我们利用单片机的定时 / 计数器 T0 作为定时,可以定时 0.2 秒;同时,也要用单片机产生 1KHZ 的方波,对于 1KHZ 的方波信号周期为 1ms ,高电平占用 0.5ms ,低电平占用 0.5ms ,因此也采用定时器 T0 来完成 0.5ms 的定时;最后,可以选定定时 / 计数器 T0 的定时时间为 0.5ms ,而要定时 0.2 秒则是 0.5ms 的 400 倍,也就是说以 0.5ms 定时 400 次就达到 0.2 秒的定时时间了。

5. 程序框图

主程序框图

中断服务程序框图

6. 汇编源程序

T02SA EQU 30H

T02SB EQU 31H

FLAG BIT 00H

ORG 00H

LJMP START

ORG 0BH

LJMP INT_T0

START: MOV T02SA,#00H

MOV T02SB,#00H

CLR FLAG

MOV TMOD,#01H

MOV TH0,#(65536-500) / 256

MOV TL0,#(65536-500) MOD 256

SETB TR0

SETB ET0

SETB EA

SJMP $

INT_T0:

MOV TH0,#(65536-500) / 256

MOV TL0,#(65536-500) MOD 256

INC T02SA

MOV A,T02SA

CJNE A,#100,NEXT

INC T02SB

MOV A,T02SB

CJNE A,#04H,NEXT

MOV T02SA,#00H

MOV T02SB,#00H

CPL FLAG

NEXT: JB FLAG,DONE

CPL P1.0

DONE: RETI

END

7. C语言源程序

#include <AT89X51.H>

unsigned int t02s;

unsigned char t05ms;

bit flag;

void main(void)

{

TMOD=0x01;

TH0=(65536-500)/256;

TL0=(65536-500)%256;

TR0=1;

ET0=1;

EA=1;

while(1);

}

void t0(void) interrupt 1 using 0

{

TH0=(65536-500)/256;

TL0=(65536-500)%256;

t02s++;

if(t02s==400)

{

t02s=0;

flag=~flag;

}

if(flag==0)

{

P1_0=~P1_0;

}

}

 

  · AT89S51单片机试验以及教程 01 闪烁灯

 · AT89S51单片机试验以及教程 02 模拟开关灯

 · AT89S51单片机试验以及教程 03 多路开关状态指示

  · AT89S51单片机试验以及教程 04 广告灯的左移右移

 · AT89S51单片机试验以及教程 05 广告灯(利用取表方式)

  · AT89S51单片机试验以及教程 06 报警产生器

 · AT89S51单片机试验以及教程 07 I/O并行口直接驱动LED显示

 · AT89S51单片机试验以及教程 08 按键识别方法之一

 · AT89S51单片机试验以及教程 09 一键多功能按键识别技术

 · AT89S51单片机试验以及教程 10 00-99计数器

 · AT89S51单片机试验以及教程 11 00-59秒计时器(利用软件延时)

 · AT89S51单片机试验以及教程 12 可预置可逆4位计数器

 · AT89S51单片机试验以及教程 13 动态数码显示技术

  · AT89S51单片机试验以及教程 14 4×4矩阵式键盘识别技术

  · AT89S51单片机试验以及教程 15 定时计数器T0作定时应用技术(一)

  · AT89S51单片机试验以及教程 16 定时计数器T0作定时应用技术(二)

 · AT89S51单片机试验以及教程 17 99秒马表设计

  · AT89S51单片机试验以及教程 18 “嘀、嘀、……”报警声

 · AT89S51单片机试验以及教程 19 “叮咚”门铃

 · AT89S51单片机试验以及教程 20 数字钟

 · AT89S51单片机试验以及教程 21 拉幕式数码显示技术

 · AT89S51单片机试验以及教程 22 电子琴

 · AT89S51单片机试验以及教程 23 模拟计算器数字输入及显示

  · AT89S51单片机试验以及教程 24 8X8 LED点阵显示技术

 · AT89S51单片机试验以及教程 25 点阵式LED“0-9”数字显示技术

 · AT89S51单片机试验以及教程 26 点阵式LED简单图形显示技术

 · AT89S51单片机试验以及教程 27 ADC0809A/D 转换器基本应用技术

 · AT89S51单片机试验以及教程 28 数字电压表

 · AT89S51单片机试验以及教程 29 两点间温度控制

 · AT89S51单片机试验以及教程 30 四位数数字温度计

 · AT89S51单片机试验以及教程 31 6位数显频率计数器

 · AT89S51单片机试验以及教程 32 电子密码锁设计

 · AT89S51单片机试验以及教程 33 4×4键盘及8位数码管显示构成的电子密码锁

 · AT89S51单片机试验以及教程 34 有存储器功能的数字温度计-DS1624技术应用

 · AT89S51单片机试验以及教程 35 DS18B20数字温度计使用

 

 

 

 

以上部分内容转载于网上,如有涉及到版权问题,请即通知本人删除

copyright© 2004-2005 all rights reserved www.JUNTRY(.IK8).com

juntry@126.com