光学  

   你现在的位置:JUNTRY>>主 页>>              今天是:

   

4×4矩阵式键盘识别技术

 

1. 实验任务

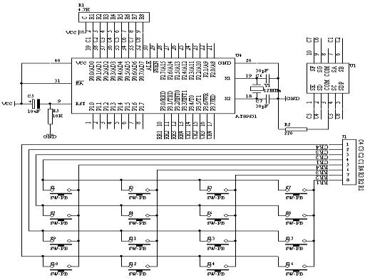
如图 4.14.2所示,用AT89S51的并行口P1接4×4矩阵键盘,以P1.0-P1.3作输入线,以P1.4-P1.7作输出线;在数码管上显示每个按键的“0-F”序号。对应的按键的序号排列如图4.14.1所示

图 4.14.1

2. 硬件电路原理图

图 4.14.2

3.  系统板上硬件连线

•  把“单片机系统“区域中的 P3.0 - P3.7 端口用 8 芯排线连接到“ 4X4 行列式键盘”区域中的 C1 - C4 R1 - R4 端口上;

•  把“单片机系统”区域中的 P0.0/AD0 - P0.7/AD7 端口用 8 芯排线连接到“四路静态数码显示模块”区域中的任一个 a - h 端口上;要求: P0.0/AD0 对应着 a , P0.1/AD1 对应着 b , …… , P0.7/AD7 对应着 h 。

4. 程序设计内容

•  4×4矩阵键盘识别处理

•  每个按键有它的行值和列值 ,行值和列值的组合就是识别这个按键的编码。矩阵的行线和列线分别通过两并行接口和 CPU通信。每个按键的状态同样需变成数字量“0”和“1”,开关的一端(列线)通过电阻接V CC ,而接地是通过程序输出数字“0”实现的。键盘处理程序的任务是:确定有无键按下,判断哪一个键按下,键的功能是什么;还要消除按键在闭合或断开时的抖动。两个并行口中,一个输出扫描码,使按键逐行动态接地,另一个并行口输入按键状态,由行扫描值和回馈信号共同形成键编码而识别按键,通过软件查表,查出该键的功能。

5. 程序框图

图 4.14.3

6. 汇编源程序

KEYBUF EQU 30H

ORG 00H

START: MOV KEYBUF,#2

WAIT:

MOV P3,#0FFH

CLR P3.4

MOV A,P3

ANL A,#0FH

XRL A,#0FH

JZ NOKEY1

LCALL DELY10MS

MOV A,P3

ANL A,#0FH

XRL A,#0FH

JZ NOKEY1

MOV A,P3

ANL A,#0FH

CJNE A,#0EH,NK1

MOV KEYBUF,#0

LJMP DK1

NK1: CJNE A,#0DH,NK2

MOV KEYBUF,#1

LJMP DK1

NK2: CJNE A,#0BH,NK3

MOV KEYBUF,#2

LJMP DK1

NK3: CJNE A,#07H,NK4

MOV KEYBUF,#3

LJMP DK1

NK4: NOP

DK1:

MOV A,KEYBUF

MOV DPTR,#TABLE

MOVC A,@A+DPTR

MOV P0,A

DK1A: MOV A,P3

ANL A,#0FH

XRL A,#0FH

JNZ DK1A

NOKEY1:

MOV P3,#0FFH

CLR P3.5

MOV A,P3

ANL A,#0FH

XRL A,#0FH

JZ NOKEY2

LCALL DELY10MS

MOV A,P3

ANL A,#0FH

XRL A,#0FH

JZ NOKEY2

MOV A,P3

ANL A,#0FH

CJNE A,#0EH,NK5

MOV KEYBUF,#4

LJMP DK2

NK5: CJNE A,#0DH,NK6

MOV KEYBUF,#5

LJMP DK2

NK6: CJNE A,#0BH,NK7

MOV KEYBUF,#6

LJMP DK2

NK7: CJNE A,#07H,NK8

MOV KEYBUF,#7

LJMP DK2

NK8: NOP

DK2:

MOV A,KEYBUF

MOV DPTR,#TABLE

MOVC A,@A+DPTR

MOV P0,A

DK2A: MOV A,P3

ANL A,#0FH

XRL A,#0FH

JNZ DK2A

NOKEY2:

MOV P3,#0FFH

CLR P3.6

MOV A,P3

ANL A,#0FH

XRL A,#0FH

JZ NOKEY3

LCALL DELY10MS

MOV A,P3

ANL A,#0FH

XRL A,#0FH

JZ NOKEY3

MOV A,P3

ANL A,#0FH

CJNE A,#0EH,NK9

MOV KEYBUF,#8

LJMP DK3

NK9: CJNE A,#0DH,NK10

MOV KEYBUF,#9

LJMP DK3

NK10: CJNE A,#0BH,NK11

MOV KEYBUF,#10

LJMP DK3

NK11: CJNE A,#07H,NK12

MOV KEYBUF,#11

LJMP DK3

NK12: NOP

DK3:

MOV A,KEYBUF

MOV DPTR,#TABLE

MOVC A,@A+DPTR

MOV P0,A

DK3A: MOV A,P3

ANL A,#0FH

XRL A,#0FH

JNZ DK3A

NOKEY3:

MOV P3,#0FFH

CLR P3.7

MOV A,P3

ANL A,#0FH

XRL A,#0FH

JZ NOKEY4

LCALL DELY10MS

MOV A,P3

ANL A,#0FH

XRL A,#0FH

JZ NOKEY4

MOV A,P3

ANL A,#0FH

CJNE A,#0EH,NK13

MOV KEYBUF,#12

LJMP DK4

NK13: CJNE A,#0DH,NK14

MOV KEYBUF,#13

LJMP DK4

NK14: CJNE A,#0BH,NK15

MOV KEYBUF,#14

LJMP DK4

NK15: CJNE A,#07H,NK16

MOV KEYBUF,#15

LJMP DK4

NK16: NOP

DK4:

MOV A,KEYBUF

MOV DPTR,#TABLE

MOVC A,@A+DPTR

MOV P0,A

DK4A: MOV A,P3

ANL A,#0FH

XRL A,#0FH

JNZ DK4A

NOKEY4:

LJMP WAIT

DELY10MS:

MOV R6,#10

D1: MOV R7,#248

DJNZ R7,$

DJNZ R6,D1

RET

TABLE: DB 3FH,06H,5BH,4FH,66H,6DH,7DH,07H

DB 7FH,6FH,77H,7CH,39H,5EH,79H,71H

END

7.  C语言源程序

#include <AT89X51.H>

unsigned char code table[]={0x3f,0x06,0x5b,0x4f,

0x66,0x6d,0x7d,0x07,

0x7f,0x6f,0x77,0x7c,

0x39,0x5e,0x79,0x71};

unsigned char temp;

unsigned char key;

unsigned char i,j;

void main(void)

{

while(1)

{

P3=0xff;

P3_4=0;

temp=P3;

temp=temp & 0x0f;

if (temp!=0x0f)

{

for(i=50;i>0;i--)

for(j=200;j>0;j--);

temp=P3;

temp=temp & 0x0f;

if (temp!=0x0f)

{

temp=P3;

temp=temp & 0x0f;

switch(temp)

{

case 0x0e:

key=7;

break;

case 0x0d:

key=8;

break;

case 0x0b:

key=9;

break;

case 0x07:

key=10;

break;

}

temp=P3;

P1_0=~P1_0;

P0=table[key];

temp=temp & 0x0f;

while(temp!=0x0f)

{

temp=P3;

temp=temp & 0x0f;

}

}

}

P3=0xff;

P3_5=0;

temp=P3;

temp=temp & 0x0f;

if (temp!=0x0f)

{

for(i=50;i>0;i--)

for(j=200;j>0;j--);

temp=P3;

temp=temp & 0x0f;

if (temp!=0x0f)

{

temp=P3;

temp=temp & 0x0f;

switch(temp)

{

case 0x0e:

key=4;

break;

case 0x0d:

key=5;

break;

case 0x0b:

key=6;

break;

case 0x07:

key=11;

break;

}

temp=P3;

P1_0=~P1_0;

P0=table[key];

temp=temp & 0x0f;

while(temp!=0x0f)

{

temp=P3;

temp=temp & 0x0f;

}

}

}

P3=0xff;

P3_6=0;

temp=P3;

temp=temp & 0x0f;

if (temp!=0x0f)

{

for(i=50;i>0;i--)

for(j=200;j>0;j--);

temp=P3;

temp=temp & 0x0f;

if (temp!=0x0f)

{

temp=P3;

temp=temp & 0x0f;

switch(temp)

{

case 0x0e:

key=1;

break;

case 0x0d:

key=2;

break;

case 0x0b:

key=3;

break;

case 0x07:

key=12;

break;

}

temp=P3;

P1_0=~P1_0;

P0=table[key];

temp=temp & 0x0f;

while(temp!=0x0f)

{

temp=P3;

temp=temp & 0x0f;

}

}

}

P3=0xff;

P3_7=0;

temp=P3;

temp=temp & 0x0f;

if (temp!=0x0f)

{

for(i=50;i>0;i--)

for(j=200;j>0;j--);

temp=P3;

temp=temp & 0x0f;

if (temp!=0x0f)

{

temp=P3;

temp=temp & 0x0f;

switch(temp)

{

case 0x0e:

key=0;

break;

case 0x0d:

key=13;

break;

case 0x0b:

key=14;

break;

case 0x07:

key=15;

break;

}

temp=P3;

P1_0=~P1_0;

P0=table[key];

temp=temp & 0x0f;

while(temp!=0x0f)

{

temp=P3;

temp=temp & 0x0f;

}

}

}

}

}

 

  · AT89S51单片机试验以及教程 01 闪烁灯

 · AT89S51单片机试验以及教程 02 模拟开关灯

 · AT89S51单片机试验以及教程 03 多路开关状态指示

  · AT89S51单片机试验以及教程 04 广告灯的左移右移

 · AT89S51单片机试验以及教程 05 广告灯(利用取表方式)

  · AT89S51单片机试验以及教程 06 报警产生器

 · AT89S51单片机试验以及教程 07 I/O并行口直接驱动LED显示

 · AT89S51单片机试验以及教程 08 按键识别方法之一

 · AT89S51单片机试验以及教程 09 一键多功能按键识别技术

 · AT89S51单片机试验以及教程 10 00-99计数器

 · AT89S51单片机试验以及教程 11 00-59秒计时器(利用软件延时)

 · AT89S51单片机试验以及教程 12 可预置可逆4位计数器

 · AT89S51单片机试验以及教程 13 动态数码显示技术

  · AT89S51单片机试验以及教程 14 4×4矩阵式键盘识别技术

  · AT89S51单片机试验以及教程 15 定时计数器T0作定时应用技术(一)

  · AT89S51单片机试验以及教程 16 定时计数器T0作定时应用技术(二)

 · AT89S51单片机试验以及教程 17 99秒马表设计

  · AT89S51单片机试验以及教程 18 “嘀、嘀、……”报警声

 · AT89S51单片机试验以及教程 19 “叮咚”门铃

 · AT89S51单片机试验以及教程 20 数字钟

 · AT89S51单片机试验以及教程 21 拉幕式数码显示技术

 · AT89S51单片机试验以及教程 22 电子琴

 · AT89S51单片机试验以及教程 23 模拟计算器数字输入及显示

  · AT89S51单片机试验以及教程 24 8X8 LED点阵显示技术

 · AT89S51单片机试验以及教程 25 点阵式LED“0-9”数字显示技术

 · AT89S51单片机试验以及教程 26 点阵式LED简单图形显示技术

 · AT89S51单片机试验以及教程 27 ADC0809A/D 转换器基本应用技术

 · AT89S51单片机试验以及教程 28 数字电压表

 · AT89S51单片机试验以及教程 29 两点间温度控制

 · AT89S51单片机试验以及教程 30 四位数数字温度计

 · AT89S51单片机试验以及教程 31 6位数显频率计数器

 · AT89S51单片机试验以及教程 32 电子密码锁设计

 · AT89S51单片机试验以及教程 33 4×4键盘及8位数码管显示构成的电子密码锁

 · AT89S51单片机试验以及教程 34 有存储器功能的数字温度计-DS1624技术应用

 · AT89S51单片机试验以及教程 35 DS18B20数字温度计使用

 

 

 

 

以上部分内容转载于网上,如有涉及到版权问题,请即通知本人删除

copyright© 2004-2005 all rights reserved www.JUNTRY(.IK8).com

juntry@126.com