光学  

   你现在的位置:JUNTRY>>主 页>>              今天是:

   

点阵式LED“0-9”数字显示技术

 

1. 实验任务

利用 8X8 点阵显示数字 0 到 9 的数字。

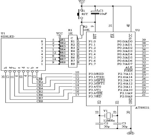
2. 电路原理图

3. 硬件系统连线

(1). 把“单片机系统”区域中的 P1 端口用 8 芯排芯连接到“点阵模块”区域中的“ DR1 - DR8 ”端口上;

(2). 把“单片机系统”区域中的 P3 端口用 8 芯排芯连接到“点阵模块”区域中的“ DC1 - DC8 ”端口上;

4. 程序设计内容

(1). 数字 0 - 9 点阵显示代码的形成

如下图所示,假设显示数字“ 0 ”

 

               
1
2
3
4
5
6
7
8
   
 

 
 
   

 
 
 

 
   

 
 
 

 
   

 
 
 

 
   

 
 
 

 
   

 
 
 

 
   
 

 
 
00
00
3E
41
41
41
3E
00

 

因此,形成的列代码为  00H , 00H , 3EH , 41H , 41H , 3EH , 00H , 00H ;只要把这些代码分别送到相应的列线上面,即可实现“ 0 ”的数字显示。

送显示代码过程如下所示

送第一列线代码到 P3 端口,同时置第一行线为“ 0 ”,其它行线为“ 1 ”,延时 2ms 左右,送第二列线代码到 P3 端口,同时置第二行线为“ 0 ”,其它行线为“ 1 ”,延时 2ms 左右,如此下去,直到送完最后一列代码,又从头开始送。

数字“ 1 ”代码建立如下图所示 1 2 3 4 5 6 7 8

               
1 2 3 4 5 6 7 8
             
           
             
             
             
             
         

其显示代码为  00H , 00H , 00H , 00H , 21H , 7FH , 01H , 00H

数字“ 2 ”代码建立如下图所示

1 2 3 4 5 6 7 8

               
         
           
             
             
       
             
     

00H , 00H , 27H , 45H , 45H , 45H , 39H , 00H

数字“ 3 ”代码建立如下图所示

1 2 3 4 5 6 7 8

               
         
           
             
         
             
           
         

00H , 00H , 22H , 49H , 49H , 49H , 36H , 00H

数字“ 4 ”代码建立如下图所示

1 2 3 4 5 6 7 8

               
             
           
           
           
     
             
             

00H , 00H , 0CH , 14H , 24H , 7FH , 04H , 00H

数字“ 5 ”代码建立如下图所示

1 2 3 4 5 6 7 8

               
     
             
       
             
             
           
         

00H , 00H , 72H , 51H , 51H , 51H , 4EH , 00H

数字“ 6 ”代码建立如下图所示

1 2 3 4 5 6 7 8

               
         
           
             
       
           
           
         

00H , 00H , 3EH , 49H , 49H , 49H , 26H , 00H

数字“ 7 ”代码建立如下图所示

1 2 3 4 5 6 7 8

               
     
             
             
             
             
             
             

00H , 00H , 40H , 40H , 40H , 4FH , 70H , 00H

数字“ 8 ”代码建立如下图所示

1 2 3 4 5 6 7 8

               
         
           
           
         
           
           
         

00H , 00H , 36H , 49H , 49H , 49H , 36H , 00H

数字“ 9 ”代码建立如下图所示

1 2 3 4 5 6 7 8

               
         
           
           
       
             
           
         

00H , 00H , 32H , 49H , 49H , 49H , 3EH , 00H

5. 汇编源程序

TIM EQU 30H

CNTA EQU 31H

CNTB EQU 32H

ORG 00H

LJMP START

ORG 0BH

LJMP T0X

ORG 30H

START: MOV TIM,#00H

MOV CNTA,#00H

MOV CNTB,#00H

MOV TMOD,#01H

MOV TH0,#(65536-4000)/256

MOV TL0,#(65536-4000) MOD 256

SETB TR0

SETB ET0

SETB EA

SJMP $

T0X:

MOV TH0,#(65536-4000)/256

MOV TL0,#(65536-4000) MOD 256

MOV DPTR,#TAB

MOV A,CNTA

MOVC A,@A+DPTR

MOV P3,A

MOV DPTR,#DIGIT

MOV A,CNTB

MOV B,#8

MUL AB

ADD A,CNTA

MOVC A,@A+DPTR

MOV P1,A

INC CNTA

MOV A,CNTA

CJNE A,#8,NEXT

MOV CNTA,#00H

NEXT: INC TIM

MOV A,TIM

CJNE A,#250,NEX

MOV TIM,#00H

INC CNTB

MOV A,CNTB

CJNE A,#10,NEX

MOV CNTB,#00H

NEX: RETI

TAB: DB 0FEH,0FDH,0FBH,0F7H,0EFH,0DFH,0BFH,07FH

DIGIT: DB 00H,00H,3EH,41H,41H,41H,3EH,00H

DB 00H,00H,00H,00H,21H,7FH,01H,00H

DB 00H,00H,27H,45H,45H,45H,39H,00H

DB 00H,00H,22H,49H,49H,49H,36H,00H

DB 00H,00H,0CH,14H,24H,7FH,04H,00H

DB 00H,00H,72H,51H,51H,51H,4EH,00H

DB 00H,00H,3EH,49H,49H,49H,26H,00H

DB 00H,00H,40H,40H,40H,4FH,70H,00H

DB 00H,00H,36H,49H,49H,49H,36H,00H

DB 00H,00H,32H,49H,49H,49H,3EH,00H

END

6. C语言源程序

#include <AT89X52.H>

unsigned char code tab[]={0xfe,0xfd,0xfb,0xf7,0xef,0xdf,0xbf,0x7f};

unsigned char code digittab[10][8]={ {0x00,0x00,0x3e,0x41,0x41,0x41,0x3e,0x00}, //0

{0x00,0x00,0x00,0x00,0x21,0x7f,0x01,0x00}, //1

{0x00,0x00,0x27,0x45,0x45,0x45,0x39,0x00}, //2

{0x00,0x00,0x22,0x49,0x49,0x49,0x36,0x00}, //3

{0x00,0x00,0x0c,0x14,0x24,0x7f,0x04,0x00}, //4

{0x00,0x00,0x72,0x51,0x51,0x51,0x4e,0x00}, //5

{0x00,0x00,0x3e,0x49,0x49,0x49,0x26,0x00}, //6

{0x00,0x00,0x40,0x40,0x40,0x4f,0x70,0x00}, //7

{0x00,0x00,0x36,0x49,0x49,0x49,0x36,0x00}, //8

{0x00,0x00,0x32,0x49,0x49,0x49,0x3e,0x00} //9

};

unsigned int timecount;

unsigned char cnta;

unsigned char cntb;

void main(void)

{

TMOD=0x01;

TH0=(65536-3000)/256;

TL0=(65536-3000)%256;

TR0=1;

ET0=1;

EA=1;

while(1)

{;

}

}

void t0(void) interrupt 1 using 0

{

TH0=(65536-3000)/256;

TL0=(65536-3000)%256;

P3=tab[cnta];

P1=digittab[cntb][cnta];

cnta++;

if(cnta==8)

{

cnta=0;

}

timecount++;

if(timecount==333)

{

timecount=0;

cntb++;

if(cntb==10)

{

cntb=0;

}

}

}

 

  · AT89S51单片机试验以及教程 01 闪烁灯

 · AT89S51单片机试验以及教程 02 模拟开关灯

 · AT89S51单片机试验以及教程 03 多路开关状态指示

  · AT89S51单片机试验以及教程 04 广告灯的左移右移

 · AT89S51单片机试验以及教程 05 广告灯(利用取表方式)

  · AT89S51单片机试验以及教程 06 报警产生器

 · AT89S51单片机试验以及教程 07 I/O并行口直接驱动LED显示

 · AT89S51单片机试验以及教程 08 按键识别方法之一

 · AT89S51单片机试验以及教程 09 一键多功能按键识别技术

 · AT89S51单片机试验以及教程 10 00-99计数器

 · AT89S51单片机试验以及教程 11 00-59秒计时器(利用软件延时)

 · AT89S51单片机试验以及教程 12 可预置可逆4位计数器

 · AT89S51单片机试验以及教程 13 动态数码显示技术

  · AT89S51单片机试验以及教程 14 4×4矩阵式键盘识别技术

  · AT89S51单片机试验以及教程 15 定时计数器T0作定时应用技术(一)

  · AT89S51单片机试验以及教程 16 定时计数器T0作定时应用技术(二)

 · AT89S51单片机试验以及教程 17 99秒马表设计

  · AT89S51单片机试验以及教程 18 “嘀、嘀、……”报警声

 · AT89S51单片机试验以及教程 19 “叮咚”门铃

 · AT89S51单片机试验以及教程 20 数字钟

 · AT89S51单片机试验以及教程 21 拉幕式数码显示技术

 · AT89S51单片机试验以及教程 22 电子琴

 · AT89S51单片机试验以及教程 23 模拟计算器数字输入及显示

  · AT89S51单片机试验以及教程 24 8X8 LED点阵显示技术

 · AT89S51单片机试验以及教程 25 点阵式LED“0-9”数字显示技术

 · AT89S51单片机试验以及教程 26 点阵式LED简单图形显示技术

 · AT89S51单片机试验以及教程 27 ADC0809A/D 转换器基本应用技术

 · AT89S51单片机试验以及教程 28 数字电压表

 · AT89S51单片机试验以及教程 29 两点间温度控制

 · AT89S51单片机试验以及教程 30 四位数数字温度计

 · AT89S51单片机试验以及教程 31 6位数显频率计数器

 · AT89S51单片机试验以及教程 32 电子密码锁设计

 · AT89S51单片机试验以及教程 33 4×4键盘及8位数码管显示构成的电子密码锁

 · AT89S51单片机试验以及教程 34 有存储器功能的数字温度计-DS1624技术应用

 · AT89S51单片机试验以及教程 35 DS18B20数字温度计使用

 

 

 

 

 

以上部分内容转载于网上,如有涉及到版权问题,请即通知本人删除

copyright© 2004-2005 all rights reserved www.JUNTRY(.IK8).com

juntry@126.com