光学  

   你现在的位置:JUNTRY>>主 页>>              今天是:

   

叮咚”门铃

 

1. 实验任务

  当按下开关 SP1 , AT89S51 单片机产生“叮咚”声从 P1.0 端口输出到 LM386 ,经过放大之后送入喇叭。

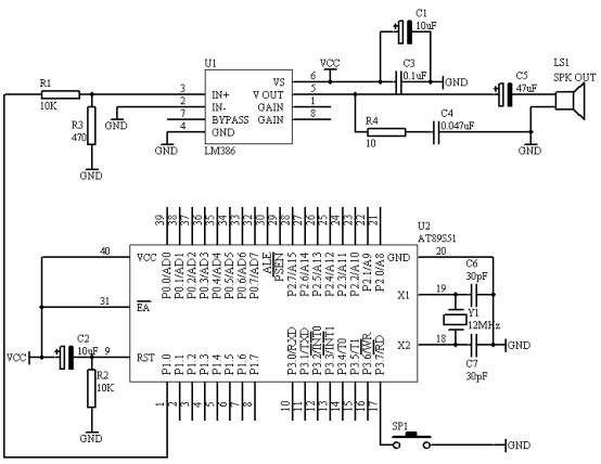
2. 电路原理图

3. 系统板上硬件连线

 1. 把“单片机系统”区域中的 P1.0 端口用导线连接到“音频放大模块”区域中的 SPK IN 端口上;

 2. 在“音频放大模块”区域中的 SPK OUT 端口上接上一个 8 欧或者是 16 欧的喇叭;

 3. 把“单片机系统”区域中的 P3.7/RD 端口用导线连接到“独立式键盘”区域中的 SP1 端口上;

4. 程序设计方法

 1. 我们用单片机实定时 / 计数器 T0 来产生 700HZ 和 500HZ 的频率,根据定时 / 计数器 T0 ,我们取定时 250us ,因此, 700HZ 的频率要经过 3 次 250us 的定时,而 500HZ 的频率要经过 4 次 250us 的定时。

 2. 在设计过程,只有当按下 SP1 之后,才启动 T0 开始工作,当 T0 工作完毕,回到最初状态。

 3. “叮”和“咚”声音各占用 0.5 秒,因此定时 / 计数器 T0 要完成 0.5 秒的定时,对于以 250us 为基准定时 2000 次才可以。

6. 汇编源程序

T5HZ EQU 30H

T7HZ EQU 31H

T05SA EQU 32H

T05SB EQU 33H

FLAG BIT 00H

STOP BIT 01H

SP1 BIT P3.7

ORG 00H

LJMP START

ORG 0BH

LJMP INT_T0

START: MOV TMOD,#02H

MOV TH0,#06H

MOV TL0,#06H

SETB ET0

SETB EA

NSP: JB SP1,NSP

LCALL DELY10MS

JB SP1,NSP

SETB TR0

MOV T5HZ,#00H

MOV T7HZ,#00H

MOV T05SA,#00H

MOV T05SB,#00H

CLR FLAG

CLR STOP

JNB STOP,$

LJMP NSP

DELY10MS: MOV R6,#20

D1: MOV R7,#248

DJNZ R7,$

DJNZ R6,D1

RET

INT_T0: INC T05SA

MOV A,T05SA

CJNE A,#100,NEXT

MOV T05SA,#00H

INC T05SB

MOV A,T05SB

CJNE A,#20,NEXT

MOV T05SB,#00H

JB FLAG,STP

CPL FLAG

LJMP NEXT

STP: SETB STOP

CLR TR0

LJMP DONE

NEXT: JB FLAG,S5HZ

INC T7HZ

MOV A,T7HZ

CJNE A,#03H,DONE

MOV T7HZ,#00H

CPL P1.0

LJMP DONE

S5HZ: INC T5HZ

MOV A,T5HZ

CJNE A,#04H,DONE

MOV T5HZ,#00H

CPL P1.0

LJMP DONE

DONE: RETI

END

7. C语言源程序

#include <AT89X51.H>

unsigned char t5hz;

unsigned char t7hz;

unsigned int tcnt;

bit stop;

bit flag;

void main(void)

{

unsigned char i,j;

TMOD=0x02;

TH0=0x06;

TL0=0x06;

ET0=1;

EA=1;

while(1)

{

if(P3_7==0)

{

for(i=10;i>0;i--)

for(j=248;j>0;j--);

if(P3_7==0)

{

t5hz=0;

t7hz=0;

tcnt=0;

flag=0;

stop=0;

TR0=1;

while(stop==0);

}

}

}

}

void t0(void) interrupt 1 using 0

{

tcnt++;

if(tcnt==2000)

{

tcnt=0;

if(flag==0)

{

flag=~flag;

}

else

{

stop=1;

TR0=0;

}

}

if(flag==0)

{

t7hz++;

if(t7hz==3)

{

t7hz=0;

P1_0=~P1_0;

}

}

else

{

t5hz++;

if(t5hz==4)

{

t5hz=0;

P1_0=~P1_0;

}

}

}

 

  · AT89S51单片机试验以及教程 01 闪烁灯

 · AT89S51单片机试验以及教程 02 模拟开关灯

 · AT89S51单片机试验以及教程 03 多路开关状态指示

  · AT89S51单片机试验以及教程 04 广告灯的左移右移

 · AT89S51单片机试验以及教程 05 广告灯(利用取表方式)

  · AT89S51单片机试验以及教程 06 报警产生器

 · AT89S51单片机试验以及教程 07 I/O并行口直接驱动LED显示

 · AT89S51单片机试验以及教程 08 按键识别方法之一

 · AT89S51单片机试验以及教程 09 一键多功能按键识别技术

 · AT89S51单片机试验以及教程 10 00-99计数器

 · AT89S51单片机试验以及教程 11 00-59秒计时器(利用软件延时)

 · AT89S51单片机试验以及教程 12 可预置可逆4位计数器

 · AT89S51单片机试验以及教程 13 动态数码显示技术

  · AT89S51单片机试验以及教程 14 4×4矩阵式键盘识别技术

  · AT89S51单片机试验以及教程 15 定时计数器T0作定时应用技术(一)

  · AT89S51单片机试验以及教程 16 定时计数器T0作定时应用技术(二)

 · AT89S51单片机试验以及教程 17 99秒马表设计

  · AT89S51单片机试验以及教程 18 “嘀、嘀、……”报警声

 · AT89S51单片机试验以及教程 19 “叮咚”门铃

 · AT89S51单片机试验以及教程 20 数字钟

 · AT89S51单片机试验以及教程 21 拉幕式数码显示技术

 · AT89S51单片机试验以及教程 22 电子琴

 · AT89S51单片机试验以及教程 23 模拟计算器数字输入及显示

  · AT89S51单片机试验以及教程 24 8X8 LED点阵显示技术

 · AT89S51单片机试验以及教程 25 点阵式LED“0-9”数字显示技术

 · AT89S51单片机试验以及教程 26 点阵式LED简单图形显示技术

 · AT89S51单片机试验以及教程 27 ADC0809A/D 转换器基本应用技术

 · AT89S51单片机试验以及教程 28 数字电压表

 · AT89S51单片机试验以及教程 29 两点间温度控制

 · AT89S51单片机试验以及教程 30 四位数数字温度计

 · AT89S51单片机试验以及教程 31 6位数显频率计数器

 · AT89S51单片机试验以及教程 32 电子密码锁设计

 · AT89S51单片机试验以及教程 33 4×4键盘及8位数码管显示构成的电子密码锁

 · AT89S51单片机试验以及教程 34 有存储器功能的数字温度计-DS1624技术应用

 · AT89S51单片机试验以及教程 35 DS18B20数字温度计使用

 

 

 

 

 

以上部分内容转载于网上,如有涉及到版权问题,请即通知本人删除

copyright© 2004-2005 all rights reserved www.JUNTRY(.IK8).com

juntry@126.com