光学  

   你现在的位置:JUNTRY>>主 页>>              今天是:

   

电子密码锁设计

 

1. 实验任务

利用 AT89S51 单片机的 T0 、 T1 的定时计数器功能,来完成对输入的信号进行频率计数,计数的频率结果通过 8 位动态数码管显示出来。要求能够对 0 - 250KHZ 的信号频率进行准确计数,计数误差不超过 ± 1HZ 。

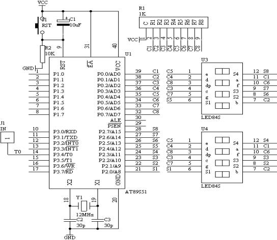
2. 电路原理图

3. 系统板上硬件连线

(1). 把“单片机系统”区域中的 P0.0 - P0.7 与“动态数码显示”区域中的 ABCDEFGH 端口用 8 芯排线连接。

(2). 把“单片机系统”区域中的 P2.0 - P2.7 与“动态数码显示”区域中的 S1S2S3S4S5S6S7S8 端口用 8 芯排线连接。

(3). 把“单片机系统”区域中的 P3.4 ( T0 )端子用导线连接到“频率产生器”区域中的 WAVE 端子上。

4. 程序设计内容

(1). 定时 / 计数器 T0 和 T1 的工作方式设置,由图可知, T0 是工作在计数状态下,对输入的频率信号进行计数,但对工作在计数状态下的 T0 ,最大计数值为 f OSC /24 ,由于 f OSC = 12MHz ,因此: T0 的最大计数频率为 250KHz 。对于频率的概念就是在一秒只数脉冲的个数,即为频率值。所以 T1 工作在定时状态下,每定时 1 秒中到,就停止 T0 的计数,而从 T0 的计数单元中读取计数的数值,然后进行数据处理。送到数码管显示出来。

(2). T1 工作在定时状态下,最大定时时间为 65ms ,达不到 1 秒的定时,所以采用定时 50ms ,共定时 20 次,即可完成 1 秒的定时功能。

5. C语言源程序

#include <AT89X52.H>

unsigned char code dispbit[]={0xfe,0xfd,0xfb,0xf7,0xef,0xdf,0xbf,0x7f};

unsigned char code dispcode[]={0x3f,0x06,0x5b,0x4f,0x66,

0x6d,0x7d,0x07,0x7f,0x6f,0x00,0x40};

unsigned char dispbuf[8]={0,0,0,0,0,0,10,10};

unsigned char temp[8];

unsigned char dispcount;

unsigned char T0count;

unsigned char timecount;

bit flag;

unsigned long x;

void main(void)

{

unsigned char i;

TMOD=0x15;

TH0=0;

TL0=0;

TH1=(65536-4000)/256;

TL1=(65536-4000)%256;

TR1=1;

TR0=1;

ET0=1;

ET1=1;

EA=1;

while(1)

{

if(flag==1)

{

flag=0;

x=T0count*65536+TH0*256+TL0;

for(i=0;i<8;i++)

{

temp[i]=0;

}

i=0;

while(x/10)

{

temp[i]=x%10;

x=x/10;

i++;

}

temp[i]=x;

for(i=0;i<6;i++)

{

dispbuf[i]=temp[i];

}

timecount=0;

T0count=0;

TH0=0;

TL0=0;

TR0=1;

}

}

}

void t0(void) interrupt 1 using 0

{

T0count++;

}

void t1(void) interrupt 3 using 0

{

TH1=(65536-4000)/256;

TL1=(65536-4000)%256;

timecount++;

if(timecount==250)

{

TR0=0;

timecount=0;

flag=1;

}

P0=dispcode[dispbuf[dispcount]];

P2=dispbit[dispcount];

dispcount++;

if(dispcount==8)

{

dispcount=0;

}

}

 

  · AT89S51单片机试验以及教程 01 闪烁灯

 · AT89S51单片机试验以及教程 02 模拟开关灯

 · AT89S51单片机试验以及教程 03 多路开关状态指示

  · AT89S51单片机试验以及教程 04 广告灯的左移右移

 · AT89S51单片机试验以及教程 05 广告灯(利用取表方式)

  · AT89S51单片机试验以及教程 06 报警产生器

 · AT89S51单片机试验以及教程 07 I/O并行口直接驱动LED显示

 · AT89S51单片机试验以及教程 08 按键识别方法之一

 · AT89S51单片机试验以及教程 09 一键多功能按键识别技术

 · AT89S51单片机试验以及教程 10 00-99计数器

 · AT89S51单片机试验以及教程 11 00-59秒计时器(利用软件延时)

 · AT89S51单片机试验以及教程 12 可预置可逆4位计数器

 · AT89S51单片机试验以及教程 13 动态数码显示技术

  · AT89S51单片机试验以及教程 14 4×4矩阵式键盘识别技术

  · AT89S51单片机试验以及教程 15 定时计数器T0作定时应用技术(一)

  · AT89S51单片机试验以及教程 16 定时计数器T0作定时应用技术(二)

 · AT89S51单片机试验以及教程 17 99秒马表设计

  · AT89S51单片机试验以及教程 18 “嘀、嘀、……”报警声

 · AT89S51单片机试验以及教程 19 “叮咚”门铃

 · AT89S51单片机试验以及教程 20 数字钟

 · AT89S51单片机试验以及教程 21 拉幕式数码显示技术

 · AT89S51单片机试验以及教程 22 电子琴

 · AT89S51单片机试验以及教程 23 模拟计算器数字输入及显示

  · AT89S51单片机试验以及教程 24 8X8 LED点阵显示技术

 · AT89S51单片机试验以及教程 25 点阵式LED“0-9”数字显示技术

 · AT89S51单片机试验以及教程 26 点阵式LED简单图形显示技术

 · AT89S51单片机试验以及教程 27 ADC0809A/D 转换器基本应用技术

 · AT89S51单片机试验以及教程 28 数字电压表

 · AT89S51单片机试验以及教程 29 两点间温度控制

 · AT89S51单片机试验以及教程 30 四位数数字温度计

 · AT89S51单片机试验以及教程 31 6位数显频率计数器

 · AT89S51单片机试验以及教程 32 电子密码锁设计

 · AT89S51单片机试验以及教程 33 4×4键盘及8位数码管显示构成的电子密码锁

 · AT89S51单片机试验以及教程 34 有存储器功能的数字温度计-DS1624技术应用

 · AT89S51单片机试验以及教程 35 DS18B20数字温度计使用

 

 

 

 

以上部分内容转载于网上,如有涉及到版权问题,请即通知本人删除

copyright© 2004-2005 all rights reserved www.JUNTRY(.IK8).com

juntry@126.com