光学  

   你现在的位置:JUNTRY>>主 页>>              今天是:

   

两点间温度控制

 

1. 实验任务

用可调电阻调节电压值作为模拟温度的输入量,当温度低于 30 ℃时,发出长嘀报警声和光报警,当温度高于60℃时,发出短嘀报警声和光报警。测量的温度范围在0-99℃。

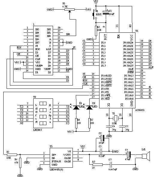
2. 电路原理图

3. 系统板上硬件连线

a) 把“单片机系统”区域中的 P1.0 - P1.7 与“动态数码显示”区域中的 ABCDEFGH 端口用 8 芯排线连接。

b) 把“单片机系统”区域中的 P2.0 - P2.7 与“动态数码显示”区域中的 S1S2S3S4S5S6S7S8 端口用 8 芯排线连接。

c) 把“单片机系统”区域中的 P3.0 与“模数转换模块”区域中的 ST 端子用导线相连接。

d) 把“单片机系统”区域中的 P3.1 与“模数转换模块”区域中的 OE 端子用导线相连接。

e) 把“单片机系统”区域中的 P3.2 与“模数转换模块”区域中的 EOC 端子用导线相连接。

f) 把“单片机系统”区域中的 P3.3 与“模数转换模块”区域中的 CLK 端子用导线相连接。

g) 把“模数转换模块”区域中的 A2A1A0 端子用导线连接到“电源模块”区域中的 GND 端子上。

h) 把“模数转换模块”区域中的 IN0 端子用导线连接到“三路可调电压模块”区域中的 VR1 端子上。

i) 把“单片机系统”区域中的 P0.0 - P0.7 用 8 芯排线连接到“模数转换模块”区域中的 D0D1D2D3D4D5D6D7 端子上。

j) 把“单片机系统”区域中的 P3.6 、 P3.7 用导线分别连接到“八路发光二极管指示模块”区域中的 L1 、 L2 上。

k) 把“单片机系统”区域中的 P3.5 用导线连接到“音频放大模块”区域中的 SPK IN 端口上。

l) 把“音频放大模块“区域中的 SPK OUT 插入音频喇叭。

4. 汇编源程序

(略)

5.C语言源程序

#include <AT89X52.H>

unsigned char code dispbitcode[]={0xfe,0xfd,0xfb,0xf7,

0xef,0xdf,0xbf,0x7f};

unsigned char code dispcode[]={0x3f,0x06,0x5b,0x4f,0x66,

0x6d,0x7d,0x07,0x7f,0x6f,0x00};

unsigned char dispbuf[8]={10,10,10,10,10,10,0,0};

unsigned char dispcount;

unsigned char getdata;

unsigned int temp;

unsigned char i;

sbit ST=P3^0;

sbit OE=P3^1;

sbit EOC=P3^2;

sbit CLK=P3^3;

sbit LED1=P3^6;

sbit LED2=P3^7;

sbit SPK=P3^5;

bit lowflag;

bit highflag;

unsigned int cnta;

unsigned int cntb;

bit alarmflag;

void main(void)

{

ST=0;

OE=0;

TMOD=0x12;

TH0=0x216;

TL0=0x216;

TH1=(65536-500)/256;

TL1=(65536-500)%256;

TR1=1;

TR0=1;

ET0=1;

ET1=1;

EA=1;

ST=1;

ST=0;

while(1)

{

if((lowflag==1) &&(highflag==0))

{

LED1=0;

LED2=1;

}

else if((highflag==1) && (lowflag==0))

{

LED1=1;

LED2=0;

}

else

{

LED1=1;

LED2=1;

}

}

}

void t0(void) interrupt 1 using 0

{

CLK=~CLK;

}

void t1(void) interrupt 3 using 0

{

TH1=(65536-500)/256;

TL1=(65536-500)%256;

if(EOC==1)

{

OE=1;

getdata=P0;

OE=0;

temp=getdata*25;

temp=temp/64;

i=6;

dispbuf[0]=10;

dispbuf[1]=10;

dispbuf[2]=10;

dispbuf[3]=10;

dispbuf[4]=10;

dispbuf[5]=10;

dispbuf[6]=0;

dispbuf[7]=0;

while(temp/10)

{

dispbuf[i]=temp%10;

temp=temp/10;

i++;

}

dispbuf[i]=temp;

if(getdata<77)

{

lowflag=1;

highflag=0;

}

else if(getdata>153)

{

lowflag=0;

highflag=1;

}

else

{

lowflag=0;

highflag=0;

}

ST=1;

ST=0;

}

P1=dispcode[dispbuf[dispcount]];

P2=dispbitcode[dispcount];

dispcount++;

if(dispcount==8)

{

dispcount=0;

}

if((lowflag==1) && (highflag==0))

{

cnta++;

if(cnta==800)

{

cnta=0;

alarmflag=~alarmflag;

}

if(alarmflag==1)

{

SPK=~SPK;

}

}

else if((lowflag==0) && (highflag==1))

{

cntb++;

if(cntb==400)

{

cntb=0;

alarmflag=~alarmflag;

}

if(alarmflag==1)

{

SPK=~SPK;

}

}

else

{

alarmflag=0;

cnta=0;

cntb=0;

}

}

 

 

  · AT89S51单片机试验以及教程 01 闪烁灯

 · AT89S51单片机试验以及教程 02 模拟开关灯

 · AT89S51单片机试验以及教程 03 多路开关状态指示

  · AT89S51单片机试验以及教程 04 广告灯的左移右移

 · AT89S51单片机试验以及教程 05 广告灯(利用取表方式)

  · AT89S51单片机试验以及教程 06 报警产生器

 · AT89S51单片机试验以及教程 07 I/O并行口直接驱动LED显示

 · AT89S51单片机试验以及教程 08 按键识别方法之一

 · AT89S51单片机试验以及教程 09 一键多功能按键识别技术

 · AT89S51单片机试验以及教程 10 00-99计数器

 · AT89S51单片机试验以及教程 11 00-59秒计时器(利用软件延时)

 · AT89S51单片机试验以及教程 12 可预置可逆4位计数器

 · AT89S51单片机试验以及教程 13 动态数码显示技术

  · AT89S51单片机试验以及教程 14 4×4矩阵式键盘识别技术

  · AT89S51单片机试验以及教程 15 定时计数器T0作定时应用技术(一)

  · AT89S51单片机试验以及教程 16 定时计数器T0作定时应用技术(二)

 · AT89S51单片机试验以及教程 17 99秒马表设计

  · AT89S51单片机试验以及教程 18 “嘀、嘀、……”报警声

 · AT89S51单片机试验以及教程 19 “叮咚”门铃

 · AT89S51单片机试验以及教程 20 数字钟

 · AT89S51单片机试验以及教程 21 拉幕式数码显示技术

 · AT89S51单片机试验以及教程 22 电子琴

 · AT89S51单片机试验以及教程 23 模拟计算器数字输入及显示

  · AT89S51单片机试验以及教程 24 8X8 LED点阵显示技术

 · AT89S51单片机试验以及教程 25 点阵式LED“0-9”数字显示技术

 · AT89S51单片机试验以及教程 26 点阵式LED简单图形显示技术

 · AT89S51单片机试验以及教程 27 ADC0809A/D 转换器基本应用技术

 · AT89S51单片机试验以及教程 28 数字电压表

 · AT89S51单片机试验以及教程 29 两点间温度控制

 · AT89S51单片机试验以及教程 30 四位数数字温度计

 · AT89S51单片机试验以及教程 31 6位数显频率计数器

 · AT89S51单片机试验以及教程 32 电子密码锁设计

 · AT89S51单片机试验以及教程 33 4×4键盘及8位数码管显示构成的电子密码锁

 · AT89S51单片机试验以及教程 34 有存储器功能的数字温度计-DS1624技术应用

 · AT89S51单片机试验以及教程 35 DS18B20数字温度计使用

 

 

 

以上部分内容转载于网上,如有涉及到版权问题,请即通知本人删除

copyright© 2004-2005 all rights reserved www.JUNTRY(.IK8).com

juntry@126.com