光学  

   你现在的位置:JUNTRY>>主 页>>              今天是:

   

定时计数器T0作定时应用技术(一)

 

1. 实验任务

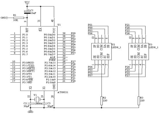
用 AT89S51 单片机的定时 / 计数器 T0 产生一秒的定时时间,作为秒计数时间,当一秒产生时,秒计数加 1 ,秒计数到 60 时,自动从 0 开始。硬件电路如下图所示

2. 电路原理图

图 4.15.1

3. 系统板上硬件连线

•  把“单片机系统”区域中的 P0.0/AD0 - P0.7/AD7 端口用 8 芯排线连接到“四路静态数码显示模块”区域中的任一个 a - h 端口上;要求: P0.0/AD0 对应着 a , P0.1/AD1 对应着 b , …… , P0.7/AD7 对应着 h 。

•  把“单片机系统”区域中的 P2.0/A8 - P2.7/A15 端口用 8 芯排线连接到“四路静态数码显示模块”区域中的任一个 a - h 端口上;要求: P2.0/A8 对应着 a , P2.1/A9 对应着 b , …… , P2.7/A15 对应着 h 。

4.  程序设计内容

AT89S51 单片机的内部 16 位定时 / 计数器是一个可编程定时 / 计数器,它既可以工作在 13 位定时方式,也可以工作在 16 位定时方式和 8 位定时方式。只要通过设置特殊功能寄存器 TMOD ,即可完成。定时 / 计数器何时工作也是通过软件来设定 TCON 特殊功能寄存器来完成的。

现在我们选择 16 位定时工作方式,对于 T0 来说,最大定时也只有 65536us ,即 65.536ms ,无法达到我们所需要的 1 秒的定时,因此,我们必须通过软件来处理这个问题,假设我们取 T0 的最大定时为 50ms ,即要定时 1 秒需要经过 20 次的 50ms 的定时。对于这 20 次我们就可以采用软件的方法来统计了。

因此,我们设定 TMOD = 00000001B ,即 TMOD = 01H

下面我们要给 T0 定时 / 计数器的 TH0 , TL0 装入预置初值,通过下面的公式可以计算出

TH0 =( 2 16 - 50000 )  / 256

TL0 =( 2 16 - 50000 )  MOD 256

当 T0 在工作的时候,我们如何得知 50ms 的定时时间已到,这回我们通过检测 TCON 特殊功能寄存器中的 TF0 标志位,如果 TF0 = 1 表示定时时间已到。

5. 程序框图

图 4.15.2

6. 汇编源程序(查询法)

SECOND EQU 30H

TCOUNT EQU 31H

ORG 00H

START: MOV SECOND,#00H

MOV TCOUNT,#00H

MOV TMOD,#01H

MOV TH0,#(65536-50000) / 256

MOV TL0,#(65536-50000) MOD 256

SETB TR0

DISP: MOV A,SECOND

MOV B,#10

DIV AB

MOV DPTR,#TABLE

MOVC A,@A+DPTR

MOV P0,A

MOV A,B

MOVC A,@A+DPTR

MOV P2,A

WAIT: JNB TF0,WAIT

CLR TF0

MOV TH0,#(65536-50000) / 256

MOV TL0,#(65536-50000) MOD 256

INC TCOUNT

MOV A,TCOUNT

CJNE A,#20,NEXT

MOV TCOUNT,#00H

INC SECOND

MOV A,SECOND

CJNE A,#60,NEX

MOV SECOND,#00H

NEX: LJMP DISP

NEXT: LJMP WAIT

TABLE: DB 3FH,06H,5BH,4FH,66H,6DH,7DH,07H,7FH,6FH

END

7. C语言源程序(查询法)

#include <AT89X51.H>

unsigned char code dispcode[]={0x3f,0x06,0x5b,0x4f,

0x66,0x6d,0x7d,0x07,

0x7f,0x6f,0x77,0x7c,

0x39,0x5e,0x79,0x71,0x00};

unsigned char second;

unsigned char tcount;

void main(void)

{

TMOD=0x01;

TH0=(65536-50000)/256;

TL0=(65536-50000)%256;

TR0=1;

tcount=0;

second=0;

P0=dispcode[second/10];

P2=dispcode[second%10];

while(1)

{

if(TF0==1)

{

tcount++;

if(tcount==20)

{

tcount=0;

second++;

if(second==60)

{

second=0;

}

P0=dispcode[second/10];

P2=dispcode[second%10];

}

TF0=0;

TH0=(65536-50000)/256;

TL0=(65536-50000)%256;

}

}

}

8. 汇编源程序(中断法)

SECOND EQU 30H

TCOUNT EQU 31H

ORG 00H

LJMP START

ORG 0BH

LJMP INT0X

START: MOV SECOND,#00H

MOV A,SECOND

MOV B,#10

DIV AB

MOV DPTR,#TABLE

MOVC A,@A+DPTR

MOV P0,A

MOV A,B

MOVC A,@A+DPTR

MOV P2,A

MOV TCOUNT,#00H

MOV TMOD,#01H

MOV TH0,#(65536-50000) / 256

MOV TL0,#(65536-50000) MOD 256

SETB TR0

SETB ET0

SETB EA

SJMP $

INT0X:

MOV TH0,#(65536-50000) / 256

MOV TL0,#(65536-50000) MOD 256

INC TCOUNT

MOV A,TCOUNT

CJNE A,#20,NEXT

MOV TCOUNT,#00H

INC SECOND

MOV A,SECOND

CJNE A,#60,NEX

MOV SECOND,#00H

NEX: MOV A,SECOND

MOV B,#10

DIV AB

MOV DPTR,#TABLE

MOVC A,@A+DPTR

MOV P0,A

MOV A,B

MOVC A,@A+DPTR

MOV P2,A

NEXT: RETI

TABLE: DB 3FH,06H,5BH,4FH,66H,6DH,7DH,07H,7FH,6FH

END

9. C语言源程序(中断法)

#include <AT89X51.H>

unsigned char code dispcode[]={0x3f,0x06,0x5b,0x4f,

0x66,0x6d,0x7d,0x07,

0x7f,0x6f,0x77,0x7c,

0x39,0x5e,0x79,0x71,0x00};

unsigned char second;

unsigned char tcount;

void main(void)

{

TMOD=0x01;

TH0=(65536-50000)/256;

TL0=(65536-50000)%256;

TR0=1;

ET0=1;

EA=1;

tcount=0;

second=0;

P0=dispcode[second/10];

P2=dispcode[second%10];

while(1);

}

void t0(void) interrupt 1 using 0

{

tcount++;

if(tcount==20)

{

tcount=0;

second++;

if(second==60)

{

second=0;

}

P0=dispcode[second/10];

P2=dispcode[second%10];

}

TH0=(65536-50000)/256;

TL0=(65536-50000)%256;

}

 

  · AT89S51单片机试验以及教程 01 闪烁灯

 · AT89S51单片机试验以及教程 02 模拟开关灯

 · AT89S51单片机试验以及教程 03 多路开关状态指示

  · AT89S51单片机试验以及教程 04 广告灯的左移右移

 · AT89S51单片机试验以及教程 05 广告灯(利用取表方式)

  · AT89S51单片机试验以及教程 06 报警产生器

 · AT89S51单片机试验以及教程 07 I/O并行口直接驱动LED显示

 · AT89S51单片机试验以及教程 08 按键识别方法之一

 · AT89S51单片机试验以及教程 09 一键多功能按键识别技术

 · AT89S51单片机试验以及教程 10 00-99计数器

 · AT89S51单片机试验以及教程 11 00-59秒计时器(利用软件延时)

 · AT89S51单片机试验以及教程 12 可预置可逆4位计数器

 · AT89S51单片机试验以及教程 13 动态数码显示技术

  · AT89S51单片机试验以及教程 14 4×4矩阵式键盘识别技术

  · AT89S51单片机试验以及教程 15 定时计数器T0作定时应用技术(一)

  · AT89S51单片机试验以及教程 16 定时计数器T0作定时应用技术(二)

 · AT89S51单片机试验以及教程 17 99秒马表设计

  · AT89S51单片机试验以及教程 18 “嘀、嘀、……”报警声

 · AT89S51单片机试验以及教程 19 “叮咚”门铃

 · AT89S51单片机试验以及教程 20 数字钟

 · AT89S51单片机试验以及教程 21 拉幕式数码显示技术

 · AT89S51单片机试验以及教程 22 电子琴

 · AT89S51单片机试验以及教程 23 模拟计算器数字输入及显示

  · AT89S51单片机试验以及教程 24 8X8 LED点阵显示技术

 · AT89S51单片机试验以及教程 25 点阵式LED“0-9”数字显示技术

 · AT89S51单片机试验以及教程 26 点阵式LED简单图形显示技术

 · AT89S51单片机试验以及教程 27 ADC0809A/D 转换器基本应用技术

 · AT89S51单片机试验以及教程 28 数字电压表

 · AT89S51单片机试验以及教程 29 两点间温度控制

 · AT89S51单片机试验以及教程 30 四位数数字温度计

 · AT89S51单片机试验以及教程 31 6位数显频率计数器

 · AT89S51单片机试验以及教程 32 电子密码锁设计

 · AT89S51单片机试验以及教程 33 4×4键盘及8位数码管显示构成的电子密码锁

 · AT89S51单片机试验以及教程 34 有存储器功能的数字温度计-DS1624技术应用

 · AT89S51单片机试验以及教程 35 DS18B20数字温度计使用

 

 

以上部分内容转载于网上,如有涉及到版权问题,请即通知本人删除

copyright© 2004-2005 all rights reserved www.JUNTRY(.IK8).com

juntry@126.com