光学  

   你现在的位置:JUNTRY>>主 页>>              今天是:

广告灯的左移右移

 

1.  实验任务

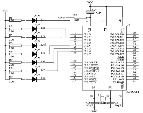
做单一灯的左移右移,硬件电路如图 所示,八个发光二极管 L1 - L8 分别接在单片机的 P1.0 - P1.7 接口上,输出“ 0 ”时,发光二极管亮,开始时 P1.0 →P1.1→P1.2→P1.3→┅→P1.7→P1.6→┅→P1.0亮,重复循环。

2. 电路原理图

图 4.4.1

3.  系统板上硬件连线

把“单片机系统”区域中的 P1.0 - P1.7 用 8 芯排线连接到“八路发光二极管指示模块”区域中的 L1 - L8 端口上,要求: P1.0 对应着 L1 , P1.1 对应着 L2 , …… , P1.7 对应着 L8 。

4.  程序设计内容

我们可以运用输出端口指令 MOV P1 , A 或 MOV P1 ,# DATA ,只要给累加器值或常数值,然后执行上述的指令,即可达到输出控制的动作。

每次送出的数据是不同,具体的数据如下表 1 所示

P1.7

P1.6

P1.5

P1.4

P1.3

P1.2

P1.1

P1.0

说明

L8

L7

L6

L5

L4

L3

L2

L1

 

1

1

1

1

1

1

1

0

L1 亮

1

1

1

1

1

1

0

1

L2 亮

1

1

1

1

1

0

1

1

L3 亮

1

1

1

1

0

1

1

1

L4 亮

1

1

1

0

1

1

1

1

L5 亮

1

1

0

1

1

1

1

1

L6 亮

1

0

1

1

1

1

1

1

L7 亮

0

1

1

1

1

1

1

1

L8 亮

表 1

5.  程序框图

图 4.4.2

6.  汇编源程序

ORG 0

START: MOV R2,#8

MOV A,#0FEH

SETB C

LOOP: MOV P1,A

LCALL DELAY

RLC A

DJNZ R2,LOOP

MOV R2,#8

LOOP1: MOV P1,A

LCALL DELAY

RRC A

DJNZ R2,LOOP1

LJMP START

DELAY: MOV R5,#20 ;

D1: MOV R6,#20

D2: MOV R7,#248

DJNZ R7,$

DJNZ R6,D2

DJNZ R5,D1

RET

END

7.  C语言源程序

#include <AT89X51.H>

unsigned char i;

unsigned char temp;

unsigned char a,b;

void delay(void)

{

unsigned char m,n,s;

for(m=20;m>0;m--)

for(n=20;n>0;n--)

for(s=248;s>0;s--);

}

void main(void)

{

while(1)

{

temp=0xfe;

P1=temp;

delay();

for(i=1;i<8;i++)

{

a=temp<<i;

b=temp>>(8-i);

P1=a|b;

delay();

}

for(i=1;i<8;i++)

{

a=temp>>i;

b=temp<<(8-i);

P1=a|b;

delay();

}

}

}

 

   

  · AT89S51单片机试验以及教程 01 闪烁灯

 · AT89S51单片机试验以及教程 02 模拟开关灯

 · AT89S51单片机试验以及教程 03 多路开关状态指示

  · AT89S51单片机试验以及教程 04 广告灯的左移右移

 · AT89S51单片机试验以及教程 05 广告灯(利用取表方式)

  · AT89S51单片机试验以及教程 06 报警产生器

 · AT89S51单片机试验以及教程 07 I/O并行口直接驱动LED显示

 · AT89S51单片机试验以及教程 08 按键识别方法之一

 · AT89S51单片机试验以及教程 09 一键多功能按键识别技术

 · AT89S51单片机试验以及教程 10 00-99计数器

 · AT89S51单片机试验以及教程 11 00-59秒计时器(利用软件延时)

 · AT89S51单片机试验以及教程 12 可预置可逆4位计数器

 · AT89S51单片机试验以及教程 13 动态数码显示技术

  · AT89S51单片机试验以及教程 14 4×4矩阵式键盘识别技术

  · AT89S51单片机试验以及教程 15 定时计数器T0作定时应用技术(一)

  · AT89S51单片机试验以及教程 16 定时计数器T0作定时应用技术(二)

 · AT89S51单片机试验以及教程 17 99秒马表设计

  · AT89S51单片机试验以及教程 18 “嘀、嘀、……”报警声

 · AT89S51单片机试验以及教程 19 “叮咚”门铃

 · AT89S51单片机试验以及教程 20 数字钟

 · AT89S51单片机试验以及教程 21 拉幕式数码显示技术

 · AT89S51单片机试验以及教程 22 电子琴

 · AT89S51单片机试验以及教程 23 模拟计算器数字输入及显示

  · AT89S51单片机试验以及教程 24 8X8 LED点阵显示技术

 · AT89S51单片机试验以及教程 25 点阵式LED“0-9”数字显示技术

 · AT89S51单片机试验以及教程 26 点阵式LED简单图形显示技术

 · AT89S51单片机试验以及教程 27 ADC0809A/D 转换器基本应用技术

 · AT89S51单片机试验以及教程 28 数字电压表

 · AT89S51单片机试验以及教程 29 两点间温度控制

 · AT89S51单片机试验以及教程 30 四位数数字温度计

 · AT89S51单片机试验以及教程 31 6位数显频率计数器

 · AT89S51单片机试验以及教程 32 电子密码锁设计

 · AT89S51单片机试验以及教程 33 4×4键盘及8位数码管显示构成的电子密码锁

 · AT89S51单片机试验以及教程 34 有存储器功能的数字温度计-DS1624技术应用

 · AT89S51单片机试验以及教程 35 DS18B20数字温度计使用

 

 

以上部分内容转载于网上,如有涉及到版权问题,请即通知本人删除

copyright© 2004-2005 all rights reserved www.JUNTRY(.IK8).com

juntry@126.com