光学  

   你现在的位置:JUNTRY>>主 页>>              今天是:

   

I/O并行口直接驱动LED显示

 

1. 实验任务

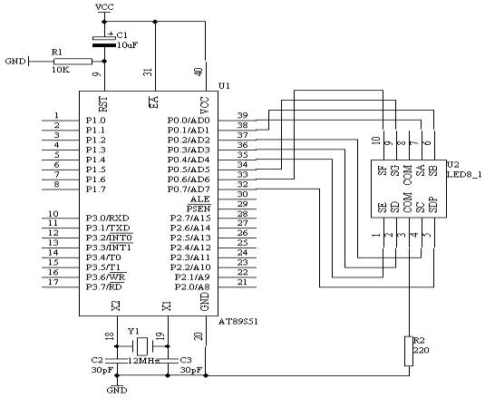
如图 所示, 利用 AT89S51 单片机的 P0 端口的 P0.0 - P0.7 连接到一个共阴数码管的 a - h 的笔段上,数码管的公共端接地。在数码管上循环显示 0 - 9 数字,时间间隔 0.2 秒。

2. 电路原理图

3. 系统板上硬件连线

把“单片机系统”区域中的 P0.0/AD0 - P0.7/AD7 端口用 8 芯排线连接到“四路静态数码显示模块”区域中的任一个数码管的 a - h 端口上;要求: P0.0/AD0 与 a 相连, P0.1/AD1 与 b 相连, P0.2/AD2 与 c 相连, …… , P0.7/AD7 与 h 相连。

4.  程序设计内容

•  LED 数码显示原理

七段 LED 显示器内部由七个条形发光二极管和一个小圆点发光二极管组成,根据各管的极管的接线形式,可分成共阴极型和共阳极型。

LED 数码管的 g~a 七个发光二极管因加正电压而发亮,因加零电压而不以发亮,不同亮暗的组合就能形成不同的字形,这种组合称之为字形码,下面给出共阴极的字形码见表 2

“ 0 ” 3FH   “ 8 ” 7FH  
“ 1 ” 06H   “ 9 ” 6FH  
“ 2 ” 5BH   “ A ” 77H  
“ 3 ” 4FH   “ b ” 7CH  
“ 4 ” 66H   “ C ” 39H  
“ 5 ” 6DH   “ d ” 5EH  
“ 6 ” 7DH   “ E ” 79H  
“ 7 ” 07H   “ F ” 71H  

•  由于显示的数字 0 - 9 的字形码没有规律可循,只能采用查表的方式来完成我们所需的要求了。 这样我们按着数字 0 - 9 的顺序,把每个数字的笔段代码按顺序排好!建立的表格如下所示: TABLE DB 3FH , 06H , 5BH , 4FH , 66H , 6DH , 7DH , 07H , 7FH , 6FH

5.程序框图

图 4.7.2

6.  汇编源程序

ORG 0

START: MOV R1,#00H

NEXT: MOV A,R1

MOV DPTR,#TABLE

MOVC A,@A+DPTR

MOV P0,A

LCALL DELAY

INC R1

CJNE R1,#10,NEXT

LJMP START

DELAY: MOV R5,#20

D2: MOV R6,#20

D1: MOV R7,#248

DJNZ R7,$

DJNZ R6,D1

DJNZ R5,D2

RET

TABLE: DB 3FH,06H,5BH,4FH,66H,6DH,7DH,07H,7FH,6FH

END

7. C语言源程序

#include <AT89X51.H>

unsigned char code table[]={0x3f,0x06,0x5b,0x4f,0x66,

0x6d,0x7d,0x07,0x7f,0x6f};

unsigned char dispcount;

void delay02s(void)

{

unsigned char i,j,k;

for(i=20;i>0;i--)

for(j=20;j>0;j--)

for(k=248;k>0;k--);

}

void main(void)

{

while(1)

{

for(dispcount=0;dispcount<10;dispcount++)

{

P0=table[dispcount];

delay02s();

}

}

}

 

 

  · AT89S51单片机试验以及教程 01 闪烁灯

 · AT89S51单片机试验以及教程 02 模拟开关灯

 · AT89S51单片机试验以及教程 03 多路开关状态指示

  · AT89S51单片机试验以及教程 04 广告灯的左移右移

 · AT89S51单片机试验以及教程 05 广告灯(利用取表方式)

  · AT89S51单片机试验以及教程 06 报警产生器

 · AT89S51单片机试验以及教程 07 I/O并行口直接驱动LED显示

 · AT89S51单片机试验以及教程 08 按键识别方法之一

 · AT89S51单片机试验以及教程 09 一键多功能按键识别技术

 · AT89S51单片机试验以及教程 10 00-99计数器

 · AT89S51单片机试验以及教程 11 00-59秒计时器(利用软件延时)

 · AT89S51单片机试验以及教程 12 可预置可逆4位计数器

 · AT89S51单片机试验以及教程 13 动态数码显示技术

  · AT89S51单片机试验以及教程 14 4×4矩阵式键盘识别技术

  · AT89S51单片机试验以及教程 15 定时计数器T0作定时应用技术(一)

  · AT89S51单片机试验以及教程 16 定时计数器T0作定时应用技术(二)

 · AT89S51单片机试验以及教程 17 99秒马表设计

  · AT89S51单片机试验以及教程 18 “嘀、嘀、……”报警声

 · AT89S51单片机试验以及教程 19 “叮咚”门铃

 · AT89S51单片机试验以及教程 20 数字钟

 · AT89S51单片机试验以及教程 21 拉幕式数码显示技术

 · AT89S51单片机试验以及教程 22 电子琴

 · AT89S51单片机试验以及教程 23 模拟计算器数字输入及显示

  · AT89S51单片机试验以及教程 24 8X8 LED点阵显示技术

 · AT89S51单片机试验以及教程 25 点阵式LED“0-9”数字显示技术

 · AT89S51单片机试验以及教程 26 点阵式LED简单图形显示技术

 · AT89S51单片机试验以及教程 27 ADC0809A/D 转换器基本应用技术

 · AT89S51单片机试验以及教程 28 数字电压表

 · AT89S51单片机试验以及教程 29 两点间温度控制

 · AT89S51单片机试验以及教程 30 四位数数字温度计

 · AT89S51单片机试验以及教程 31 6位数显频率计数器

 · AT89S51单片机试验以及教程 32 电子密码锁设计

 · AT89S51单片机试验以及教程 33 4×4键盘及8位数码管显示构成的电子密码锁

 · AT89S51单片机试验以及教程 34 有存储器功能的数字温度计-DS1624技术应用

 · AT89S51单片机试验以及教程 35 DS18B20数字温度计使用

 

 

以上部分内容转载于网上,如有涉及到版权问题,请即通知本人删除

copyright© 2004-2005 all rights reserved www.JUNTRY(.IK8).com

juntry@126.com