光学  

   你现在的位置:JUNTRY>>主 页>>              今天是:

   

数字钟

 

1. 实验任务

1. 开机时,显示 12 : 00 : 00 的时间开始计时;

2. P0.0/AD0 控制“秒”的调整,每按一次加 1 秒;

3. P0.1/AD1 控制“分”的调整,每按一次加 1 分;

4. P0.2/AD2 控制“时”的调整,每按一次加 1 个小时;

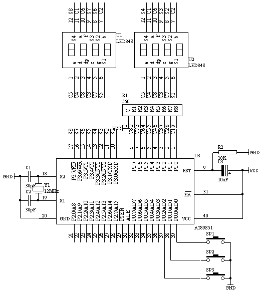
2. 电路原理图

3. 系统板上硬件连线

1. 把“单片机系统”区域中的 P1.0 - P1.7 端口用 8 芯排线连接到“动态数码显示”区域中的 A - H 端口上;

2. 把“单片机系统:区域中的 P3.0 - P3.7 端口用 8 芯排线连接到“动态数码显示”区域中的 S1 - S8 端口上;

3. 把“单片机系统”区域中的 P0.0/AD0 、 P0.1/AD1 、 P0.2/AD2 端口分别用导线连接到“独立式键盘”区域中的 SP3 、 SP2 、 SP1 端口上;

4. 相关基本知识

1. 动态数码显示的方法

2. 独立式按键识别过程

3. “时”,“分”,“秒”数据送出显示处理方法

5. 程序框图

6. 汇编源程序

SECOND EQU 30H

MINITE EQU 31H

HOUR EQU 32H

HOURK BIT P0.0

MINITEK BIT P0.1

SECONDK BIT P0.2

DISPBUF EQU 40H

DISPBIT EQU 48H

T2SCNTA EQU 49H

T2SCNTB EQU 4AH

TEMP EQU 4BH

ORG 00H

LJMP START

ORG 0BH

LJMP INT_T0

START: MOV SECOND,#00H

MOV MINITE,#00H

MOV HOUR,#12

MOV DISPBIT,#00H

MOV T2SCNTA,#00H

MOV T2SCNTB,#00H

MOV TEMP,#0FEH

LCALL DISP

MOV TMOD,#01H

MOV TH0,#(65536-2000) / 256

MOV TL0,#(65536-2000) MOD 256

SETB TR0

SETB ET0

SETB EA

WT: JB SECONDK,NK1

LCALL DELY10MS

JB SECONDK,NK1

INC SECOND

MOV A,SECOND

CJNE A,#60,NS60

MOV SECOND,#00H

NS60: LCALL DISP

JNB SECONDK,$

NK1: JB MINITEK,NK2

LCALL DELY10MS

JB MINITEK,NK2

INC MINITE

MOV A,MINITE

CJNE A,#60,NM60

MOV MINITE,#00H

NM60: LCALL DISP

JNB MINITEK,$

NK2: JB HOURK,NK3

LCALL DELY10MS

JB HOURK,NK3

INC HOUR

MOV A,HOUR

CJNE A,#24,NH24

MOV HOUR,#00H

NH24: LCALL DISP

JNB HOURK,$

NK3: LJMP WT

DELY10MS:

MOV R6,#10

D1: MOV R7,#248

DJNZ R7,$

DJNZ R6,D1

RET

DISP:

MOV A,#DISPBUF

ADD A,#8

DEC A

MOV R1,A

MOV A,HOUR

MOV B,#10

DIV AB

MOV @R1,A

DEC R1

MOV A,B

MOV @R1,A

DEC R1

MOV A,#10

MOV@R1,A

DEC R1

MOV A,MINITE

MOV B,#10

DIV AB

MOV @R1,A

DEC R1

MOV A,B

MOV @R1,A

DEC R1

MOV A,#10

MOV@R1,A

DEC R1

MOV A,SECOND

MOV B,#10

DIV AB

MOV @R1,A

DEC R1

MOV A,B

MOV @R1,A

DEC R1

RET

INT_T0:

MOV TH0,#(65536-2000) / 256

MOV TL0,#(65536-2000) MOD 256

MOV A,#DISPBUF

ADD A,DISPBIT

MOV R0,A

MOV A,@R0

MOV DPTR,#TABLE

MOVC A,@A+DPTR

MOV P1,A

MOV A,DISPBIT

MOV DPTR,#TAB

MOVC A,@A+DPTR

MOV P3,A

INC DISPBIT

MOV A,DISPBIT

CJNE A,#08H,KNA

MOV DISPBIT,#00H

KNA: INC T2SCNTA

MOV A,T2SCNTA

CJNE A,#100,DONE

MOV T2SCNTA,#00H

INC T2SCNTB

MOV A,T2SCNTB

CJNE A,#05H,DONE

MOV T2SCNTB,#00H

INC SECOND

MOV A,SECOND

CJNE A,#60,NEXT

MOV SECOND,#00H

INC MINITE

MOV A,MINITE

CJNE A,#60,NEXT

MOV MINITE,#00H

INC HOUR

MOV A,HOUR

CJNE A,#24,NEXT

MOV HOUR,#00H

NEXT: LCALL DISP

DONE: RETI

TABLE: DB 3FH,06H,5BH,4FH,66H,6DH,7DH,07H,7FH,6FH,40H

TAB: DB 0FEH,0FDH,0FBH,0F7H,0EFH,0DFH,0BFH,07FH

END

7. C语言源程序

#include <AT89X51.H>

unsigned char code dispcode[]={0x3f,0x06,0x5b,0x4f,

0x66,0x6d,0x7d,0x07,

0x7f,0x6f,0x77,0x7c,

0x39,0x5e,0x79,0x71,0x00};

unsigned char dispbitcode[]={0xfe,0xfd,0xfb,0xf7,

0xef,0xdf,0xbf,0x7f};

unsigned char dispbuf[8]={0,0,16,0,0,16,0,0};

unsigned char dispbitcnt;

unsigned char second;

unsigned char minite;

unsigned char hour;

unsigned int tcnt;

unsigned char mstcnt;

unsigned char i,j;

void main(void)

{

TMOD=0x02;

TH0=0x06;

TL0=0x06;

TR0=1;

ET0=1;

EA=1;

while(1)

{

if(P0_0==0)

{

for(i=5;i>0;i--)

for(j=248;j>0;j--);

if(P0_0==0)

{

second++;

if(second==60)

{

second=0;

}

dispbuf[0]=second%10;

dispbuf[1]=second/10;

while(P0_0==0);

}

}

if(P0_1==0)

{

for(i=5;i>0;i--)

for(j=248;j>0;j--);

if(P0_1==0)

{

minite++;

if(minite==60)

{

minite=0;

}

dispbuf[3]=minite%10;

dispbuf[4]=minite/10;

while(P0_1==0);

}

}

if(P0_2==0)

{

for(i=5;i>0;i--)

for(j=248;j>0;j--);

if(P0_2==0)

{

hour++;

if(hour==24)

{

hour=0;

}

dispbuf[6]=hour%10;

dispbuf[7]=hour/10;

while(P0_2==0);

}

}

}

}

void t0(void) interrupt 1 using 0

{

mstcnt++;

if(mstcnt==8)

{

mstcnt=0;

P1=dispcode[dispbuf[dispbitcnt]];

P3=dispbitcode[dispbitcnt];

dispbitcnt++;

if(dispbitcnt==8)

{

dispbitcnt=0;

}

}

tcnt++;

if(tcnt==4000)

{

tcnt=0;

second++;

if(second==60)

{

second=0;

minite++;

if(minite==60)

{

minite=0;

hour++;

if(hour==24)

{

hour=0;

}

}

}

dispbuf[0]=second%10;

dispbuf[1]=second/10;

dispbuf[3]=minite%10;

dispbuf[4]=minite/10;

dispbuf[6]=hour%10;

dispbuf[7]=hour/10;

}

}

 

  · AT89S51单片机试验以及教程 01 闪烁灯

 · AT89S51单片机试验以及教程 02 模拟开关灯

 · AT89S51单片机试验以及教程 03 多路开关状态指示

  · AT89S51单片机试验以及教程 04 广告灯的左移右移

 · AT89S51单片机试验以及教程 05 广告灯(利用取表方式)

  · AT89S51单片机试验以及教程 06 报警产生器

 · AT89S51单片机试验以及教程 07 I/O并行口直接驱动LED显示

 · AT89S51单片机试验以及教程 08 按键识别方法之一

 · AT89S51单片机试验以及教程 09 一键多功能按键识别技术

 · AT89S51单片机试验以及教程 10 00-99计数器

 · AT89S51单片机试验以及教程 11 00-59秒计时器(利用软件延时)

 · AT89S51单片机试验以及教程 12 可预置可逆4位计数器

 · AT89S51单片机试验以及教程 13 动态数码显示技术

  · AT89S51单片机试验以及教程 14 4×4矩阵式键盘识别技术

  · AT89S51单片机试验以及教程 15 定时计数器T0作定时应用技术(一)

  · AT89S51单片机试验以及教程 16 定时计数器T0作定时应用技术(二)

 · AT89S51单片机试验以及教程 17 99秒马表设计

  · AT89S51单片机试验以及教程 18 “嘀、嘀、……”报警声

 · AT89S51单片机试验以及教程 19 “叮咚”门铃

 · AT89S51单片机试验以及教程 20 数字钟

 · AT89S51单片机试验以及教程 21 拉幕式数码显示技术

 · AT89S51单片机试验以及教程 22 电子琴

 · AT89S51单片机试验以及教程 23 模拟计算器数字输入及显示

  · AT89S51单片机试验以及教程 24 8X8 LED点阵显示技术

 · AT89S51单片机试验以及教程 25 点阵式LED“0-9”数字显示技术

 · AT89S51单片机试验以及教程 26 点阵式LED简单图形显示技术

 · AT89S51单片机试验以及教程 27 ADC0809A/D 转换器基本应用技术

 · AT89S51单片机试验以及教程 28 数字电压表

 · AT89S51单片机试验以及教程 29 两点间温度控制

 · AT89S51单片机试验以及教程 30 四位数数字温度计

 · AT89S51单片机试验以及教程 31 6位数显频率计数器

 · AT89S51单片机试验以及教程 32 电子密码锁设计

 · AT89S51单片机试验以及教程 33 4×4键盘及8位数码管显示构成的电子密码锁

 · AT89S51单片机试验以及教程 34 有存储器功能的数字温度计-DS1624技术应用

 · AT89S51单片机试验以及教程 35 DS18B20数字温度计使用

 

 

 

 

 

以上部分内容转载于网上,如有涉及到版权问题,请即通知本人删除

copyright© 2004-2005 all rights reserved www.JUNTRY(.IK8).com

juntry@126.com