光学  

   你现在的位置:JUNTRY>>主 页>>              今天是:

   

模拟计算器数字输入及显示

 

1. 实验任务

 1. 开机时,显示“ 0 ”

 2. 第一次按下时,显示“ D1 ”;第二次按下时,显示“ D1D2 ”;第三按下时,显示“ D1D2D3 ”, 8 个全显示完毕,再按下按键下时,给出“嘀”提示音。

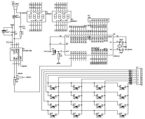
2. 电路原理图

3. 系统板上硬件连线

(1. 把“单片机系统”区域中的 P1.0 端口用导线连接到“音频放大模块”区域中的 SPK IN 端口上;

(2. 把“单片机系统“区域中的 P3.0 - P3.7 端口用 8 芯排线连接到“ 4X4 行列式键盘”区域中的 C1 - C4 R1 - R4 端口上;

(3. 把“单片机系统”区域中的 P0.0 - P0.7 端口用 8 芯排线连接到“动态数码显示”区域中的 A - H 端口上;

(4. 把“单片机系统:区域中的 P2.0 - P2.7 端口用 8 芯排线连接到“动态数码显示”区域中的 S1 - S8 端口上;

4. 相关程序设计内容

(1. 行列式键盘输入及按键功能设定;

(2. 动态数码显示;

(3. 数码显示方式处理;

5. 汇编源程序

(略)

6. C语言源程序

#include <AT89X51.H>

unsigned char code dispcode[]={0x3f,0x06,0x5b,0x4f,0x66,0x6d,0x7d,0x07,

0x7f,0x6f,0x77,0x7c,0x39,0x5e,0x79,0x71,0x00};

unsigned char code dispbitcode[]={0xfe,0xfd,0xfb,0xf7,0xef,0xdf,0xbf,0x7f};

unsigned char dispbuf[8]={0,16,16,16,16,16,16,16};

unsigned char dispbitcount;

unsigned char temp;

unsigned char i,j;

unsigned char key;

unsigned char keypos;

bit alarmflag;

void change(unsigned char *p,unsigned char count)

{

while(count>0)

{

*(p+count)=*(p+count-1);

count--;

}

}

void main(void)

{

TMOD=0x01;

TH0=(65536-4000) / 256;

TL0=(65536-4000) % 256;

TR0=1;

ET0=1;

EA=1;

while(1)

{

P3=0xff;

P3_4=0;

temp=P3;

temp=temp & 0x0f;

if (temp!=0x0f)

{

for(i=50;i>0;i--)

for(j=200;j>0;j--);

temp=P3;

temp=temp & 0x0f;

if (temp!=0x0f)

{

temp=P3;

temp=temp & 0x0f;

switch(temp)

{

case 0x0e:

key=7;

break;

case 0x0d:

key=8;

break;

case 0x0b:

key=9;

break;

case 0x07:

key=10;

break;

}

if ((key>=0) && (key<10))

{

keypos++;

if(keypos<8)

{

change(dispbuf,keypos);

dispbuf[0]=key;

}

else

{

keypos=8;

alarmflag=1;

}

}

temp=P3;

P1_0=~P1_0;

temp=temp & 0x0f;

while(temp!=0x0f)

{

temp=P3;

temp=temp & 0x0f;

}

alarmflag=0;

}

}

P3=0xff;

P3_5=0;

temp=P3;

temp=temp & 0x0f;

if (temp!=0x0f)

{

for(i=50;i>0;i--)

for(j=200;j>0;j--);

temp=P3;

temp=temp & 0x0f;

if (temp!=0x0f)

{

temp=P3;

temp=temp & 0x0f;

switch(temp)

{

case 0x0e:

key=4;

break;

case 0x0d:

key=5;

break;

case 0x0b:

key=6;

break;

case 0x07:

key=11;

break;

}

if ((key>=0) && (key<10))

{

keypos++;

if(keypos<8)

{

change(dispbuf,keypos);

dispbuf[0]=key;

}

else

{

keypos=8;

alarmflag=1;

}

}

temp=P3;

P1_0=~P1_0;

temp=temp & 0x0f;

while(temp!=0x0f)

{

temp=P3;

temp=temp & 0x0f;

}

alarmflag=0;

}

}

P3=0xff;

P3_6=0;

temp=P3;

temp=temp & 0x0f;

if (temp!=0x0f)

{

for(i=50;i>0;i--)

for(j=200;j>0;j--);

temp=P3;

temp=temp & 0x0f;

if (temp!=0x0f)

{

temp=P3;

temp=temp & 0x0f;

switch(temp)

{

case 0x0e:

key=1;

break;

case 0x0d:

key=2;

break;

case 0x0b:

key=3;

break;

case 0x07:

key=12;

break;

}

if ((key>=0) && (key<10))

{

keypos++;

if(keypos<8)

{

change(dispbuf,keypos);

dispbuf[0]=key;

}

else

{

keypos=8;

alarmflag=1;

}

}

temp=P3;

P1_0=~P1_0;

temp=temp & 0x0f;

while(temp!=0x0f)

{

temp=P3;

temp=temp & 0x0f;

}

alarmflag=0;

}

}

P3=0xff;

P3_7=0;

temp=P3;

temp=temp & 0x0f;

if (temp!=0x0f)

{

for(i=50;i>0;i--)

for(j=200;j>0;j--);

temp=P3;

temp=temp & 0x0f;

if (temp!=0x0f)

{

temp=P3;

temp=temp & 0x0f;

switch(temp)

{

case 0x0e:

key=0;

break;

case 0x0d:

key=13;

break;

case 0x0b:

key=14;

break;

case 0x07:

key=15;

break;

}

if ((key>=0) && (key<10))

{

keypos++;

if(keypos<8)

{

change(dispbuf,keypos);

dispbuf[0]=key;

}

else

{

keypos=8;

alarmflag=1;

}

}

temp=P3;

P1_0=~P1_0;

temp=temp & 0x0f;

while(temp!=0x0f)

{

temp=P3;

temp=temp & 0x0f;

}

alarmflag=0;

}

}

}

}

void t0(void) interrupt 1 using 0

{

TH0=(65536-4000) / 256;

TL0=(65536-4000) % 256;

P0=dispcode[dispbuf[dispbitcount]];

P2=dispbitcode[dispbitcount];

dispbitcount++;

if (dispbitcount==8)

{

dispbitcount=0;

}

if (alarmflag==1)

{

P1_1=~P1_1;

}

}

 

  · AT89S51单片机试验以及教程 01 闪烁灯

 · AT89S51单片机试验以及教程 02 模拟开关灯

 · AT89S51单片机试验以及教程 03 多路开关状态指示

  · AT89S51单片机试验以及教程 04 广告灯的左移右移

 · AT89S51单片机试验以及教程 05 广告灯(利用取表方式)

  · AT89S51单片机试验以及教程 06 报警产生器

 · AT89S51单片机试验以及教程 07 I/O并行口直接驱动LED显示

 · AT89S51单片机试验以及教程 08 按键识别方法之一

 · AT89S51单片机试验以及教程 09 一键多功能按键识别技术

 · AT89S51单片机试验以及教程 10 00-99计数器

 · AT89S51单片机试验以及教程 11 00-59秒计时器(利用软件延时)

 · AT89S51单片机试验以及教程 12 可预置可逆4位计数器

 · AT89S51单片机试验以及教程 13 动态数码显示技术

  · AT89S51单片机试验以及教程 14 4×4矩阵式键盘识别技术

  · AT89S51单片机试验以及教程 15 定时计数器T0作定时应用技术(一)

  · AT89S51单片机试验以及教程 16 定时计数器T0作定时应用技术(二)

 · AT89S51单片机试验以及教程 17 99秒马表设计

  · AT89S51单片机试验以及教程 18 “嘀、嘀、……”报警声

 · AT89S51单片机试验以及教程 19 “叮咚”门铃

 · AT89S51单片机试验以及教程 20 数字钟

 · AT89S51单片机试验以及教程 21 拉幕式数码显示技术

 · AT89S51单片机试验以及教程 22 电子琴

 · AT89S51单片机试验以及教程 23 模拟计算器数字输入及显示

  · AT89S51单片机试验以及教程 24 8X8 LED点阵显示技术

 · AT89S51单片机试验以及教程 25 点阵式LED“0-9”数字显示技术

 · AT89S51单片机试验以及教程 26 点阵式LED简单图形显示技术

 · AT89S51单片机试验以及教程 27 ADC0809A/D 转换器基本应用技术

 · AT89S51单片机试验以及教程 28 数字电压表

 · AT89S51单片机试验以及教程 29 两点间温度控制

 · AT89S51单片机试验以及教程 30 四位数数字温度计

 · AT89S51单片机试验以及教程 31 6位数显频率计数器

 · AT89S51单片机试验以及教程 32 电子密码锁设计

 · AT89S51单片机试验以及教程 33 4×4键盘及8位数码管显示构成的电子密码锁

 · AT89S51单片机试验以及教程 34 有存储器功能的数字温度计-DS1624技术应用

 · AT89S51单片机试验以及教程 35 DS18B20数字温度计使用

 

 

 

 

 

以上部分内容转载于网上,如有涉及到版权问题,请即通知本人删除

copyright© 2004-2005 all rights reserved www.JUNTRY(.IK8).com

juntry@126.com