光学  

   你现在的位置:JUNTRY>>主 页>>              今天是:

   

可预置可逆4位计数器

 

1.  实验任务

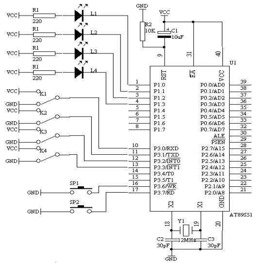
利用 AT89S51 单片机的 P1.0 - P1.3 接四个发光二极管 L1 - L4 ,用来指示当前计数的数据;用 P1.4 - P1.7 作为预置数据的输入端,接四个拨动开关 K1 - K4 ,用 P3.6/WR 和 P3.7/RD 端口接两个轻触开关,用来作加计数和减计数开关。具体的电路原理图如下图所示

2.  电路原理图

图 4.12.1

3. 系统板上硬件连线

•  把“单片机系统”区域中的 P1.0 - P1.3 端口用 8 芯排线连接到“八路发光二极管指示模块”区域中的 L1 - L4 上;要求: P1.0 对应着 L1 , P1.1 对应着 L2 , P1.2 对应着 L3 , P1.3 对应着 L4 ;

•  把“单片机系统”区域中的 P3.0/RXD , P3.1/TXD , P3.2/INT0 , P3.3/INT1 用导线连接到“四路拨动开关”区域中的 K1 - K4 上;

•  把“单片机系统”区域中的 P3.6/WR , P3.7/RD 用导线连接到“独立式键盘”区域中的 SP1 和 SP2 上;

4.  程序设计内容

•  两个独立式按键识别的处理过程;

•  预置初值读取的问题

•  LED 输出指示

5. 程序框图


图 4.12.2

6. 汇编源程序

COUNT EQU 30H

ORG 00H

START: MOV A,P3

ANL A,#0FH

MOV COUNT,A

MOV P1,A

SK2: JB P3.6,SK1

LCALL DELY10MS

JB P3.6,SK1

INC COUNT

MOV A,COUNT

CJNE A,#16,NEXT

MOV A,P3

ANL A,#0FH

MOV COUNT,A

NEXT: MOV P1,A

WAIT: JNB P3.6,WAIT

LJMP SK2

SK1: JB P3.7,SK2

LCALL DELY10MS

JB P3.7,SK2

DEC COUNT

MOV A,COUNT

CJNE A,#0FFH,NEX

MOV A,P3

ANL A,#0FH

MOV COUNT,A

NEX: MOV P1,A

WAIT2: JNB P3.7,WAIT2

LJMP SK2

DELY10MS: MOV R6,#20

MOV R7,#248

D1: DJNZ R7,$

DJNZ R6,D1

RET

END

7. C语言源程序

#include <AT89X51.H>

unsigned char curcount;

void delay10ms(void)

{

unsigned char i,j;

for(i=20;i>0;i--)

for(j=248;j>0;j--);

}

void main(void)

{

curcount=P3 & 0x0f;

P1=~curcount;

while(1)

{

if(P3_6==0)

{

delay10ms();

if(P3_6==0)

{

if(curcount>=15)

{

curcount=15;

}

else

{

curcount++;

}

P1=~curcount;

while(P3_6==0);

}

}

if(P3_7==0)

{

delay10ms();

if(P3_7==0)

{

if(curcount<=0)

{

curcount=0;

}

else

{

curcount--;

}

P1=~curcount;

while(P3_7==0);

}

}

}

}

 

 

  · AT89S51单片机试验以及教程 01 闪烁灯

 · AT89S51单片机试验以及教程 02 模拟开关灯

 · AT89S51单片机试验以及教程 03 多路开关状态指示

  · AT89S51单片机试验以及教程 04 广告灯的左移右移

 · AT89S51单片机试验以及教程 05 广告灯(利用取表方式)

  · AT89S51单片机试验以及教程 06 报警产生器

 · AT89S51单片机试验以及教程 07 I/O并行口直接驱动LED显示

 · AT89S51单片机试验以及教程 08 按键识别方法之一

 · AT89S51单片机试验以及教程 09 一键多功能按键识别技术

 · AT89S51单片机试验以及教程 10 00-99计数器

 · AT89S51单片机试验以及教程 11 00-59秒计时器(利用软件延时)

 · AT89S51单片机试验以及教程 12 可预置可逆4位计数器

 · AT89S51单片机试验以及教程 13 动态数码显示技术

  · AT89S51单片机试验以及教程 14 4×4矩阵式键盘识别技术

  · AT89S51单片机试验以及教程 15 定时计数器T0作定时应用技术(一)

  · AT89S51单片机试验以及教程 16 定时计数器T0作定时应用技术(二)

 · AT89S51单片机试验以及教程 17 99秒马表设计

  · AT89S51单片机试验以及教程 18 “嘀、嘀、……”报警声

 · AT89S51单片机试验以及教程 19 “叮咚”门铃

 · AT89S51单片机试验以及教程 20 数字钟

 · AT89S51单片机试验以及教程 21 拉幕式数码显示技术

 · AT89S51单片机试验以及教程 22 电子琴

 · AT89S51单片机试验以及教程 23 模拟计算器数字输入及显示

  · AT89S51单片机试验以及教程 24 8X8 LED点阵显示技术

 · AT89S51单片机试验以及教程 25 点阵式LED“0-9”数字显示技术

 · AT89S51单片机试验以及教程 26 点阵式LED简单图形显示技术

 · AT89S51单片机试验以及教程 27 ADC0809A/D 转换器基本应用技术

 · AT89S51单片机试验以及教程 28 数字电压表

 · AT89S51单片机试验以及教程 29 两点间温度控制

 · AT89S51单片机试验以及教程 30 四位数数字温度计

 · AT89S51单片机试验以及教程 31 6位数显频率计数器

 · AT89S51单片机试验以及教程 32 电子密码锁设计

 · AT89S51单片机试验以及教程 33 4×4键盘及8位数码管显示构成的电子密码锁

 · AT89S51单片机试验以及教程 34 有存储器功能的数字温度计-DS1624技术应用

 · AT89S51单片机试验以及教程 35 DS18B20数字温度计使用

 

 

 

以上部分内容转载于网上,如有涉及到版权问题,请即通知本人删除

copyright© 2004-2005 all rights reserved www.JUNTRY(.IK8).com

juntry@126.com