光学  

   你现在的位置:JUNTRY>>主 页>>              今天是:

   

定时计数器T0作定时应用技术(二)

 

1. 实验任务

  用AT89S51的定时/ 计数器 T0 产生 2 秒钟的定时,每当 2 秒定时到来时,更换指示灯闪烁,每个指示闪烁的频率为 0.2 秒,也就是说,开始 L1 指示灯以 0.2 秒的速率闪烁,当 2 秒定时到来之后, L2 开始以 0.2 秒的速率闪烁,如此循环下去。 0.2 秒的闪烁速率也由定时 / 计数器 T0 来完成。

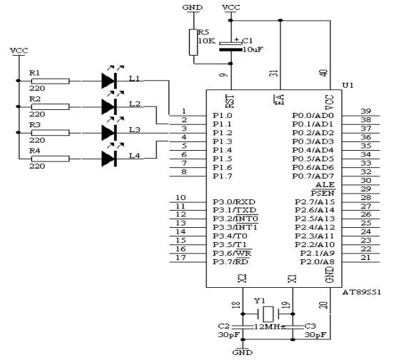
2. 电路原理图

 

3. 系统板硬件连线

  把“单片机系统”区域中的 P1.0 - P1.3 用导线连接到“八路发光二极管指示模块”区域中的 L1 - L4 上

4. 程序设计内容

 1. 由于采用中断方式来完成,因此,对于中断源必须它的中断入口地址,对于定时 / 计数器 T0 来说,中断入口地址为 000BH ,因此在中断入口地方加入长跳转指令来执行中断服务程序。书写汇编源程序格式如下所示:

ORG 00H

LJMP START

ORG 0BH ; 定时 / 计数器 T0 中断入口地址

LJMP INT_T0

START: NOP ; 主程序开始

.

.

INT_T0: PUSH ACC ; 定时 / 计数器 T0 中断服务程序

PUSH PSW

.

.

POP PSW

POP ACC

RETI ; 中断服务程序返回

END

 2. 定时 2 秒,采用 16 位定时 50ms ,共定时 40 次才可达到 2 秒,每 50ms 产生一中断,定时的 40 次数在中断服务程序中完成,同样 0.2 秒的定时,需要 4 次才可达到 0.2 秒。对于中断程序,在主程序中要对中断开中断。

 3. 由于每次 2 秒定时到时, L1 - L4 要交替闪烁。采用 ID 来号来识别。当 ID = 0 时, L1 在闪烁,当 ID = 1 时, L2 在闪烁;当 ID = 2 时, L3 在闪烁;当 ID = 3 时, L4 在闪烁

5. 程序框图

主程序框图

6. 汇编源程序

TCOUNT2S EQU 30H

TCNT02S EQU 31H

ID EQU 32H

ORG 00H

LJMP START

ORG 0BH

LJMP INT_T0

START: MOV TCOUNT2S,#00H

MOV TCNT02S,#00H

MOV ID,#00H

MOV TMOD,#01H

MOV TH0,#(65536-50000) / 256

MOV TL0,#(65536-50000) MOD 256

SETB TR0

SETB ET0

SETB EA

SJMP $

INT_T0: MOV TH0,#(65536-50000) / 256

MOV TL0,#(65536-50000) MOD 256

INC TCOUNT2S

MOV A,TCOUNT2S

CJNE A,#40,NEXT

MOV TCOUNT2S,#00H

INC ID

MOV A,ID

CJNE A,#04H,NEXT

MOV ID,#00H

NEXT: INC TCNT02S

MOV A,TCNT02S

CJNE A,#4,DONE

MOV TCNT02S,#00H

MOV A,ID

CJNE A,#00H,SID1

CPL P1.0

SJMP DONE

SID1: CJNE A,#01H,SID2

CPL P1.1

SJMP DONE

SID2: CJNE A,#02H,SID3

CPL P1.2

SJMP DONE

SID3: CJNE A,#03H,SID4

CPL P1.3

SID4: SJMP DONE

DONE: RETI

END

7. C语言源程序

#include <AT89X51.H>

unsigned char tcount2s;

unsigned char tcount02s;

unsigned char ID;

void main(void)

{

TMOD=0x01;

TH0=(65536-50000)/256;

TL0=(65536-50000)%256;

TR0=1;

ET0=1;

EA=1;

while(1);

}

void t0(void) interrupt 1 using 0

{

tcount2s++;

if(tcount2s==40)

{

tcount2s=0;

ID++;

if(ID==4)

{

ID=0;

}

}

tcount02s++;

if(tcount02s==4)

{

tcount02s=0;

switch(ID)

{

case 0:

P1_0=~P1_0;

break;

case 1:

P1_1=~P1_1;

break;

case 2:

P1_2=~P1_2;

break;

case 3:

P1_3=~P1_3;

break;

}

}

 

  · AT89S51单片机试验以及教程 01 闪烁灯

 · AT89S51单片机试验以及教程 02 模拟开关灯

 · AT89S51单片机试验以及教程 03 多路开关状态指示

  · AT89S51单片机试验以及教程 04 广告灯的左移右移

 · AT89S51单片机试验以及教程 05 广告灯(利用取表方式)

  · AT89S51单片机试验以及教程 06 报警产生器

 · AT89S51单片机试验以及教程 07 I/O并行口直接驱动LED显示

 · AT89S51单片机试验以及教程 08 按键识别方法之一

 · AT89S51单片机试验以及教程 09 一键多功能按键识别技术

 · AT89S51单片机试验以及教程 10 00-99计数器

 · AT89S51单片机试验以及教程 11 00-59秒计时器(利用软件延时)

 · AT89S51单片机试验以及教程 12 可预置可逆4位计数器

 · AT89S51单片机试验以及教程 13 动态数码显示技术

  · AT89S51单片机试验以及教程 14 4×4矩阵式键盘识别技术

  · AT89S51单片机试验以及教程 15 定时计数器T0作定时应用技术(一)

  · AT89S51单片机试验以及教程 16 定时计数器T0作定时应用技术(二)

 · AT89S51单片机试验以及教程 17 99秒马表设计

  · AT89S51单片机试验以及教程 18 “嘀、嘀、……”报警声

 · AT89S51单片机试验以及教程 19 “叮咚”门铃

 · AT89S51单片机试验以及教程 20 数字钟

 · AT89S51单片机试验以及教程 21 拉幕式数码显示技术

 · AT89S51单片机试验以及教程 22 电子琴

 · AT89S51单片机试验以及教程 23 模拟计算器数字输入及显示

  · AT89S51单片机试验以及教程 24 8X8 LED点阵显示技术

 · AT89S51单片机试验以及教程 25 点阵式LED“0-9”数字显示技术

 · AT89S51单片机试验以及教程 26 点阵式LED简单图形显示技术

 · AT89S51单片机试验以及教程 27 ADC0809A/D 转换器基本应用技术

 · AT89S51单片机试验以及教程 28 数字电压表

 · AT89S51单片机试验以及教程 29 两点间温度控制

 · AT89S51单片机试验以及教程 30 四位数数字温度计

 · AT89S51单片机试验以及教程 31 6位数显频率计数器

 · AT89S51单片机试验以及教程 32 电子密码锁设计

 · AT89S51单片机试验以及教程 33 4×4键盘及8位数码管显示构成的电子密码锁

 · AT89S51单片机试验以及教程 34 有存储器功能的数字温度计-DS1624技术应用

 · AT89S51单片机试验以及教程 35 DS18B20数字温度计使用

 

 

 

 

 

以上部分内容转载于网上,如有涉及到版权问题,请即通知本人删除

copyright© 2004-2005 all rights reserved www.JUNTRY(.IK8).com

juntry@126.com