光学  

   你现在的位置:JUNTRY>>主 页>>              今天是:

   

00-99计数器

 

1. 实验任务

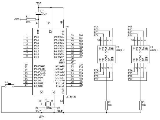
利用 AT89S51 单片机来制作一个手动计数器,在 AT89S51 单片机的 P3.7 管脚接一个轻触开关,作为手动计数的按钮,用单片机的 P2.0 - P2.7 接一个共阴数码管,作为 00 - 99 计数的个位数显示,用单片机的 P0.0 - P0.7 接一个共阴数码管,作为 00 - 99 计数的十位数显示;硬件电路图如图 19 所示。

2. 电路原理图

图 4.10.1

3.  系统板上硬件连线

•  把“单片机系统”区域中的 P0.0/AD0 - P0.7/AD7 端口用 8 芯排线连接到“四路静态数码显示模块”区域中的任一个 a - h 端口上;要求: P0.0/AD0 对应着 a , P0.1/AD1 对应着 b , …… , P0.7/AD7 对应着 h 。

•  把“单片机系统”区域中的 P2.0/A8 - P2.7/A15 端口用 8 芯排线连接到“四路静态数码显示模块”区域中的任一个数码管的 a - h 端口上;

•  把“单片机系统”区域中的 P3.7/RD 端口用导线连接到“独立式键盘”区域中的 SP1 端口上;

4. 程序设计内容

•  单片机对按键的识别的过程处理

•  单片机对正确识别的按键进行计数,计数满时,又从零开始计数;

•  单片机对计的数值要进行数码显示,计得的数是十进数,含有十位和个位,我们要把十位和个位拆开分别送出这样的十位和个位数值到对应的数码管上显示。如何拆开十位和个位我们可以把所计得的数值对 10 求余,即可个位数字,对 10 整除,即可得到十位数字了。

•  通过查表方式,分别显示出个位和十位数字。

5. 程序框图

图 4.10.2

6.  汇编源程序

Count EQU 30H

SP1 BIT P3.7

ORG 0

START: MOV Count,#00H

NEXT: MOV A,Count

MOV B,#10

DIV AB

MOV DPTR,#TABLE

MOVC A,@A+DPTR

MOV P0,A

MOV A,B

MOVC A,@A+DPTR

MOV P2,A

WT: JNB SP1,WT

WAIT: JB SP1,WAIT

LCALL DELY10MS

JB SP1,WAIT

INC Count

MOV A,Count

CJNE A,#100,NEXT

LJMP START

DELY10MS: MOV R6,#20

D1: MOV R7,#248

DJNZ R7,$

DJNZ R6,D1

RET

TABLE: DB 3FH,06H,5BH,4FH,66H,6DH,7DH,07H,7FH,6FH

END

7. C语言源程序

#include <AT89X51.H>

unsigned char code table[]={0x3f,0x06,0x5b,0x4f,0x66,

0x6d,0x7d,0x07,0x7f,0x6f};

unsigned char Count;

void delay10ms(void)

{

unsigned char i,j;

for(i=20;i>0;i--)

for(j=248;j>0;j--);

}

void main(void)

{

Count=0;

P0=table[Count/10];

P2=table[Count%10];

while(1)

{

if(P3_7==0)

{

delay10ms();

if(P3_7==0)

{

Count++;

if(Count==100)

{

Count=0;

}

P0=table[Count/10];

P2=table[Count%10];

while(P3_7==0);

}

}

}

}

 

 

  · AT89S51单片机试验以及教程 01 闪烁灯

 · AT89S51单片机试验以及教程 02 模拟开关灯

 · AT89S51单片机试验以及教程 03 多路开关状态指示

  · AT89S51单片机试验以及教程 04 广告灯的左移右移

 · AT89S51单片机试验以及教程 05 广告灯(利用取表方式)

  · AT89S51单片机试验以及教程 06 报警产生器

 · AT89S51单片机试验以及教程 07 I/O并行口直接驱动LED显示

 · AT89S51单片机试验以及教程 08 按键识别方法之一

 · AT89S51单片机试验以及教程 09 一键多功能按键识别技术

 · AT89S51单片机试验以及教程 10 00-99计数器

 · AT89S51单片机试验以及教程 11 00-59秒计时器(利用软件延时)

 · AT89S51单片机试验以及教程 12 可预置可逆4位计数器

 · AT89S51单片机试验以及教程 13 动态数码显示技术

  · AT89S51单片机试验以及教程 14 4×4矩阵式键盘识别技术

  · AT89S51单片机试验以及教程 15 定时计数器T0作定时应用技术(一)

  · AT89S51单片机试验以及教程 16 定时计数器T0作定时应用技术(二)

 · AT89S51单片机试验以及教程 17 99秒马表设计

  · AT89S51单片机试验以及教程 18 “嘀、嘀、……”报警声

 · AT89S51单片机试验以及教程 19 “叮咚”门铃

 · AT89S51单片机试验以及教程 20 数字钟

 · AT89S51单片机试验以及教程 21 拉幕式数码显示技术

 · AT89S51单片机试验以及教程 22 电子琴

 · AT89S51单片机试验以及教程 23 模拟计算器数字输入及显示

  · AT89S51单片机试验以及教程 24 8X8 LED点阵显示技术

 · AT89S51单片机试验以及教程 25 点阵式LED“0-9”数字显示技术

 · AT89S51单片机试验以及教程 26 点阵式LED简单图形显示技术

 · AT89S51单片机试验以及教程 27 ADC0809A/D 转换器基本应用技术

 · AT89S51单片机试验以及教程 28 数字电压表

 · AT89S51单片机试验以及教程 29 两点间温度控制

 · AT89S51单片机试验以及教程 30 四位数数字温度计

 · AT89S51单片机试验以及教程 31 6位数显频率计数器

 · AT89S51单片机试验以及教程 32 电子密码锁设计

 · AT89S51单片机试验以及教程 33 4×4键盘及8位数码管显示构成的电子密码锁

 · AT89S51单片机试验以及教程 34 有存储器功能的数字温度计-DS1624技术应用

 · AT89S51单片机试验以及教程 35 DS18B20数字温度计使用

 

 

以上部分内容转载于网上,如有涉及到版权问题,请即通知本人删除

copyright© 2004-2005 all rights reserved www.JUNTRY(.IK8).com

juntry@126.com