光学  

   你现在的位置:JUNTRY>>主 页>>              今天是:

   

8X8 LED点阵显示技术

 

1. 实验任务

  在 8X8 LED 点阵上显示柱形,让其先从左到右平滑移动三次,其次从右到左平滑移动三次,再次从上到下平滑移动三次,最后从下到上平滑移动三次,如此循环下去。

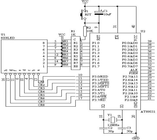
2. 电路原理图

3. 硬件电路连线

(1). 把“单片机系统”区域中的 P1 端口用 8 芯排芯连接到“点阵模块”区域中的“ DR1 - DR8 ”端口上;

(2). 把“单片机系统”区域中的 P3 端口用 8 芯排芯连接到“点阵模块”区域中的“ DC1 - DC8 ”端口上;

4. 程序设计内容

(1). 8X8  点阵 LED 工作原理说明

8X8 点阵 LED 结构如下图所示

从图 中可以看出, 8X8 点阵共需要 64 个发光二极管组成,且每个发光二极管是放置在行线和列线的交叉点上,当对应的某一列置 1 电平,某一行置 0 电平,则相应的二极管就亮;因此要实现一根柱形的亮法,如图 49 所示,对应的一列为一根竖柱,或者对应的一行为一根横柱,因此实现柱的亮的方法如下所述:

一根竖柱:对应的列置 1 ,而行则采用扫描的方法来实现。

一根横柱:对应的行置 0 ,而列则采用扫描的方法来实现。

5. 汇编源程序

ORG 00H

START: NOP

MOV R3,#3

LOP2: MOV R4,#8

MOV R2,#0

LOP1: MOV P1,#0FFH

MOV DPTR,#TABA

MOV A,R2

MOVC A,@A+DPTR

MOV P3,A

INC R2

LCALL DELAY

DJNZ R4,LOP1

DJNZ R3,LOP2

MOV R3,#3

LOP4: MOV R4,#8

MOV R2,#7

LOP3: MOV P1,#0FFH

MOV DPTR,#TABA

MOV A,R2

MOVC A,@A+DPTR

MOV P3,A

DEC R2

LCALL DELAY

DJNZ R4,LOP3

DJNZ R3,LOP4

MOV R3,#3

LOP6: MOV R4,#8

MOV R2,#0

LOP5: MOV P3,#00H

MOV DPTR,#TABB

MOV A,R2

MOVC A,@A+DPTR

MOV P1,A

INC R2

LCALL DELAY

DJNZ R4,LOP5

DJNZ R3,LOP6

MOV R3,#3

LOP8: MOV R4,#8

MOV R2,#7

LOP7: MOV P3,#00H

MOV DPTR,#TABB

MOV A,R2

MOVC A,@A+DPTR

MOV P1,A

DEC R2

LCALL DELAY

DJNZ R4,LOP7

DJNZ R3,LOP8

LJMP START

DELAY: MOV R5,#10

D2: MOV R6,#20

D1: MOV R7,#248

DJNZ R7,$

DJNZ R6,D1

DJNZ R5,D2

RET

TABA: DB 0FEH,0FDH,0FBH,0F7H,0EFH,0DFH,0BFH,07FH

TABB: DB 01H,02H,04H,08H,10H,20H,40H,80H

END

6. C语言源程序

#include <AT89X52.H>

unsigned char code taba[]={0xfe,0xfd,0xfb,0xf7,0xef,0xdf,0xbf,0x7f};

unsigned char code tabb[]={0x01,0x02,0x04,0x08,0x10,0x20,0x40,0x80};

void delay(void)

{

unsigned char i,j;

for(i=10;i>0;i--)

for(j=248;j>0;j--);

}

void delay1(void)

{

unsigned char i,j,k;

for(k=10;k>0;k--)

for(i=20;i>0;i--)

for(j=248;j>0;j--);

}

void main(void)

{

unsigned char i,j;

while(1)

{

for(j=0;j<3;j++) //from left to right 3 time

{

for(i=0;i<8;i++)

{

P3=taba[i];

P1=0xff;

delay1();

}

}

for(j=0;j<3;j++) //from right to left 3 time

{

for(i=0;i<8;i++)

{

P3=taba[7-i];

P1=0xff;

delay1();

}

}

for(j=0;j<3;j++) //from top to bottom 3 time

{

for(i=0;i<8;i++)

{

P3=0x00;

P1=tabb[7-i];

delay1();

}

}

for(j=0;j<3;j++) //from bottom to top 3 time

{

for(i=0;i<8;i++)

{

P3=0x00;

P1=tabb[i];

delay1();

}

}

}

}

 

  · AT89S51单片机试验以及教程 01 闪烁灯

 · AT89S51单片机试验以及教程 02 模拟开关灯

 · AT89S51单片机试验以及教程 03 多路开关状态指示

  · AT89S51单片机试验以及教程 04 广告灯的左移右移

 · AT89S51单片机试验以及教程 05 广告灯(利用取表方式)

  · AT89S51单片机试验以及教程 06 报警产生器

 · AT89S51单片机试验以及教程 07 I/O并行口直接驱动LED显示

 · AT89S51单片机试验以及教程 08 按键识别方法之一

 · AT89S51单片机试验以及教程 09 一键多功能按键识别技术

 · AT89S51单片机试验以及教程 10 00-99计数器

 · AT89S51单片机试验以及教程 11 00-59秒计时器(利用软件延时)

 · AT89S51单片机试验以及教程 12 可预置可逆4位计数器

 · AT89S51单片机试验以及教程 13 动态数码显示技术

  · AT89S51单片机试验以及教程 14 4×4矩阵式键盘识别技术

  · AT89S51单片机试验以及教程 15 定时计数器T0作定时应用技术(一)

  · AT89S51单片机试验以及教程 16 定时计数器T0作定时应用技术(二)

 · AT89S51单片机试验以及教程 17 99秒马表设计

  · AT89S51单片机试验以及教程 18 “嘀、嘀、……”报警声

 · AT89S51单片机试验以及教程 19 “叮咚”门铃

 · AT89S51单片机试验以及教程 20 数字钟

 · AT89S51单片机试验以及教程 21 拉幕式数码显示技术

 · AT89S51单片机试验以及教程 22 电子琴

 · AT89S51单片机试验以及教程 23 模拟计算器数字输入及显示

  · AT89S51单片机试验以及教程 24 8X8 LED点阵显示技术

 · AT89S51单片机试验以及教程 25 点阵式LED“0-9”数字显示技术

 · AT89S51单片机试验以及教程 26 点阵式LED简单图形显示技术

 · AT89S51单片机试验以及教程 27 ADC0809A/D 转换器基本应用技术

 · AT89S51单片机试验以及教程 28 数字电压表

 · AT89S51单片机试验以及教程 29 两点间温度控制

 · AT89S51单片机试验以及教程 30 四位数数字温度计

 · AT89S51单片机试验以及教程 31 6位数显频率计数器

 · AT89S51单片机试验以及教程 32 电子密码锁设计

 · AT89S51单片机试验以及教程 33 4×4键盘及8位数码管显示构成的电子密码锁

 · AT89S51单片机试验以及教程 34 有存储器功能的数字温度计-DS1624技术应用

 · AT89S51单片机试验以及教程 35 DS18B20数字温度计使用

 

 

 

 

 

以上部分内容转载于网上,如有涉及到版权问题,请即通知本人删除

copyright© 2004-2005 all rights reserved www.JUNTRY(.IK8).com

juntry@126.com